Honda Civic manuals

Subaru Legacy BN/BS (2015-2019) Service Manual: Dtc p2195 a/f /o2 sensor signal biased/stuck lean bank 1 sensor 1

DTC DETECTING CONDITION:

Detected when two consecutive driving cycles with fault occur.

CAUTION:

After servicing or replacing faulty parts, perform Clear Memory Mode Clear Memory Mode > OPERATION, and Inspection Mode Inspection Mode > PROCEDURE.

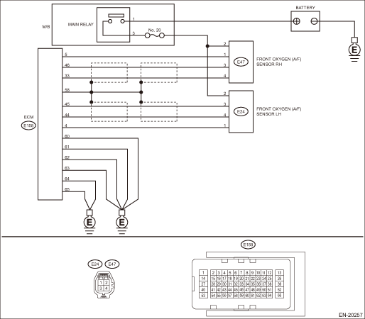
WIRING DIAGRAM:

Engine Electrical System ENGINE TYPE EZ (WITHOUT PUSH BUTTON START) Engine Electrical System > WIRING DIAGRAM

Engine Electrical System ENGINE TYPE EZ (WITH PUSH BUTTON START) Engine Electrical System > WIRING DIAGRAM

STEPCHECKYESNO

1.CHECK FRONT OXYGEN (A/F) SENSOR CONNECTOR AND COUPLING CONNECTOR.

Has water entered the connector-

Completely remove any water inside.

Diagnostic Procedure with Diagnostic Trouble Code (DTC) > DTC P2195 A/F /O2 SENSOR SIGNAL BIASED/STUCK LEAN BANK 1 SENSOR 1

2.CHECK HARNESS BETWEEN ECM AND FRONT OXYGEN (A/F) SENSOR CONNECTOR.

1) Turn the ignition switch to OFF.

2) Disconnect the connectors from ECM and front oxygen (A/F) sensor.

3) Measure the resistance of harness between ECM connector and front oxygen (A/F) sensor connector.

Connector & terminal

(E158) No. 46 — (E47) No. 3:

(E158) No. 33 — (E47) No. 4:

Is the resistance less than 1 --

Diagnostic Procedure with Diagnostic Trouble Code (DTC) > DTC P2195 A/F /O2 SENSOR SIGNAL BIASED/STUCK LEAN BANK 1 SENSOR 1

Repair the harness and connector.

NOTE:

In this case, repair the following item:

Open circuit in harness between ECM connector and front oxygen (A/F) sensor connector

Poor contact of coupling connector

3.CHECK FOR POOR CONTACT.

Check for poor contact of the front oxygen (A/F) sensor connector.

Is there poor contact of front oxygen (A/F) sensor connector-

Repair the poor contact of front oxygen (A/F) sensor connector.

Replace the front oxygen (A/F) sensor. Front Oxygen (A/F) Sensor

1. OUTLINE OF DIAGNOSIS

Detect that λ value remains low.

Judge as NG if the lambda value can be determined as abnormal in accordance with driving conditions such as vehicle speed, intake air amount, and rear oxygen sensor voltage as well as front oxygen (A/F) sensor λ value.

λ value = Actual air fuel ratio/Theoretical air fuel ratio

λ > 1: Lean

λ < 1: Rich

2. COMPONENT DESCRIPTION

(A)

Electromotive force

(B)

Air fuel ratio

(C)

Rich

(D)

Lean

(1)

Exhaust gas

(2)

ZrO2

3. EXECUTION CONDITION

Secondary Parameters

Execution condition

Battery voltage

≥ 10.9 V

Barometric pressure

≥ 75.1 kPa (563 mmHg, 22.2 inHg)

Rear oxygen sensor sub feedback

Execution

Rear oxygen sensor output voltage − Feedback target voltage

−0.2 V — 0.1 V

or rear oxygen sensor sub feedback compensation coefficient

On Min.

or rear oxygen sensor sub feedback compensation coefficient

On Max.

Intake air amount

≥ 8 g/s (0.28 oz/s)

4. GENERAL DRIVING CYCLE

Perform the diagnosis continuously after the enable conditions have been established.

5. DIAGNOSTIC METHOD

If the duration of time while the following conditions are met is longer than the time indicated, judge as NG.

Judgment Value

Malfunction Criteria

Threshold Value

λ value

≤ 0.85

Time Needed for Diagnosis: 10000 ms

Malfunction Indicator Light Illumination: Illuminates when malfunction occurs in 2 continuous driving cycles.

Dtc p2196 a/f /o2 sensor signal biased/stuck rich bank 1 sensor 1
DTC DETECTING CONDITION:Detected when two consecutive driving cycles with fault occur.CAUTION:After servicing or replacing faulty parts, perform Clear Memory Mode Clear Memory Mode > OPERATION, and I ...

Dtc p2138 throttle/pedal position sensor/switch "d"/"e" voltage correlation
DTC DETECTING CONDITION:Immediately at fault recognitionCAUTION:After servicing or replacing faulty parts, perform Clear Memory Mode Clear Memory Mode > OPERATION, and Inspection Mode Inspection Mod ...

Other materials:

Adjustment
Adjust the clearance around the panel assembly - rear door as follows.PartStandardAPanel assembly - front door to Panel assembly - rear door4.4+1.5, −1.0 mm (0.17+0.06, −0.04 in)BFront door sash to Rear door sash4.2±1.25 mm (0.17±0.05 in)CPanel side outer to Rear door sash5.2+1.5, &min ...

© 2017-2026 Copyright www.sulegacy.com