Honda Civic manuals

Subaru Legacy BN/BS (2015-2019) Service Manual: Communication for initializing impossible

NOTE:

If the communication with the body integrated unit is not possible either, refer to LAN SYSTEM (DIAGNOSTICS). Subaru Select Monitor > COMMUNICATION FOR INITIALIZING IMPOSSIBLE

DETECTING CONDITION:

Defective harness

Power supply circuit malfunction

Body integrated unit malfunctioning

Defective LIN communication circuit

Defective Subaru Select Monitor

TROUBLE SYMPTOM:

Not communicable with Subaru Select Monitor.

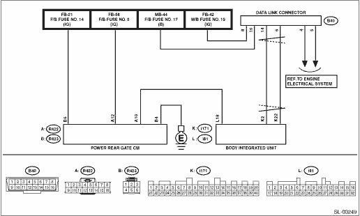
WIRING DIAGRAM:

Power rear gate system Power Rear Gate System > WIRING DIAGRAM

STEPCHECKYESNO

1.CHECK FUSE.

Check the fuse.

Is there any fault-

Replace the fuse. If the replaced fuse blows out easily, repair the ground short circuit in the harness between the battery and power rear gate CM.

Subaru Select Monitor > COMMUNICATION FOR INITIALIZING IMPOSSIBLE

2.CHECK HARNESS.

1) Turn the ignition switch to OFF.

2) Disconnect the power rear gate CM connector in the order of (R423) > (R422).

3) Turn the ignition switch to ON.

4) Using a tester, measure the voltage between the power rear gate CM connector and chassis ground.

Connector & terminal

(R422) No. 12 (+) — Chassis ground (−):

(R423) No. 6 (+) — Chassis ground (−):

Is the voltage 10 — 13 V-

Subaru Select Monitor > COMMUNICATION FOR INITIALIZING IMPOSSIBLE

Repair the open circuit of harness between the power rear gate CM connector and fuse.

3.CHECK HARNESS.

Using a tester, measure the resistance between the power rear gate CM connector and chassis ground.

Connector & terminal

(R423) No. 4 — Chassis ground:

Is the resistance less than 1 --

Subaru Select Monitor > COMMUNICATION FOR INITIALIZING IMPOSSIBLE

Repair the open circuit of harness between the power rear gate CM connector and chassis ground.

4.CHECK BODY INTEGRATED UNIT.

Check the body control system. Basic Diagnostic Procedure

Is there any fault-

Perform the inspection according to the diagnosis for body control system.

Subaru Select Monitor > COMMUNICATION FOR INITIALIZING IMPOSSIBLE

5.CHECK POWER REAR GATE CM.

1) Turn the ignition switch to OFF.

2) Connect the power rear gate CM connector in the order of (R422) > (R423).

3) Communicate with the power rear gate CM using the Subaru Select Monitor.

Is communication possible-

The circuit has returned to a normal condition at this time. Reproduce the failure, and then perform the diagnosis again.

NOTE:

In this case, temporary poor contact of connector, temporary open or short circuit of harness may be the cause.

Replace the power rear gate CM. Power Rear Gate Control Module

Subaru select monitor
...

Operation
• For detailed operation procedures, refer to “Application help”.• When communication with Subaru Select Monitor is not possible, perform “COMMUNICATION FOR INITIALIZING ...

Other materials:

Dtc u0426 invalid data received from immobilizer control module
DTC DETECTING CONDITION:Invalid data was transmitted from immobilizer CM.TROUBLE SYMPTOM:Immobilizer does not operate normally.STEPCHECKYESNO1.CHECK PERFORMING OF BASIC DIAGNOSTIC PROCEDURE.Was the basic diagnostic procedure performed up to STEP 8- Diagnostic Procedure with Diagnostic Trouble Code ( ...

© 2017-2026 Copyright www.sulegacy.com