Honda Civic manuals

Subaru Legacy BN/BS (2015-2019) Service Manual: Component

1. FRONT DISC BRAKE

16-inch

(1)

Support - front disc brake

(9)

Piston - disc brake

(17)

Shim - disc brake front inner A

(2)

Pad clip - front brake

(10)

Piston boot

(18)

Shim - disc brake front inner B

(3)

Caliper body

(11)

Lock pin - front brake

(19)

Disc rotor (ventilated type)

(4)

Bleeder - screw

(12)

Lock pin - sleeve

(5)

Cap - bleeder

(13)

Shim - disc brake front outer

Tightening torque: N·m (kgf-m, ft-lb)

(6)

Guide pin - front brake

(14)

Pad - disc brake front outer

T1:

8 (0.8, 5.9)

(7)

Pin boot

(15)

Spring - brake pad

T2:

50 (5.1, 36.9)

(8)

Piston seal

(16)

Pad - disc brake front inner

T3:

120 (12.2, 88.5)

17-inch

(1)

Support - front disc brake

(9)

Piston - disc brake

(17)

Disc rotor (ventilated type)

(2)

Pad clip - front brake

(10)

Piston boot

(3)

Caliper body

(11)

Lock pin - front brake

Tightening torque: N·m (kgf-m, ft-lb)

(4)

Bleeder - screw

(12)

Lock pin - sleeve

T1:

8 (0.8, 5.9)

(5)

Cap - bleeder

(13)

Shim - disc brake front outer

T2:

27 (2.8, 20.3)

(6)

Guide pin - front brake

(14)

Pad - disc brake front outer

T3:

120 (12.2, 88.5)

(7)

Pin boot

(15)

Pad - disc brake front inner

(8)

Piston seal

(16)

Shim - disc brake front inner

2. REAR DISC BRAKE

(1)

Support - rear disc brake

(8)

Pin boot

Tightening torque: N·m (kgf-m, ft-lb)

(2)

Guide pin - rear brake

(9)

Piston boot

T1:

8 (0.8, 5.9)

(3)

Parking brake actuator ASSY

(10)

Caliper body

T2:

17 (1.7, 12.5)

(4)

O-ring

(11)

Pad - disc brake rear inner

T3:

25 (2.5, 18.4)

(5)

Cap

(12)

Pad - disc brake rear outer

T4:

66 (6.7, 48.7)

(6)

Bleeder - screw

(13)

Pad clip

(7)

Cap - bleeder

(14)

Disc rotor (ventilated type)

*: The component cannot be reused when the emergency release of parking brake was performed or when the actuator has a malfunction.

3. MASTER CYLINDER

H4 model

(1)

Cap - reservoir tank

(6)

Cylinder body ASSY

Tightening torque: N·m (kgf-m, ft-lb)

(2)

Filter - master cylinder

(7)

Seal

T:

13 (1.3, 9.6)

(3)

Caution label (model with caution label)

(8)

Reservoir tank

(4)

Seal sub ASSY

(9)

Pin

(5)

Bracket - master cylinder

(10)

Level - indicator

H6 model

(1)

Cap - reservoir tank

(6)

Bracket - master cylinder

(11)

Level - indicator

(2)

Filter - master cylinder

(7)

Cylinder body ASSY

(3)

Caution label (model with caution label)

(8)

Seal

Tightening torque: N·m (kgf-m, ft-lb)

(4)

Seal sub ASSY

(9)

Reservoir tank

T:

13 (1.3, 9.6)

(5)

Nut

(10)

Pin

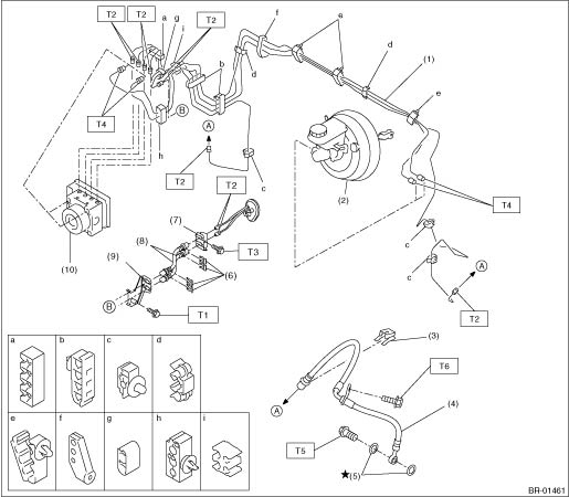
4. FRONT BRAKE PIPES AND HOSES

Models without EyeSight

(1)

Bracket

(5)

Front brake hose RH/LH

Tightening torque: N·m (kgf-m, ft-lb)

(2)

Connector - two-way

(6)

Gasket

T1:

15 (1.5, 11.1)

(3)

Front brake pipe ASSY

(7)

Clamp

T2:

18 (1.8, 13.3)

(4)

Master cylinder ASSY

(8)

VDC control module and hydraulic control unit (VDCCM&H/U)

T3:

19 (1.9, 14.0)

T4:

26 (2.7, 19.2)

T5:

33 (3.4, 24.3)

Models with EyeSight

(1)

Front brake pipe ASSY

(6)

Clamp

Tightening torque: N·m (kgf-m, ft-lb)

(2)

Master cylinder ASSY

(7)

Bracket

T1:

7.5 (0.8, 5.5)

(3)

Clamp

(8)

Brake hose ASSY

T2:

15 (1.5, 11.1)

(4)

Front brake hose RH/LH

(9)

Bracket

T3:

18 (1.8, 13.3)

(5)

Gasket

(10)

VDC control module and hydraulic control unit (VDCCM&H/U)

T4:

19 (1.9, 14.0)

T5:

26 (2.7, 19.2)

T6:

33 (3.4, 24.3)

5. CENTER AND REAR BRAKE PIPES AND HOSES

(1)

Center brake pipe ASSY

(5)

Gasket

Tightening torque: N·m (kgf-m, ft-lb)

(2)

Bracket

(6)

Rear brake hose RH/LH

T1:

15 (1.5, 11.1)

(3)

Connector

(7)

Clamp

T2:

18 (1.8, 13.3)

(4)

Rear brake pipe ASSY

T3:

26 (2.7, 19.2)

T4:

33 (3.4, 24.3)

6. BRAKE BOOSTER

H4 model

(1)

Vacuum booster ASSY

(3)

Gasket (model with EyeSight)

Tightening torque: N·m (kgf-m, ft-lb)

(2)

Vacuum hose

(4)

Gasket

T:

18 (1.8, 13.3)

H6 model

(1)

Vacuum booster ASSY

(3)

Gasket (model with EyeSight)

Tightening torque: N·m (kgf-m, ft-lb)

(2)

Vacuum hose

(4)

Gasket

T:

18 (1.8, 13.3)

7. BRAKE PEDAL

CVT model

(1)

Brake pedal ASSY

(4)

Snap pin

Tightening torque: N·m (kgf-m, ft-lb)

(2)

Stop light switch

(5)

Brake pedal stopper

T1:

8 (0.8, 5.9)

(3)

Brake pedal pad

(6)

Clevis pin

T2:

18 (1.8, 13.3)

MT model

(1)

Clutch switch

(11)

Clutch pedal stopper

(20)

Clevis pin

(2)

Stop light switch

(12)

Clutch pedal pad

(21)

Master cylinder ASSY

(3)

Bushing

(13)

Clutch pedal

(22)

Clip

(4)

Spacer

(14)

Torsion spring bushing

(23)

Pedal bracket

(5)

Snap pin

(15)

Torsion spring

(6)

Brake pedal

(16)

Assist bushing

Tightening torque: N·m (kgf-m, ft-lb)

(7)

Brake pedal pad

(17)

Band

T1:

8 (0.8, 5.9)

(8)

Clevis pin

(18)

Sensor harness

T2:

18 (1.8, 13.3)

(9)

Brake pedal stopper

(19)

Clutch start switch

T3:

30 (3.1, 22.1)

(10)

Bushing A

Preparation tool
1. SPECIAL TOOLILLUSTRATIONTOOL NUMBERDESCRIPTIONREMARKS — (Newly adopted tool)SUBARU SELECT MONITOR 4Used for setting of each function and troubleshooting for electrical system.NOTE:For detailed op ...

Master cylinder
...

Other materials:

Dtc b1835 short in curtain airbag lh squib circuit
DIAGNOSIS START CONDITION:Ignition voltage is 10 V to 16 V.DTC DETECTING CONDITION:Shorted between +/− lines (shorted between main harness lines, shorted between curtain airbag LH lines, shorted between airbag CM internal lines)CAUTION:Before performing diagnosis, refer to “CAUTION&rdquo ...

© 2017-2026 Copyright www.sulegacy.com