Honda Civic manuals

Subaru Legacy BN/BS (2015-2019) Service Manual: Component

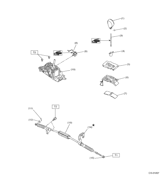
1. AT SELECT LEVER

(1)

Grip ASSY

(8)

Cushion solenoid

(15)

Nut

(2)

Clamp grip pin

(9)

Solenoid unit

(3)

Rod COMPL

(10)

Selector lever COMPL

Tightening torque: N·m (kgf-m, ft-lb)

(4)

Cover grip AT

(11)

Snap pin

T1:

7.5 (0.8, 5.5)

(5)

Indicator cover

(12)

Washer

T2:

18 (1.8, 13.3)

(6)

Housing

(13)

Select cable

(7)

Blind

(14)

Clamp

2. 6MT GEAR SHIFT LEVER

(1)

Shift knob

(9)

Clamp

(17)

Select bracket

(2)

Shift boot

(10)

Clamp cable

(18)

Shift bracket

(3)

Console front cover ASSY

(11)

Dust cover

(4)

Gear shift lever ASSY

(12)

Snap pin

Tightening torque: N·m (kgf-m, ft-lb)

(5)

Cover cable ASSY

(13)

Shift lever COMPL

T1:

7.5 (0.8, 5.5)

(6)

Plate cable ASSY

(14)

Spring pin

T2:

15 (1.5, 11.1)

(7)

MT gear select cable (identification tape color: green)

(15)

Shifter arm No. 2

T3:

18 (1.8, 13.3)

(8)

MT gear shift cable (identification tape color: yellow)

(16)

Selector lever

*: Always use new MT gear select cable if the cable is removed from select lever COMPL of transmission side.

Caution
• Remove contamination including dirt and corrosion before removal, installation or disassembly.• Keep the disassembled parts in order and protect them from dust and dirt.• Before re ...

Mt gear select cable
...

Other materials:

Dtc b1821 open in side airbag rh
DIAGNOSIS START CONDITION:Ignition voltage is 10 V to 16 V.DTC DETECTING CONDITION:Open circuit failure (open circuit in main harness, open circuit in front seat side airbag RH, open circuit in airbag CM internal circuit, connector connection failure)NOTE:Before starting work, prepare two sets of TE ...

© 2017-2025 Copyright www.sulegacy.com