Honda Civic manuals

Subaru Legacy BN/BS (2015-2019) Service Manual: Component

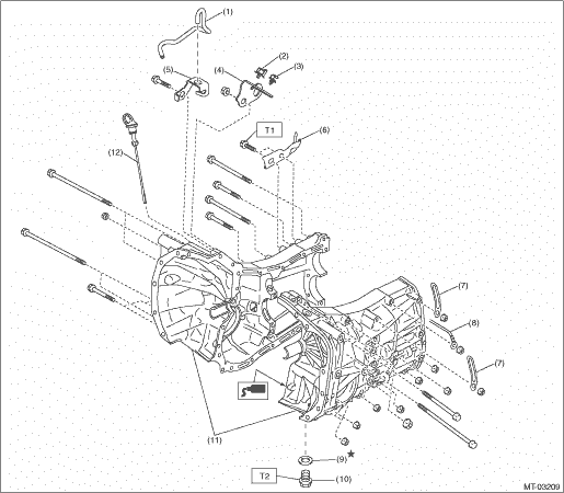
1. TRANSMISSION CASE

(1)

Air breather hose

(7)

Harness clip

(2)

Clamp

(8)

Transmission radio ground cord

Tightening torque: N·m (kgf-m, ft-lb)

(3)

Hose clamp

(9)

Gasket

T1:

18 (1.8, 13.3)

(4)

Harness bracket

(10)

Drain plug

T2:

44 (4.5, 32.5) (aluminum gasket, silver)

(5)

Air breather hose bracket

(11)

Transmission case ASSY

70 (7.1, 51.6) (copper gasket, brown)

(6)

Select bracket

(12)

Oil level gauge

70 (7.1, 51.6) (metal gasket, black)

Transmission case tightening torque

Bolt No.

Bolt size

mm

Tightening torque: N·m (kgf-m, ft-lb)

(5) — (15)

8

25 (2.5, 18.4)

(1) — (4)

(16), (17)

10

40 (4.1, 29.5)

2. DRIVE PINION SHAFT ASSEMBLY

(1)

Drive pinion shaft

(15)

1st-2nd shifting insert

(29)

Lock nut

(2)

Roller bearing

(16)

1st-2nd coupling sleeve

(30)

Adjusting washer

(3)

Washer

(17)

2nd outer baulk ring

(31)

Thrust bearing

(4)

Thrust bearing

(18)

2nd synchro cone

(32)

Differential bevel gear sleeve

(5)

Needle bearing

(19)

2nd inner baulk ring

(33)

Washer

(6)

Driven shaft

(20)

2nd driven gear

(34)

Lock washer

(7)

Key

(21)

2nd driven gear bushing

(35)

Lock nut

(8)

Drive pinion collar

(22)

3rd-4th driven gear

(9)

Needle bearing

(23)

Drive pinion shim

Tightening torque: N·m (kgf-m, ft-lb)

(10)

1st driven gear

(24)

Double ball bearing

T1:

30 (3.1, 22.1)

(11)

1st inner baulk ring

(25)

5th driven gear

T2:

126 (12.8, 92.9)

(12)

1st synchro cone

(26)

Drive pinion spacer

T3:

440 (44.9, 324.5)

(13)

1st outer baulk ring

(27)

6th driven gear

(14)

1st-2nd synchronizer hub

(28)

Ball bearing

3. MAIN SHAFT ASSY

(1)

Oil seal

(13)

4th drive gear

(25)

5th-6th coupling sleeve

(2)

Needle bearing

(14)

4th needle bearing race

(26)

6th baulk ring

(3)

Main shaft

(15)

4th needle bearing

(27)

6th drive gear

(4)

3rd needle bearing

(16)

4th gear thrust washer

(28)

6th needle bearing race

(5)

3rd drive gear

(17)

Double taper roller bearing

(29)

6th needle bearing

(6)

3rd inner baulk ring

(18)

5th needle bearing race

(30)

Ball bearing

(7)

3rd synchro cone

(19)

5th needle bearing

(31)

Lock washer

(8)

3rd outer baulk ring

(20)

Main shaft rear plate

(32)

Lock nut

(9)

3rd-4th coupling sleeve

(21)

5th drive gear

(10)

3rd-4th synchronizer hub

(22)

5th baulk ring

Tightening torque: N·m (kgf-m, ft-lb)

(11)

3rd-4th shifting insert

(23)

5th-6th synchronizer hub

T:

160 (16.3, 118.0)

(12)

4th baulk ring

(24)

5th-6th shifting insert

4. REVERSE IDLER GEAR ASSY

(1)

Reverse idler gear shaft

(9)

Reverse idler gear

(17)

Gasket

(2)

Reverse idler gear washer

(10)

Reverse idler gear collar

(18)

Reverse idler spring

(3)

Thrust bearing

(11)

Needle bearing

(19)

Reverse idler sub gear

(4)

Needle bearing

(12)

Thrust bearing

(20)

Friction plate

(5)

Reverse idler gear No. 2

(13)

Reverse idler gear washer

(21)

Snap ring

(6)

Reverse coupling sleeve

(14)

Oil case guide

(7)

Reverse baulk ring

(15)

Reverse idler gear bushing

Tightening torque: N·m (kgf-m, ft-lb)

(8)

Reverse shifting insert

(16)

Snap ring

T:

25 (2.5, 18.4)

5. SHIFTER FORK AND SHIFTER ROD

(1)

Shifter arm

(8)

3rd-4th shifter fork

(15)

Checking ball plug

(2)

Selector arm

(9)

3rd-4th fork rod

(16)

Checking ball spring

(3)

Straight pin

(10)

1st-2nd shifter fork

(17)

Check ball

(4)

Reverse shifter fork

(11)

1st-2nd fork rod

(18)

Gasket

(5)

Reverse fork rod

(12)

Interlock plunger

(6)

5th-6th shifter fork

(13)

Interlock plunger

Tightening torque: N·m (kgf-m, ft-lb)

(7)

5th-6th fork rod

(14)

Interlock plunger

T:

20 (2.0, 14.8)

6. TRANSFER CASE AND EXTENSION

(1)

Shifter arm

(15)

Adjusting washer

(29)

Snap ring

(2)

Interlock plate

(16)

Transfer drive gear

(3)

Gasket

(17)

Ball bearing

Tightening torque: N·m (kgf-m, ft-lb)

(4)

Transfer case

(18)

Snap ring

T1:

15 (1.5, 11.1)

(5)

Transmission hanger

(19)

Extension case

T2:

18 (1.8, 13.3)

(6)

Gasket

(20)

Bushing

T3:

20 (2.0, 14.8)

(7)

Neutral position switch

(21)

Oil seal

T4:

24.5 (2.5, 18.1)

(8)

Back-up light switch

(22)

Dust cover

T5:

26 (2.7, 19.2)

(9)

Taper roller bearing (transfer case side)

(23)

Dust cover (OUTBACK model)

T6:

32.3 (3.3, 23.8)

(10)

Transfer driven gear

(24)

Shift bracket

T7:

40 (4.1, 29.5)

(11)

Taper roller bearing (extension case side)

(25)

Oil guide

(12)

Adjusting washer

(26)

Gasket

(13)

Ball bearing

(27)

Precoat bolt

(14)

Center differential

(28)

Needle bearing

7. SHIFT LINK ASSEMBLY

(1)

Selector lever COMPL

(11)

Thrust bearing

(21)

Seal ring

(2)

Selector arm No. 2

(12)

Oil seal

(22)

Needle bearing

(3)

Shifter arm collar

(13)

Straight pin

(23)

Roller bearing

(4)

Neutral set spring

(14)

Transfer case

(24)

Precoat bolt

(5)

Straight pin

(15)

Gasket

(6)

Selector arm

(16)

Checking ball spring

Tightening torque: N·m (kgf-m, ft-lb)

(7)

Shifter arm

(17)

Shift accent plunger

T1:

6.4 (0.7, 4.7)

(8)

Shift lever COMPL

(18)

Seal bolt

T2:

20 (2.0, 14.8)

(9)

Shifter arm No. 2

(19)

Interlock plate

T3:

25 (2.5, 18.4)

(10)

Adjusting washer

(20)

Transmission cover

8. FRONT DIFFERENTIAL

(1)

Drive pinion shaft

(7)

Differential bevel pinion

(13)

Retainer lock plate

(2)

Hypoid driven gear

(8)

Taper roller bearing

(14)

Front oil guide

(3)

Pinion shaft

(9)

Differential case

(4)

Straight pin

(10)

Oil seal

Tightening torque: N·m (kgf-m, ft-lb)

(5)

Adjusting washer

(11)

Differential side retainer

T1:

25 (2.5, 18.4)

(6)

Differential bevel gear

(12)

O-ring

T2:

62 (6.3, 45.7)

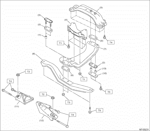
9. TRANSMISSION MOUNTING

(1)

Spacer

(7)

Center crossmember

(13)

Spacer

(2)

Lower cushion rubber

(8)

Front crossmember

(3)

Front plate

(9)

Rear cushion rubber

Tightening torque: N·m (kgf-m, ft-lb)

(4)

Transmission cushion rubber

(10)

Rear plate

T1:

35 (3.6, 25.8)

(5)

Rear crossmember

(11)

Transmission main mounting bracket (RH)

T2:

45 (4.6, 33.2)

(6)

Upper cushion rubber

(12)

Transmission main mounting bracket (LH)

T3:

70 (7.1, 51.6)

T4:

75 (7.6, 55.3)

T5:

140 (14.3, 103.3)

Preparation tool
1. SPECIAL TOOLILLUSTRATIONTOOL NUMBERDESCRIPTIONREMARKS899524100PULLER SETUsed for removing the front differential taper roller bearing.(1) Puller(2) Cap399780104WEIGHTUsed for adjusting preload on t ...

Main shaft assembly
...

Other materials:

Dtc c2521 speed abnormal
DTC DETECTING CONDITION:Detected when transmitter normal signal is received at a vehicle speed of less than 6 km/h (4 MPH).TROUBLE SYMPTOM:Tire pressure warning light blinks 25 times and then illuminates.WIRING DIAGRAM:NOTE:For the coupling connector, refer to “WIRING SYSTEM”.Tire Pressu ...

© 2017-2025 Copyright www.sulegacy.com