Honda Civic manuals

Subaru Legacy BN/BS (2015-2019) Service Manual: Disassembly

To detect the real cause of trouble, inspect the following items before disassembling.

Tooth contact and backlash between hypoid driven gear and drive pinion

Hypoid driven gear runout on its back surface

Total preload of drive pinion

1. Set the ST on vise and install the differential assembly to ST.

ST 398217700ATTACHMENT SET

2. Remove the drain plug and filler plug.

3. Remove the air breather cap.

NOTE:

Do not attempt to remove the air breather cap unless necessary.

Whenever the air breather cap is removed, replace it with a new part.

(A)

Air breather cap

(B)

Rear cover

4. Remove the bolts, and then remove the rear cover.

5. Remove the stud bolts from rear cover if necessary.

6. Remove the side retainer attachment bolts, set the ST to differential case, and extract the side retainers RH and LH with a puller.

NOTE:

Side retainer shim of each side should be kept together with its mating retainer.

Keep the side retainers separate by attaching tags or in similar ways to make it possible to identify RH and LH sides during reassembly.

ST 398457700ATTACHMENT

7. Pull out the differential case assembly from the differential carrier.

NOTE:

Be careful not to hit the teeth of hypoid driven gear against the differential carrier.

8. Remove the oil seal and O-ring from the side retainer.

9. When replacing the side bearing, remove the bearing race from the side retainer using ST.

ST 398527700PULLER ASSY

10. Using the ST, remove the bearing cone.

NOTE:

Do not attempt to disassemble the parts unless necessary.

Set the ST so that its claws catch the edge of the bearing cone.

Never mix up the RH and LH bearing races and cones.

ST 18759AA000PULLER ASSY

11. Remove the hypoid driven gear by loosening hypoid driven gear bolts.

12. Remove the pinion shaft lock pin from hypoid driven gear side using ST.

ST 899904100STRAIGHT PIN REMOVER

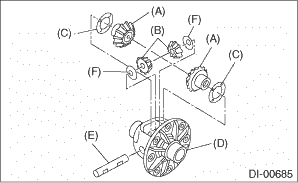
13. Draw out the pinion mate shaft, and remove pinion mate gears, pinion mate gear washers, side gears, and side gear thrust washers.

NOTE:

The gears and washers should be marked with RH or LH, front or rear, or kept separately.

(A)

Side gear

(B)

Pinion mate gear

(C)

Side gear thrust washer

(D)

Differential case

(E)

Pinion mate shaft

(F)

Pinion mate gear washer

14. Remove the self-locking nut while securing the companion flange with ST.

ST 498427200FLANGE WRENCH

15. Extract the companion flange with a puller.

(A)

Companion flange

(B)

Puller

16. Press the end of drive pinion shaft using ST and remove the rear bearing cone, preload adjusting spacer and washer.

NOTE:

Hold the drive pinion so as not to drop it.

ST 398467700DRIFT

17. Remove the rear bearing cone from drive pinion by supporting the cone with ST.

NOTE:

Place the replacer so that its center-recessed side faces the bearing cone.

ST 398517700REPLACER

18. Remove the front oil seal from differential carrier using ST.

ST 398527700PULLER ASSY

(A)

Differential carrier

(B)

Front oil seal

19. Remove the pilot bearing together with the front bearing cone and spacer using the ST.

ST 398467700DRIFT

(A)

Pilot bearing

(B)

Spacer

(C)

Front bearing

(D)

Rear bearing race

20. When replacing the bearings, use a brass bar to tap out the front bearing race and rear bearing race in this order to remove them.

(A)

2 cutout portions along diagonal lines

(B)

Tap alternately with brass bar.

Inspection
Wash all the disassembled parts clean, and examine them for wear, damage and other defects. Repair or replace the defective parts as necessary.1. Hypoid driven gear and drive pinion• If there is ...

Rear differential (va-type)
...

Other materials:

Dtc b2784 antenna circuit (push engine switch)
DTC DETECTING CONDITION:When open or short circuit occurs in the antenna coil.TROUBLE SYMPTOM:The keyless access function may not be operable.CAUTION:For replacement procedure of keyless access CM, refer to the “REGISTRATION MANUAL FOR IMMOBILIZER” provided as a separate volume.WIRING DI ...

© 2017-2026 Copyright www.sulegacy.com