Honda Civic manuals

Subaru Legacy BN/BS (2015-2019) Service Manual: Dtc b1802 short in driver's airbag (to ground)

DIAGNOSIS START CONDITION:

Ignition voltage is 10 V to 16 V.

DTC DETECTING CONDITION:

GND short circuit failure (shorted to ground in main harness, shorted to ground in roll connector, shorted to ground in driver’s airbag, shorted to ground in airbag CM internal circuit)

CAUTION:

Before performing diagnosis, refer to “CAUTION” in “General Description”. General Description > CAUTION

NOTE:

Prior to starting work, prepare two AIRBAG RESISTORs (98299PA040).

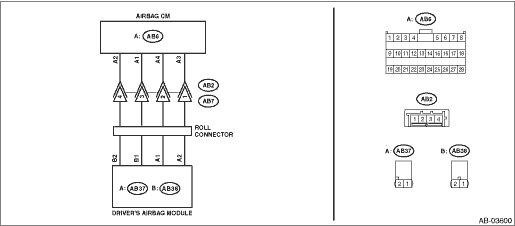
WIRING DIAGRAM:

Airbag system Airbag System > WIRING DIAGRAM

STEPCHECKYESNO

1.CHECK POOR CONTACT OF CONNECTORS.

Check for poor contact of the connectors between the airbag control module and the driver’s airbag module.

Is there poor contact-

Replace the airbag harness.

Diagnostic Chart with Trouble Code > DTC B1802 SHORT IN DRIVER'S AIRBAG (TO GROUND)

2.CHECK DRIVER’S AIRBAG MODULE.

1) Turn the ignition switch to OFF, disconnect the battery ground cable, and wait for 60 seconds or more.

2) Remove the driver’s airbag module.

3) Connect the connector (1N) in the test harness N to the connector (AB38).

4) Connect the airbag resistor to the connector (2N) of test harness N.

5) Connect the connector (1Q) in the test harness Q to connector (AB37).

6) Connect the airbag resistor to the connector (2Q) in the test harness Q.

7) Connect the battery ground terminal and turn the ignition switch to ON.

Does the airbag warning light illuminate for six seconds and go off-

Replace the driver’s airbag module. Driver’s Airbag Module

Diagnostic Chart with Trouble Code > DTC B1802 SHORT IN DRIVER'S AIRBAG (TO GROUND)

3.CHECK ROLL CONNECTOR (SHORTED TO GROUND).

1) Turn the ignition switch to OFF, disconnect the battery ground cable, and wait for 60 seconds or more.

2) Remove the instrument panel lower cover and column cover, and disconnect the connector (AB7) from (AB2).

3) Disconnect the airbag resistor from the connector (2N) in test harness N and from the connector (2Q) in test harness Q.

4) Measure the resistance between connector (2Q) in the test harness Q and chassis ground.

Connector & terminal

(2Q) No. 1 — Chassis ground:

(2Q) No. 2 — Chassis ground:

Is the resistance 1 M- or more-

Diagnostic Chart with Trouble Code > DTC B1802 SHORT IN DRIVER'S AIRBAG (TO GROUND)

Replace the roll connector. Roll Connector

4.CHECK AIRBAG MAIN HARNESS (DRIVER’S AIRBAG HARNESS) (SHORTED TO GROUND).

1) Disconnect the test harness N from connector (AB38).

2) Disconnect the test harness Q from connector (AB37).

3) Remove the console front panel and disconnect the connector (AB9).

4) Disconnect the connectors (AB6, AB17, AB18) from airbag control module.

5) Connect the connector (1AD) in test harness AD AV to the connectors (AB6, AB17, AB18).

6) Connect the connector (2AD) in test harness AD AV and the connector (1AG) in test harness AG.

7) Measure the resistance between connector (3AG) in the test harness AG and chassis ground.

Connector & terminal

(3AG) No. 1 — Chassis ground:

(3AG) No. 3 — Chassis ground:

Is the resistance 1 M- or more-

Diagnostic Chart with Trouble Code > DTC B1802 SHORT IN DRIVER'S AIRBAG (TO GROUND)

Replace the airbag main harness along with body harness.

5.CHECK AIRBAG CONTROL MODULE.

1) Connect all connectors.

2) Clear the memory. Clear Memory Mode

3) Perform the Inspection Mode. Inspection Mode

4) Read the DTC. (Current malfunction) Read Diagnostic Trouble Code (DTC)

Is DTC B1802 displayed-

Replace the airbag control module. Airbag Control Module

Diagnostic Chart with Trouble Code > DTC B1802 SHORT IN DRIVER'S AIRBAG (TO GROUND)

6.CHECK FOR ANY OTHER DTC ON DISPLAY.

Read the DTC. (Current malfunction) Read Diagnostic Trouble Code (DTC)

Is any other DTC displayed-

Check DTC using “List of Diagnostic Trouble Code (DTC)”. List of Diagnostic Trouble Code (DTC)

Finish the diagnosis.

Dtc b1803 short in driver's airbag (to +b)
DIAGNOSIS START CONDITION:Ignition voltage is 10 V to 16 V.DTC DETECTING CONDITION:Short circuit failure in power supply (shorted in main harness power supply, shorted in roll connector power supply, ...

Dtc b1801 open in driver's airbag
DIAGNOSIS START CONDITION:Ignition voltage is 10 V to 16 V.DTC DETECTING CONDITION:Open circuit failure (open circuit in main harness, open circuit in roll connector, open circuit in driver’s ai ...

Other materials:

Dtc b1813 short in driver's airbag dual stage - 2nd step circuit (to +b)
DIAGNOSIS START CONDITION:Ignition voltage is 10 V to 16 V.DTC DETECTING CONDITION:Short circuit failure in power supply (shorted in main harness power supply, shorted in roll connector power supply, shorted in driver’s airbag power supply, shorted in airbag CM internal circuit power supply)CA ...

© 2017-2026 Copyright www.sulegacy.com