Honda Civic manuals

Subaru Legacy BN/BS (2015-2019) Service Manual: Dtc b1811 open in driver's airbag dual stage - 2nd step

DIAGNOSIS START CONDITION:

Ignition voltage is 10 V to 16 V.

DTC DETECTING CONDITION:

Open circuit failure (open circuit in main harness, open circuit in roll connector, open circuit in driver’s airbag, open circuit in airbag CM internal circuit, connector connection failure)

CAUTION:

Before performing diagnosis, refer to “CAUTION” in “General Description”. General Description > CAUTION

NOTE:

Prior to starting work, prepare two AIRBAG RESISTORs (98299PA040).

WIRING DIAGRAM:

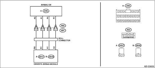
Airbag system Airbag System > WIRING DIAGRAM

STEPCHECKYESNO

1.CHECK POOR CONTACT OF CONNECTORS.

Check for poor contact of the connectors between the airbag control module and the driver’s airbag module.

Is there poor contact-

Replace the airbag harness.

Diagnostic Chart with Trouble Code > DTC B1811 OPEN IN DRIVER'S AIRBAG DUAL STAGE - 2ND STEP

2.CHECK DRIVER’S AIRBAG MODULE.

1) Turn the ignition switch to OFF, disconnect the battery ground cable, and wait for 60 seconds or more.

2) Remove the driver’s airbag module.

3) Connect the connector (1N) in the test harness N to the connector (AB38).

4) Connect the airbag resistor to the connector (2N) of test harness N.

5) Connect the connector (1Q) in the test harness Q to connector (AB37).

6) Connect the airbag resistor to the connector (2Q) in the test harness Q.

7) Connect the battery ground terminal and turn the ignition switch to ON.

Does the airbag warning light illuminate for six seconds and go off-

Replace the driver’s airbag module. Driver’s Airbag Module

Diagnostic Chart with Trouble Code > DTC B1811 OPEN IN DRIVER'S AIRBAG DUAL STAGE - 2ND STEP

3.CHECK ROLL CONNECTOR AND AIRBAG MAIN HARNESS (DRIVER’S AIRBAG HARNESS).

1) Turn the ignition switch to OFF, disconnect the battery ground cable, and wait for 60 seconds or more.

2) Remove the console front panel and disconnect the connector (AB9).

3) Disconnect the airbag resistor from the connector (2N) in test harness N.

4) Disconnect the airbag resistor from the connector (2Q) of test harness Q.

5) Disconnect the connectors (AB6, AB17, AB18) from airbag control module.

6) Measure the resistance between connector (2N) terminals in test harness N.

Connector & terminal

(2N) No. 1 — (2N) No. 2:

Is the resistance less than 10 --

Diagnostic Chart with Trouble Code > DTC B1811 OPEN IN DRIVER'S AIRBAG DUAL STAGE - 2ND STEP

Diagnostic Chart with Trouble Code > DTC B1811 OPEN IN DRIVER'S AIRBAG DUAL STAGE - 2ND STEP

4.CHECK ROLL CONNECTOR.

1) Remove the instrument panel lower cover and column cover, and disconnect the connector (AB7) from (AB2).

2) Measure the resistance between connector (2N) terminals in test harness N.

Connector & terminal

(2N) No. 1 — (2N) No. 2:

Is the resistance less than 10 --

Replace the airbag main harness along with body harness.

Replace the roll connector. Roll Connector

5.CHECK AIRBAG CONTROL MODULE.

1) Connect all connectors.

2) Clear the memory. Clear Memory Mode

3) Perform the Inspection Mode. Inspection Mode

4) Read the DTC. (Current malfunction) Read Diagnostic Trouble Code (DTC)

Is DTC B1811 displayed-

Replace the airbag control module. Airbag Control Module

Diagnostic Chart with Trouble Code > DTC B1811 OPEN IN DRIVER'S AIRBAG DUAL STAGE - 2ND STEP

6.CHECK FOR ANY OTHER DTC ON DISPLAY.

Read the DTC. (Current malfunction) Read Diagnostic Trouble Code (DTC)

Is any other DTC displayed-

Check DTC using “List of Diagnostic Trouble Code (DTC)”. List of Diagnostic Trouble Code (DTC)

Finish the diagnosis.

Dtc b1812 short in driver's airbag dual stage - 2nd step (to ground)
DIAGNOSIS START CONDITION:Ignition voltage is 10 V to 16 V.DTC DETECTING CONDITION:GND short circuit failure (shorted to ground in main harness, shorted to ground in roll connector, shorted to ground ...

Dtc b1810 short in driver's airbag dual stage - 2nd step
DIAGNOSIS START CONDITION:Ignition voltage is 10 V to 16 V.DTC DETECTING CONDITION:Open circuit failure (open circuit in main harness, open circuit in roll connector, open circuit in driver’s ai ...

Other materials:

Specification
Model2.5 L non-turboTransmission type6MTClutch coverTypePush typeDiaphragm set loadN (kgf, lbf)5,688 (580, 1,279)Clutch discFacing materialWoven (non-asbestos)O.D. - I.D. - Thicknessmm (in)Flywheel side230 - 155 - 3.2 (9.06 - 6.10 - 0.126)Clutch cover side230 - 155 - 3.5 (9.06 - 6.10 - 0.138)Spline ...

© 2017-2025 Copyright www.sulegacy.com