Honda Civic manuals

Subaru Legacy BN/BS (2015-2019) Service Manual: Dtc b2271 ign relay control circuit

DTC DETECTING CONDITION:

When malfunction is detected in IG1 and IG2 drive circuits in the keyless access CM.

When malfunction is detected in IG hold circuit in the keyless access CM.

TROUBLE SYMPTOM:

Not all functions operate at IGN ON.

CAUTION:

For replacement procedure of keyless access CM, refer to the “REGISTRATION MANUAL FOR IMMOBILIZER” provided as a separate volume.

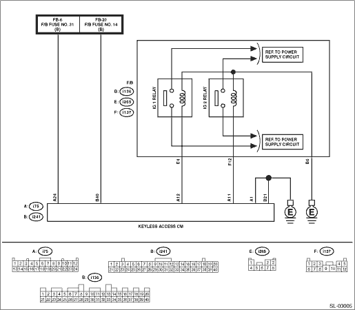
WIRING DIAGRAM:

NOTE:

For the coupling connector, refer to “WIRING SYSTEM”.

Keyless access with push button start system Keyless Access With Push Button Start System > WIRING DIAGRAM

STEPCHECKYESNO

1.CHECK LAN SYSTEM.

Inspect LAN system. Basic Diagnostic Procedure > PROCEDURE

Is LAN system normal-

Diagnostic Procedure with Diagnostic Trouble Code (DTC) > DTC B2271 IGN RELAY CONTROL CIRCUIT

Perform the inspection according to the diagnosis for LAN system.

2.CHECK FUSE.

Check the fuse. Relay and Fuse > INSPECTION

Is the fuse OK-

Diagnostic Procedure with Diagnostic Trouble Code (DTC) > DTC B2271 IGN RELAY CONTROL CIRCUIT

Replace the fuse. When the replaced fuse is blown immediately, check the power supply circuit for short-circuited.

3.CHECK HARNESS.

1) Disconnect the keyless access CM connector.

2) Using a tester, measure the voltage between the keyless access CM connector and chassis ground.

Connector & terminal

(i75) No. 24 (+) — Chassis ground (−):

(i241) No. 40 (+) — Chassis ground (−):

Is the voltage 9.5 — 16 V-

Diagnostic Procedure with Diagnostic Trouble Code (DTC) > DTC B2271 IGN RELAY CONTROL CIRCUIT

Check the power supply circuit.

4.CHECK HARNESS.

Using a tester, measure the resistance between the keyless access CM connector and chassis ground.

Connector & terminal

(i241) No. 21 — Chassis ground:

(i75) No. 1 — Chassis ground:

Is the resistance less than 1 --

Diagnostic Procedure with Diagnostic Trouble Code (DTC) > DTC B2271 IGN RELAY CONTROL CIRCUIT

Repair or replace the open circuit of harness.

5.CHECK HARNESS.

1) Disconnect the keyless access CM connector.

2) Using a tester, measure the resistance between the keyless access CM connector and chassis ground.

Connector & terminal

(i75) No. 11 — Chassis ground:

Is resistance 74.15 — 460.88 -- (20°C)

Diagnostic Procedure with Diagnostic Trouble Code (DTC) > DTC B2271 IGN RELAY CONTROL CIRCUIT

Check IG relay 2. Diagnostic Procedure with Diagnostic Trouble Code (DTC) > DTC B2271 IGN RELAY CONTROL CIRCUIT

6.CHECK HARNESS.

1) Disconnect the keyless access CM connector.

2) Using a tester, measure the resistance between the keyless access CM connector and chassis ground.

Connector & terminal

(i75) No. 12 — Chassis ground:

Is resistance 50.87 — 72.17 -- (20°C)

Diagnostic Procedure with Diagnostic Trouble Code (DTC) > DTC B2271 IGN RELAY CONTROL CIRCUIT

Check IG relay 1. Diagnostic Procedure with Diagnostic Trouble Code (DTC) > DTC B2271 IGN RELAY CONTROL CIRCUIT

7.CHECK RELAY.

Perform unit inspection of IG relay 1 and IG relay 2. Relay and Fuse > INSPECTION

Is the relay OK-

Diagnostic Procedure with Diagnostic Trouble Code (DTC) > DTC B2271 IGN RELAY CONTROL CIRCUIT

Replace the relay. Relay and Fuse

8.CHECK KEYLESS ACCESS CM.

1) Connect the keyless access CM connector.

2) Using a tester, measure the voltage between the terminals of keyless access CM connector.

Connector & terminal

(i75) No. 11 (+) — Chassis ground (−):

(i75) No. 12 (+) — Chassis ground (−):

Is the voltage 1 V or less > 9.5 — 16 V when ACC > IGN ON-

Even if DTC is displayed, the circuit has returned to a normal condition at this time. Reproduce the failure, and then perform the diagnosis again.

NOTE:

In this case, temporary poor contact of connector, temporary open or short circuit of harness may be the cause.

Replace the keyless access CM. Keyless Access CM > REMOVAL

Dtc b2274 acc relay control circuit
DTC DETECTING CONDITION:When malfunction is detected in ACC relay drive circuit in the keyless access CM or external circuit.TROUBLE SYMPTOM:Each function does not operate at the ACC position.CAUTION: ...

Dtc u0101 lost communication with tcm
Detected when CAN data from TCM does not arrive.NOTE:Perform the diagnosis for LAN system. Basic Diagnostic Procedure > PROCEDURE ...

Other materials:

Dtc b2276 acc relay off signal
DTC DETECTING CONDITION:When input error occurs in accessory relay cut input signal of keyless access CM.TROUBLE SYMPTOM:• The accessory power supply is not cut during engine start.• Starter rotation is slow.CAUTION:For replacement procedure of keyless access CM and ECM, refer to the &ld ...

© 2017-2025 Copyright www.sulegacy.com