Honda Civic manuals

Subaru Legacy BN/BS (2015-2019) Service Manual: Dtc b2282 vehicle speed signal correlation

DTC DETECTING CONDITION:

When the vehicle speed signal transmitted from VDC via solid line and the vehicle speed signal transmitted from VDC via CAN communication line do not match.

CAUTION:

For replacement procedure of keyless access CM, refer to the “REGISTRATION MANUAL FOR IMMOBILIZER” provided as a separate volume.

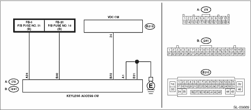
WIRING DIAGRAM:

NOTE:

For the coupling connector, refer to “WIRING SYSTEM”.

Keyless access with push button start system Keyless Access With Push Button Start System > WIRING DIAGRAM

STEPCHECKYESNO

1.CHECK LAN SYSTEM.

Inspect LAN system. Basic Diagnostic Procedure > PROCEDURE

Is LAN system normal-

Diagnostic Procedure with Diagnostic Trouble Code (DTC) > DTC B2282 VEHICLE SPEED SIGNAL CORRELATION

Perform the inspection according to the diagnosis for LAN system.

2.CHECK COMBINATION METER.

Check that the speedometer is displayed normally.

Is the meter display normal-

Diagnostic Procedure with Diagnostic Trouble Code (DTC) > DTC B2282 VEHICLE SPEED SIGNAL CORRELATION

Check the VDC. Basic Diagnostic Procedure > PROCEDURE

3.CHECK CURRENT DATA.

Check the current data display of «Keyless access with push button start» using Subaru Select Monitor. Read Current Data

«Vehicle speed signal»

Is the display normal according to the parked state or driving state-

Even if DTC is displayed, the circuit has returned to a normal condition at this time. Reproduce the failure, and then perform the diagnosis again.

NOTE:

In this case, temporary poor contact of connector, temporary open or short circuit of harness may be the cause.

Diagnostic Procedure with Diagnostic Trouble Code (DTC) > DTC B2282 VEHICLE SPEED SIGNAL CORRELATION

4.CHECK HARNESS (OPEN CIRCUIT).

1) Disconnect the keyless access CM connector.

2) Disconnect the VDC CM connector.

3) Using a tester, measure the resistance between the keyless access CM connector and VDC CM connector.

Connector & terminal

(i241) No. 32 — (B310) No. 24:

Is the resistance less than 1 --

Diagnostic Procedure with Diagnostic Trouble Code (DTC) > DTC B2282 VEHICLE SPEED SIGNAL CORRELATION

Repair or replace the open circuit of harness.

5.CHECK HARNESS (OPEN CIRCUIT).

Using a tester, measure the resistance between the keyless access CM connector and chassis ground.

Connector & terminal

(i241) No. 32 — Chassis ground:

Is the resistance 30 k- or more-

Diagnostic Procedure with Diagnostic Trouble Code (DTC) > DTC B2282 VEHICLE SPEED SIGNAL CORRELATION

Repair or replace the short circuit of the harness.

6.CHECK KEYLESS ACCESS CM.

1) Connect each connector.

2) Using the Subaru Select Monitor, measure the waveform between the terminals of keyless access CM.

Connector & terminal

(i241) No. 32 — Chassis ground:

Is 3.54 Hz displayed when the vehicle is driven at approx. 5 km/h- Or does the value change from 3.54 Hz when the vehicle stops-

Replace the keyless access CM. Keyless Access CM

Check the VDC. Basic Diagnostic Procedure > PROCEDURE

Dtc b2283 vehicle speed sensor
DTC DETECTING CONDITION:Either of the following malfunctions is detected. (Vehicle speed sensor failure is detected.)• Vehicle speed signal failure detection 1: Excessive deceleration detection& ...

Dtc b2277 submerging circuit
DTC DETECTING CONDITION:When the water-submersion detection circuit integrated into the keyless access CM detects the water submersion.TROUBLE SYMPTOM:• The ignition can be turned ON, but cannot ...

Other materials:

Adjustment
NOTE:Two persons are required to perform the MT gear select cable adjustment. Only the step 6) requires two workers.1. Move the shift lever to the 6th.2. Remove the plate cable assembly.3. Disconnect the MT gear select cable.NOTE:Push the MT gear select cable in the direction of arrow, and remove it ...

© 2017-2025 Copyright www.sulegacy.com