Honda Civic manuals

Subaru Legacy BN/BS (2015-2019) Service Manual: Dtc b2284 brake signal correlation

DTC DETECTING CONDITION:

When the brake signal transmitted via the hard wire and the brake signal transmitted from body integrated unit via CAN communication line do not match.

TROUBLE SYMPTOM:

If the hard-wired brake signal is faulty, the engine will not start.

CAUTION:

For replacement procedure of keyless access CM, refer to the “REGISTRATION MANUAL FOR IMMOBILIZER” provided as a separate volume.

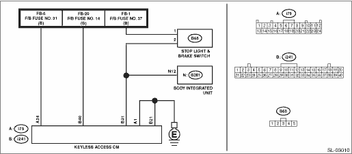
WIRING DIAGRAM:

NOTE:

For the coupling connector, refer to “WIRING SYSTEM”.

Stop light system Stop Light System > WIRING DIAGRAM

STEPCHECKYESNO

1.CHECK LAN SYSTEM.

Inspect LAN system. Basic Diagnostic Procedure > PROCEDURE

Is LAN system normal-

Diagnostic Procedure with Diagnostic Trouble Code (DTC) > DTC B2284 BRAKE SIGNAL CORRELATION

Perform the inspection according to the diagnosis for LAN system.

2.CHECK CURRENT DATA.

Check the current data display of «Keyless access with push button start» using Subaru Select Monitor. Read Current Data

«Stop light SW»

Is DTC displayed normally according to the brake pedal operation-

Diagnostic Procedure with Diagnostic Trouble Code (DTC) > DTC B2284 BRAKE SIGNAL CORRELATION

Check the stop light system.

3.CHECK CURRENT DATA.

Check the current data display of body integrated unit using Subaru Select Monitor. Read Current Data

«Stop light SW»

Is DTC displayed normally according to the brake pedal operation-

Diagnostic Procedure with Diagnostic Trouble Code (DTC) > DTC B2284 BRAKE SIGNAL CORRELATION

Check body integrated unit Basic Diagnostic Procedure > PROCEDURE and the stop light switch circuit.

4.CHECK FUSE.

Check the fuse. Relay and Fuse > INSPECTION

Is the fuse OK-

Diagnostic Procedure with Diagnostic Trouble Code (DTC) > DTC B2284 BRAKE SIGNAL CORRELATION

Replace the fuse. When the replaced fuse is blown immediately, check the power supply circuit for short-circuited.

5.CHECK HARNESS.

1) Disconnect the keyless access CM connector.

2) Using a tester, measure the voltage between keyless access CM connectors.

Connector & terminal

(i75) No. 24 (+) — Chassis ground (−):

(i241) No. 40 (+) — Chassis ground (−):

Is the voltage 9.5 — 16 V-

Diagnostic Procedure with Diagnostic Trouble Code (DTC) > DTC B2284 BRAKE SIGNAL CORRELATION

Check the power supply circuit.

6.CHECK HARNESS.

Using a tester, measure the resistance between the keyless access CM connector and chassis ground.

Connector & terminal

(i241) No. 21 — Chassis ground:

(i75) No. 1 — Chassis ground:

Is the resistance less than 1 --

Diagnostic Procedure with Diagnostic Trouble Code (DTC) > DTC B2284 BRAKE SIGNAL CORRELATION

Repair or replace the open circuit of harness.

7.CHECK HARNESS.

1) Disconnect the stop light switch connector.

2) Using a tester, measure the resistance between the keyless access CM connector and stop light switch connector.

Connector & terminal

(i241) No. 31 — (B65) No. 2:

Is the resistance less than 1 --

Diagnostic Procedure with Diagnostic Trouble Code (DTC) > DTC B2284 BRAKE SIGNAL CORRELATION

Repair or replace the open circuit of harness.

8.CHECK HARNESS.

Using a tester, measure the resistance between the keyless access CM connector and chassis ground.

Connector & terminal

(i241) No. 31 — Chassis ground:

Is the resistance 10 k- or more-

Diagnostic Procedure with Diagnostic Trouble Code (DTC) > DTC B2284 BRAKE SIGNAL CORRELATION

Repair or replace the short circuit of the harness.

9.CHECK HARNESS.

Using a tester, measure the voltage between the keyless access CM connector and chassis ground when the brake pedal is depressed.

Connector & terminal

(i241) No. 31 (+) — Chassis ground (−):

Does the voltage change as follows- Brake pedal not depressed: 1 V or less > Brake pedal depressed: 11 — 14 V

Replace the keyless access CM. Keyless Access CM > REMOVAL

Check the power supply circuit of stop light switch.

Dtc b2285 steering lock position signal correlation
DTC DETECTING CONDITION:When the steering lock position signal transmitted from the steering lock CM via solid line and the steering lock position signal transmitted via LIN communication system do no ...

Dtc b2283 vehicle speed sensor
DTC DETECTING CONDITION:Either of the following malfunctions is detected. (Vehicle speed sensor failure is detected.)• Vehicle speed signal failure detection 1: Excessive deceleration detection& ...

Other materials:

Dtc p0328 knock/combustion vibration sensor 1 circuit high bank 1 or single sensor
DTC DETECTING CONDITION:Immediately at fault recognitionTROUBLE SYMPTOM:• Poor driving performance• Knocking occursCAUTION:After servicing or replacing faulty parts, perform Clear Memory Mode Clear Memory Mode > OPERATION, and Inspection Mode Inspection Mode > PROCEDURE.WIRING DIAGRAM: ...

© 2017-2026 Copyright www.sulegacy.com