Honda Civic manuals

Subaru Legacy BN/BS (2015-2019) Service Manual: Dtc p0010 "a" camshaft position actuator control circuit/open bank 1

DTC DETECTING CONDITION:

Immediately at fault recognition

TROUBLE SYMPTOM:

Improper idling

CAUTION:

After servicing or replacing faulty parts, perform Clear Memory Mode Clear Memory Mode > OPERATION, and Inspection Mode Inspection Mode > PROCEDURE.

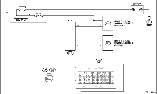
WIRING DIAGRAM:

Engine Electrical System ENGINE TYPE EZ (WITHOUT PUSH BUTTON START) Engine Electrical System > WIRING DIAGRAM

Engine Electrical System ENGINE TYPE EZ (WITH PUSH BUTTON START) Engine Electrical System > WIRING DIAGRAM

STEPCHECKYESNO

1.CHECK OUTPUT SIGNAL OF ECM.

1) Turn the ignition switch to ON.

2) Measure the voltage between ECM connector and engine ground.

Connector & terminal

(E158) No. 20 (+) — Engine ground (−):

Is the voltage 10 V or more-

Diagnostic Procedure with Diagnostic Trouble Code (DTC) > DTC P0010 "A" CAMSHAFT POSITION ACTUATOR CONTROL CIRCUIT/OPEN BANK 1

Diagnostic Procedure with Diagnostic Trouble Code (DTC) > DTC P0010 "A" CAMSHAFT POSITION ACTUATOR CONTROL CIRCUIT/OPEN BANK 1

2.CHECK FOR POOR CONTACT.

Check for poor contact of ECM connector.

Is there poor contact of ECM connector-

Repair the poor contact of ECM connector.

Even if DTC is detected, the circuit has returned to a normal condition at this time. Reproduce the failure, and then perform the diagnosis again.

NOTE:

In this case, temporary poor contact of connector, temporary open or short circuit of harness may be the cause.

3.CHECK POWER SUPPLY TO THE INTAKE OIL FLOW CONTROL SOLENOID VALVE RH.

Measure the voltage between intake oil flow control solenoid valve RH connector and engine ground.

Connector & terminal

(E38) No. 1 (+) — Engine ground (−):

Is the voltage 10 V or more-

Diagnostic Procedure with Diagnostic Trouble Code (DTC) > DTC P0010 "A" CAMSHAFT POSITION ACTUATOR CONTROL CIRCUIT/OPEN BANK 1

Repair the power supply circuit.

4.CHECK HARNESS BETWEEN ECM AND INTAKE OIL FLOW CONTROL SOLENOID VALVE RH CONNECTOR.

1) Turn the ignition switch to OFF.

2) Disconnect the connectors from the ECM and intake oil flow control solenoid valve RH.

3) Measure the resistance between intake oil flow control solenoid valve RH connector and engine ground.

Connector & terminal

(E38) No. 2 — Engine ground:

Is the resistance 1 M- or more-

Diagnostic Procedure with Diagnostic Trouble Code (DTC) > DTC P0010 "A" CAMSHAFT POSITION ACTUATOR CONTROL CIRCUIT/OPEN BANK 1

Repair the short circuit to ground in harness between ECM connector and intake oil flow control solenoid valve RH connector.

5.CHECK HARNESS BETWEEN ECM AND INTAKE OIL FLOW CONTROL SOLENOID VALVE RH CONNECTOR.

Measure the resistance of harness between ECM connector and intake oil flow control solenoid valve RH.

Connector & terminal

(E158) No. 20 — (E38) No. 2:

Is the resistance less than 1 --

Diagnostic Procedure with Diagnostic Trouble Code (DTC) > DTC P0010 "A" CAMSHAFT POSITION ACTUATOR CONTROL CIRCUIT/OPEN BANK 1

Repair the open circuit in harness between ECM connector and intake oil flow control solenoid valve RH connector.

6.CHECK INTAKE OIL FLOW CONTROL SOLENOID VALVE RH.

Measure the resistance between intake oil flow control solenoid valve RH terminals.

Terminals

No. 1 — No. 2:

Is the resistance 6 — 12 --

Repair the poor contact of intake oil flow control solenoid valve RH connector.

Replace the intake oil flow control solenoid valve RH. Oil Flow Control Solenoid Valve

1. OUTLINE OF DIAGNOSIS

Detect open or short circuit of the oil control solenoid.

Judge as NG when the current is small even though the duty signal is large.

2. EXECUTION CONDITION

Secondary Parameters

Execution condition

Battery voltage

≥ 10.9 V

Oil control solenoid control duty

≥ 99.61 %

3. GENERAL DRIVING CYCLE

Always perform the diagnosis continuously.

4. DIAGNOSTIC METHOD

If the duration of time while the following conditions are met is longer than the time indicated, judge as NG.

Judgment Value

Malfunction Criteria

Threshold Value

Oil control solenoid control present current

< 0.306 A

Time Needed for Diagnosis: 2000 ms

Malfunction Indicator Light Illumination: Illuminates as soon as a malfunction occurs.

Dtc p0011 "a" camshaft position - timing over-advanced or system performance bank 1
DTC DETECTING CONDITION:Detected when two consecutive driving cycles with fault occur.TROUBLE SYMPTOM:• Engine stalls.• Improper idlingCAUTION:After servicing or replacing faulty parts, pe ...

Dtc p000d "b" camshaft position slow response bank 2
NOTE:For the diagnostic procedure, refer to DTC P0024. Diagnostic Procedure with Diagnostic Trouble Code (DTC) > DTC P0024 "B" CAMSHAFT POSITION - TIMING OVER-ADVANCED OR SYSTEM PERFORMANCE BANK 21. ...

Other materials:

Dtc b1838 short in curtain shield airbag lh squib circuit (to +b)
DIAGNOSIS START CONDITION:Ignition voltage is 10 V to 16 V.DTC DETECTING CONDITION:Short circuit failure in power supply (shorted in main harness power supply, shorted in curtain airbag LH power supply, shorted in airbag CM internal circuit power supply)CAUTION:Before performing diagnosis, refer to ...

© 2017-2026 Copyright www.sulegacy.com