Honda Civic manuals

Subaru Legacy BN/BS (2015-2019) Service Manual: Dtc p0023 "b" camshaft position actuator control circuit/open bank 2

DTC DETECTING CONDITION:

Immediately at fault recognition

TROUBLE SYMPTOM:

Improper idling

CAUTION:

After servicing or replacing faulty parts, perform Clear Memory Mode Clear Memory Mode > OPERATION, and Inspection Mode Inspection Mode > PROCEDURE.

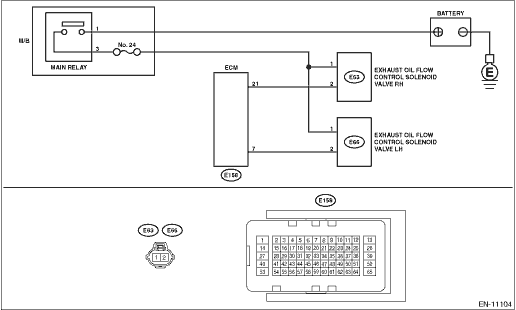
WIRING DIAGRAM:

Engine Electrical System ENGINE TYPE EZ (WITHOUT PUSH BUTTON START) Engine Electrical System > WIRING DIAGRAM

Engine Electrical System ENGINE TYPE EZ (WITH PUSH BUTTON START) Engine Electrical System > WIRING DIAGRAM

STEPCHECKYESNO

1.CHECK OUTPUT SIGNAL OF ECM.

1) Turn the ignition switch to ON.

2) Measure the voltage between ECM connector and engine ground.

Connector & terminal

(E158) No. 7 (+) — Engine ground (−):

Is the voltage 10 V or more-

Diagnostic Procedure with Diagnostic Trouble Code (DTC) > DTC P0023 "B" CAMSHAFT POSITION ACTUATOR CONTROL CIRCUIT/OPEN BANK 2

Diagnostic Procedure with Diagnostic Trouble Code (DTC) > DTC P0023 "B" CAMSHAFT POSITION ACTUATOR CONTROL CIRCUIT/OPEN BANK 2

2.CHECK FOR POOR CONTACT.

Check for poor contact of ECM connector.

Is there poor contact of ECM connector-

Repair the poor contact of ECM connector.

Even if DTC is detected, the circuit has returned to a normal condition at this time. Reproduce the failure, and then perform the diagnosis again.

NOTE:

In this case, temporary poor contact of connector, temporary open or short circuit of harness may be the cause.

3.CHECK POWER SUPPLY TO EXHAUST OIL FLOW CONTROL SOLENOID VALVE LH.

Measure the voltage between exhaust oil flow control solenoid valve LH connector and engine ground.

Connector & terminal

(E66) No. 1 (+) — Engine ground (−):

Is the voltage 10 V or more-

Diagnostic Procedure with Diagnostic Trouble Code (DTC) > DTC P0023 "B" CAMSHAFT POSITION ACTUATOR CONTROL CIRCUIT/OPEN BANK 2

Repair the power supply circuit.

4.CHECK HARNESS BETWEEN ECM AND EXHAUST OIL FLOW CONTROL SOLENOID VALVE LH CONNECTOR.

1) Turn the ignition switch to OFF.

2) Disconnect the connectors from ECM and exhaust oil flow control solenoid valve LH.

3) Measure the resistance between exhaust oil flow control solenoid valve LH connector and engine ground.

Connector & terminal

(E66) No. 2 — Engine ground:

Is the resistance 1 M- or more-

Diagnostic Procedure with Diagnostic Trouble Code (DTC) > DTC P0023 "B" CAMSHAFT POSITION ACTUATOR CONTROL CIRCUIT/OPEN BANK 2

Repair the short circuit to ground in harness between ECM connector and exhaust oil flow control solenoid valve LH connector.

5.CHECK HARNESS BETWEEN ECM AND EXHAUST OIL FLOW CONTROL SOLENOID VALVE LH CONNECTOR.

Measure the resistance of harness between ECM connector and exhaust oil flow control solenoid valve LH.

Connector & terminal

(E158) No. 7 — (E66) No. 2:

Is the resistance less than 1 --

Diagnostic Procedure with Diagnostic Trouble Code (DTC) > DTC P0023 "B" CAMSHAFT POSITION ACTUATOR CONTROL CIRCUIT/OPEN BANK 2

Repair the open circuit in harness between ECM connector and exhaust oil flow control solenoid valve LH connector.

6.CHECK EXHAUST OIL FLOW CONTROL SOLENOID VALVE LH.

Measure the resistance between exhaust oil flow control solenoid valve LH terminals.

Terminals

No. 1 — No. 2:

Is the resistance 6 — 12 --

Repair the poor contact of exhaust oil flow control solenoid valve LH connector.

Replace the exhaust oil flow control solenoid valve LH. Oil Flow Control Solenoid Valve

1. OUTLINE OF DIAGNOSIS

NOTE:

For the detection standard, refer to DTC P0013. Diagnostic Procedure with Diagnostic Trouble Code (DTC) > DTC P0013 "B" CAMSHAFT POSITION ACTUATOR CONTROL CIRCUIT/OPEN BANK 1

Dtc p0024 "b" camshaft position - timing over-advanced or system performance bank 2
DTC DETECTING CONDITION:Detected when two consecutive driving cycles with fault occur.TROUBLE SYMPTOM:• Engine stalls.• Improper idlingCAUTION:After servicing or replacing faulty parts, pe ...

Dtc p0021 "a" camshaft position - timing over-advanced or system performance bank 2
DTC DETECTING CONDITION:Detected when two consecutive driving cycles with fault occur.TROUBLE SYMPTOM:• Engine stalls.• Improper idlingCAUTION:After servicing or replacing faulty parts, pe ...

Other materials:

Dtc u0401 invalid data received from ecm/pcm "a"
DTC DETECTING CONDITION:Defective data from ECM.TROUBLE SYMPTOM:Defective data on CAN communication occurs.STEPCHECKYESNO1.CHECK PERFORMING OF BASIC DIAGNOSTIC PROCEDURE.Was the basic diagnostic procedure performed up to STEP 8- Diagnostic Procedure with Diagnostic Trouble Code (DTC) > DTC U0401 INV ...

© 2017-2025 Copyright www.sulegacy.com