Honda Civic manuals

Subaru Legacy BN/BS (2015-2019) Service Manual: Dtc p0030 a/f / o2 heater control circuit bank 1 sensor 1

DTC DETECTING CONDITION:

Detected when two consecutive driving cycles with fault occur.

CAUTION:

After servicing or replacing faulty parts, perform Clear Memory Mode Clear Memory Mode > OPERATION, and Inspection Mode Inspection Mode > PROCEDURE.

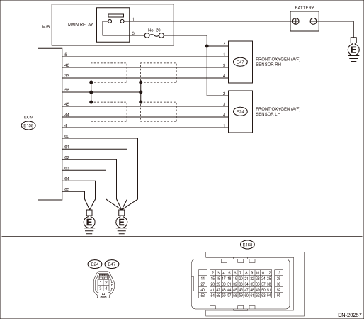
WIRING DIAGRAM:

Engine Electrical System ENGINE TYPE EZ (WITHOUT PUSH BUTTON START) Engine Electrical System > WIRING DIAGRAM

Engine Electrical System ENGINE TYPE EZ (WITH PUSH BUTTON START) Engine Electrical System > WIRING DIAGRAM

STEPCHECKYESNO

1.CHECK HARNESS BETWEEN ECM AND FRONT OXYGEN (A/F) SENSOR CONNECTOR.

1) Start and warm up the engine.

2) Turn the ignition switch to OFF.

3) Disconnect the connectors from ECM and front oxygen (A/F) sensor.

4) Measure the resistance of harness between ECM connector and front oxygen (A/F) sensor connector.

Connector & terminal

(E158) No. 5 — (E47) No. 1:

(E158) No. 46 — (E47) No. 3:

(E158) No. 33 — (E47) No. 4:

Is the resistance less than 1 --

Diagnostic Procedure with Diagnostic Trouble Code (DTC) > DTC P0030 A/F / O2 HEATER CONTROL CIRCUIT BANK 1 SENSOR 1

Repair the harness and connector.

NOTE:

In this case, repair the following item:

Open circuit in harness between ECM connector and front oxygen (A/F) sensor connector

Poor contact of coupling connector

2.CHECK FRONT OXYGEN (A/F) SENSOR.

Measure the resistance between front oxygen (A/F) sensor connector terminals.

Terminals

No. 2 — No. 1:

Is the resistance 2 — 3 --

Diagnostic Procedure with Diagnostic Trouble Code (DTC) > DTC P0030 A/F / O2 HEATER CONTROL CIRCUIT BANK 1 SENSOR 1

Replace the front oxygen (A/F) sensor. Front Oxygen (A/F) Sensor

3.CHECK FOR POOR CONTACT.

Check for poor contact of ECM and front oxygen (A/F) sensor connector.

Is there poor contact of ECM or front oxygen (A/F) sensor connector-

Repair the poor contact of ECM or front oxygen (A/F) sensor connector.

Replace the front oxygen (A/F) sensor. Front Oxygen (A/F) Sensor

1. OUTLINE OF DIAGNOSIS

Detect functional errors of the front oxygen (A/F) sensor heater.

Judge as NG when it is determined that the front oxygen (A/F) sensor impedance is large when looking at engine status such as deceleration fuel cut.

2. COMPONENT DESCRIPTION

(1)

Element cover (outer)

(3)

Sensor element

(4)

Sensor housing

(2)

Element cover (inner)

3. EXECUTION CONDITION

Secondary Parameters

Execution condition

Battery voltage

≥ 10.9 V

Front oxygen (A/F) sensor heater control duty

> 17 %

After fuel cut

≥ 20000 ms

4. GENERAL DRIVING CYCLE

Perform the diagnosis continuously when 20000 ms have elapsed since the fuel cut was initiated after starting the heater control.

5. DIAGNOSTIC METHOD

If the duration of time while the following conditions are met is longer than the time indicated, judge as NG.

Judgment Value

Malfunction Criteria

Threshold Value

Front oxygen (A/F) sensor impedance

> 82 -

Time Needed for Diagnosis: 10000 ms

Malfunction Indicator Light Illumination: Illuminates when malfunction occurs in 2 continuous driving cycles.

Dtc p0031 a/f / o2 heater control circuit low bank 1 sensor 1
DTC DETECTING CONDITION:Immediately at fault recognitionCAUTION:After servicing or replacing faulty parts, perform Clear Memory Mode Clear Memory Mode > OPERATION, and Inspection Mode Inspection Mod ...

Dtc p0024 "b" camshaft position - timing over-advanced or system performance bank 2
DTC DETECTING CONDITION:Detected when two consecutive driving cycles with fault occur.TROUBLE SYMPTOM:• Engine stalls.• Improper idlingCAUTION:After servicing or replacing faulty parts, pe ...

Other materials:

Dtc p2420 evap system switching valve control circuit high
DTC DETECTING CONDITION:Immediately at fault recognitionCAUTION:After servicing or replacing faulty parts, perform Clear Memory Mode Clear Memory Mode > OPERATION, and Inspection Mode Inspection Mode > PROCEDURE.WIRING DIAGRAM:• Engine Electrical System ENGINE TYPE EZ (WITHOUT PUSH BUTTON ST ...

© 2017-2026 Copyright www.sulegacy.com