Honda Civic manuals

Subaru Legacy BN/BS (2015-2019) Service Manual: Dtc p0038 a/f / o2 heater control circuit high bank 1 sensor 2

DTC DETECTING CONDITION:

Detected when two consecutive driving cycles with fault occur.

CAUTION:

After servicing or replacing faulty parts, perform Clear Memory Mode Clear Memory Mode > OPERATION, and Inspection Mode Inspection Mode > PROCEDURE.

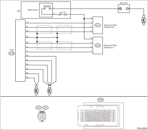
WIRING DIAGRAM:

Engine Electrical System ENGINE TYPE EZ (WITHOUT PUSH BUTTON START) Engine Electrical System > WIRING DIAGRAM

Engine Electrical System ENGINE TYPE EZ (WITH PUSH BUTTON START) Engine Electrical System > WIRING DIAGRAM

STEPCHECKYESNO

1.CHECK HARNESS BETWEEN ECM AND REAR OXYGEN SENSOR CONNECTOR.

1) Turn the ignition switch to OFF.

2) Measure the voltage between ECM connector and chassis ground.

Connector & terminal

(E158) No. 10 (+) — Chassis ground (−):

Is the voltage 10 V or more-

Repair the short circuit to power in the harness between ECM connector and rear oxygen sensor connector.

Diagnostic Procedure with Diagnostic Trouble Code (DTC) > DTC P0038 A/F / O2 HEATER CONTROL CIRCUIT HIGH BANK 1 SENSOR 2

2.CHECK GROUND CIRCUIT FOR ECM.

1) Disconnect the connector from ECM.

2) Measure the resistance between ECM connector and chassis ground.

Connector & terminal

(E158) No. 60 — Chassis ground:

(E158) No. 61 — Chassis ground:

(E158) No. 62 — Chassis ground:

(E158) No. 63 — Chassis ground:

(E158) No. 64 — Chassis ground:

(E158) No. 65 — Chassis ground:

Is the resistance less than 5 --

Repair the poor contact of ECM connector.

Repair the open circuit in harness between ECM connector and engine ground.

1. OUTLINE OF DIAGNOSIS

Detect the rear oxygen sensor heater open or short circuit.

The rear oxygen sensor heater performs duty control, and the output terminal voltage at ON is 0 V, and the output terminal voltage at OFF is the battery voltage.

Judge as NG when the terminal voltage remains High.

2. COMPONENT DESCRIPTION

(A)

Battery voltage

(B)

Output voltage of the rear oxygen sensor heater

(C)

256 ms (cycles)

(D)

High error

3. EXECUTION CONDITION

Secondary Parameters

Execution condition

Battery voltage

≥ 10.9 V

Rear oxygen sensor heater control duty

≥ 20 %

4. GENERAL DRIVING CYCLE

Perform the diagnosis continuously after the enable conditions have been established.

5. DIAGNOSTIC METHOD

If the duration of time while the following conditions are met is longer than the time indicated, judge as NG.

Judgment Value

Malfunction Criteria

Threshold Value

Output voltage

> Battery voltage - 0.3

Time Needed for Diagnosis: 8 ms - 320 time(s)

Malfunction Indicator Light Illumination: Illuminates when malfunction occurs in 2 continuous driving cycles.

Dtc p0068 map/maf - throttle position correlation
DTC DETECTING CONDITION:Detected when two consecutive driving cycles with fault occur.CAUTION:After servicing or replacing faulty parts, perform Clear Memory Mode Clear Memory Mode > OPERATION, and I ...

Dtc p0037 a/f / o2 heater control circuit low bank 1 sensor 2
DTC DETECTING CONDITION:Detected when two consecutive driving cycles with fault occur.CAUTION:After servicing or replacing faulty parts, perform Clear Memory Mode Clear Memory Mode > OPERATION, and I ...

Other materials:

Electrical component location location
(1)VDC CM(6)Brake light relay(11)Steering angle sensor(2)TCM (engine type: EZ)(7)Lane departure warning OFF switch(12)EyeSight steering switch(3)Stereo camera(8)Pre-collision brake OFF switch(13)Data link connector(4)ECM(9)Body integrated unit(14)Stop light and brake switch(5)TCM (engine type: FB)(1 ...

© 2017-2026 Copyright www.sulegacy.com