Honda Civic manuals

Subaru Legacy BN/BS (2015-2019) Service Manual: Dtc p0116 engine coolant temperature sensor 1 circuit range/performance

DTC DETECTING CONDITION:

Detected when two consecutive driving cycles with fault occur.

TROUBLE SYMPTOM:

Hard to start

Improper idling

Poor driving performance

CAUTION:

After servicing or replacing faulty parts, perform Clear Memory Mode Clear Memory Mode > OPERATION, and Inspection Mode Inspection Mode > PROCEDURE.

STEPCHECKYESNO

1.CHECK FOR ANY OTHER DTC ON DISPLAY.

Is any other DTC displayed-

Check the appropriate DTC using the “List of Diagnostic Trouble Code (DTC)”. List of Diagnostic Trouble Code (DTC)

Diagnostic Procedure with Diagnostic Trouble Code (DTC) > DTC P0116 ENGINE COOLANT TEMPERATURE SENSOR 1 CIRCUIT RANGE/PERFORMANCE

2.CHECK ENGINE COOLANT TEMPERATURE SENSOR.

1) Disconnect the connectors from the engine coolant temperature sensor.

2) Measure the resistance between engine coolant temperature sensor terminals when the engine coolant is cold and after warmed up.

Terminals

No. 1 — No. 2:

Is the resistance of engine coolant temperature sensor different between when engine coolant is cold and after warmed up-

Repair the poor contact of ECM connector.

Replace the engine coolant temperature sensor. Engine Coolant Temperature Sensor

1. OUTLINE OF DIAGNOSIS

Detect the malfunction of the engine coolant temperature sensor characteristics.

After the engine starts after the specified period of soaking time has elapsed, diagnose by correlation between engine coolant temperature sensor value, intake air temperature sensor value and ambient temperature sensor value. Judge as NG when the differences are both above the specified value by comparing between engine coolant temperature and ambient air temperature, engine coolant temperature and intake air temperature.

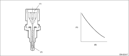
2. COMPONENT DESCRIPTION

(A)

Resistance value (k-)

(B)

Temperature °C (°F)

(1)

Connector

(2)

Thermistor element

3. EXECUTION CONDITION

Secondary Parameters

Execution condition

Soaking time

≥ 21600 s

Block heater judgment

Completed

Block heater operation

Not in operation

4. GENERAL DRIVING CYCLE

Perform the diagnosis only once after the engine starts after a certain period of soaking time.

5. DIAGNOSTIC METHOD

If the duration of time while the following conditions are met is longer than the time indicated, judge as NG.

Judgment Value

Malfunction Criteria

Threshold Value

|Engine coolant temperature at engine start − Intake air temperature 30 sec. after engine start|

> Value from Map

|Engine coolant temperature at engine start − Ambient air temperature at engine start|

> 25 °C (45°F)

Map

Ambient temperature

°C (°F)

−30

(−22)

30

(86)

45

(113)

60

(140)

|Engine coolant temperature at engine start − Intake air temperature 30 sec. after engine start|

°C (°F)

12

(21.6°F)

12

(21.6°F)

22

(39.6°F)

22

(39.6°F)

Time Needed for Diagnosis: Less than 1 second

Malfunction Indicator Light Illumination: Illuminates when malfunction occurs in 2 continuous driving cycles.

Dtc p0117 engine coolant temperature sensor 1 circuit low
DTC DETECTING CONDITION:Immediately at fault recognitionTROUBLE SYMPTOM:• Hard to start• Improper idling• Poor driving performanceCAUTION:After servicing or replacing faulty parts, p ...

Dtc p0113 intake air temperature sensor 1 circuit high bank 1
DTC DETECTING CONDITION:Immediately at fault recognitionTROUBLE SYMPTOM:• Improper idling• Poor driving performanceCAUTION:After servicing or replacing faulty parts, perform Clear Memory M ...

Other materials:

Dtc p0116 engine coolant temperature sensor 1 circuit range/performance
DTC DETECTING CONDITION:Detected when two consecutive driving cycles with fault occur.TROUBLE SYMPTOM:• Hard to start• Improper idling• Poor driving performanceCAUTION:After servicing or replacing faulty parts, perform Clear Memory Mode Clear Memory Mode > OPERATION, and Inspectio ...

© 2017-2025 Copyright www.sulegacy.com