Honda Civic manuals

Subaru Legacy BN/BS (2015-2019) Service Manual: Dtc p0118 engine coolant temperature sensor 1 circuit high

DTC DETECTING CONDITION:

Immediately at fault recognition

TROUBLE SYMPTOM:

Hard to start

Improper idling

Poor driving performance

CAUTION:

After servicing or replacing faulty parts, perform Clear Memory Mode Clear Memory Mode > OPERATION, and Inspection Mode Inspection Mode > PROCEDURE.

WIRING DIAGRAM:

Engine Electrical System ENGINE TYPE EZ (WITHOUT PUSH BUTTON START) Engine Electrical System > WIRING DIAGRAM

Engine Electrical System ENGINE TYPE EZ (WITH PUSH BUTTON START) Engine Electrical System > WIRING DIAGRAM

STEPCHECKYESNO

1.CHECK CURRENT DATA.

1) Start the engine.

2) Read the value of «Coolant Temp.» using the Subaru Select Monitor or a general scan tool.

NOTE:

Subaru Select Monitor

For detailed operation procedures, refer to “Read Current Data For Engine”. Subaru Select Monitor

General scan tool

For detailed operation procedures, refer to the general scan tool operation manual.

Is the value of «Coolant Temp.» less than −40°C (−40°F)-

Diagnostic Procedure with Diagnostic Trouble Code (DTC) > DTC P0118 ENGINE COOLANT TEMPERATURE SENSOR 1 CIRCUIT HIGH

Even if DTC is detected, the circuit has returned to a normal condition at this time. Reproduce the failure, and then perform the diagnosis again.

NOTE:

In this case, temporary poor contact of connector, temporary open or short circuit of harness may be the cause.

2.CHECK FOR POOR CONTACT.

Check for poor contact of ECM and engine coolant temperature sensor connector.

Is there poor contact of ECM or engine coolant temperature sensor connector-

Repair the poor contact of ECM or engine coolant temperature sensor connector.

Diagnostic Procedure with Diagnostic Trouble Code (DTC) > DTC P0118 ENGINE COOLANT TEMPERATURE SENSOR 1 CIRCUIT HIGH

3.CHECK HARNESS BETWEEN ECM AND ENGINE COOLANT TEMPERATURE SENSOR CONNECTOR.

1) Turn the ignition switch to OFF.

2) Disconnect the connectors from ECM and engine coolant temperature sensor.

3) Measure the resistance of harness between ECM connector and engine coolant temperature sensor connector.

Connector & terminal

(E158) No. 34 — (E8) No. 1:

(E158) No. 43 — (E8) No. 2:

Is the resistance less than 1 --

Diagnostic Procedure with Diagnostic Trouble Code (DTC) > DTC P0118 ENGINE COOLANT TEMPERATURE SENSOR 1 CIRCUIT HIGH

Repair the open circuit of the harness between the ECM connector and engine coolant temperature sensor connector.

4.CHECK HARNESS BETWEEN ECM AND ENGINE COOLANT TEMPERATURE SENSOR CONNECTOR.

1) Connect all connectors.

2) Turn the ignition switch to ON.

3) Measure the voltage between ECM connector and chassis ground.

Connector & terminal

(E158) No. 43 (+) — Chassis ground (−):

Is the voltage 5 V or more-

Repair the short circuit of harness to power supply between ECM connector and engine coolant temperature sensor connector.

Replace the engine coolant temperature sensor. Engine Coolant Temperature Sensor

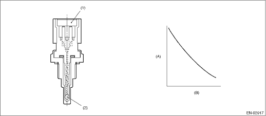
1. OUTLINE OF DIAGNOSIS

Detect the open or short circuit of the engine coolant temperature sensor.

Judge as NG if out of specification.

2. COMPONENT DESCRIPTION

(A)

Resistance value (k-)

(B)

Temperature °C (°F)

(1)

Connector

(2)

Thermistor element

3. EXECUTION CONDITION

Secondary Parameters

Execution condition

None

4. GENERAL DRIVING CYCLE

Always perform the diagnosis continuously.

5. DIAGNOSTIC METHOD

If the duration of time while the following conditions are met is longer than the time indicated, judge as NG.

Judgment Value

Malfunction Criteria

Threshold Value

Output voltage

≥ 4.698 V

Time Needed for Diagnosis: 500 ms

Malfunction Indicator Light Illumination: Illuminates as soon as a malfunction occurs.

Dtc p0122 throttle/pedal position sensor/switch "a" circuit low
DTC DETECTING CONDITION:Immediately at fault recognitionTROUBLE SYMPTOM:• Improper idling• Engine stalls.• Poor driving performanceCAUTION:After servicing or replacing faulty parts, ...

Dtc p0117 engine coolant temperature sensor 1 circuit low
DTC DETECTING CONDITION:Immediately at fault recognitionTROUBLE SYMPTOM:• Hard to start• Improper idling• Poor driving performanceCAUTION:After servicing or replacing faulty parts, p ...

Other materials:

Dtc b14b4 seat heater thermistor circuit short-circuit (driver)
DTC DETECTING CONDITION:Short-circuit in seat heater thermistor.TROUBLE SYMPTOM:Seat heater RH does not function.WIRING DIAGRAM:NOTE:For the coupling connector, refer to “WIRING SYSTEM”.Seat Heater System Seat Heater System > WIRING DIAGRAMSTEPCHECKYESNO1.CHECK CONNECTOR.1) Check connec ...

© 2017-2026 Copyright www.sulegacy.com