Honda Civic manuals

Subaru Legacy BN/BS (2015-2019) Service Manual: Dtc p0222 throttle/pedal position sensor/switch "b" circuit low

DTC DETECTING CONDITION:

Immediately at fault recognition

TROUBLE SYMPTOM:

Improper idling

Poor driving performance

Engine stalls.

CAUTION:

After servicing or replacing faulty parts, perform Clear Memory Mode Clear Memory Mode > OPERATION, and Inspection Mode Inspection Mode > PROCEDURE.

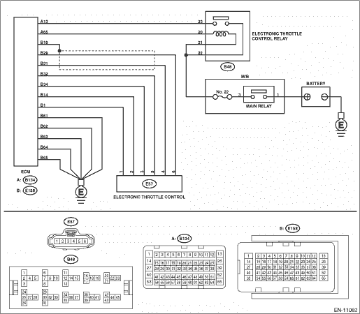
WIRING DIAGRAM:

Engine Electrical System ENGINE TYPE FB (WITHOUT PUSH BUTTON START) Engine Electrical System > WIRING DIAGRAM

Engine Electrical System ENGINE TYPE FB (WITH PUSH BUTTON START) Engine Electrical System > WIRING DIAGRAM

STEPCHECKYESNO

1.CHECK HARNESS BETWEEN ECM AND ELECTRONIC THROTTLE CONTROL CONNECTOR.

1) Turn the ignition switch to OFF.

2) Disconnect the connectors from ECM and electronic throttle control.

3) Measure the resistance between ECM connector and chassis ground.

Connector & terminal

(E158) No. 29 — Chassis ground:

(E158) No. 31 — Chassis ground:

(E158) No. 31 — (E158) No. 19:

Is the resistance 1 M- or more-

Diagnostic Procedure with Diagnostic Trouble Code (DTC) > DTC P0222 THROTTLE/PEDAL POSITION SENSOR/SWITCH "B" CIRCUIT LOW

Repair the ground short circuit of harness between ECM connector and electronic throttle control connector.

2.CHECK SHORT CIRCUIT INSIDE THE ECM.

1) Connect the connector to ECM.

2) Measure the resistance between electronic throttle control connector and engine ground.

Connector & terminal

(E57) No. 4 — Engine ground:

Is the resistance 1 M- or more-

Replace the electronic throttle control. Throttle Body

Repair the ground short circuit of harness between ECM connector and electronic throttle control connector. Replace the ECM if defective. Engine Control Module (ECM)

1. OUTLINE OF DIAGNOSIS

Detect the open or short circuit of throttle position sensor 2.

Judge as NG if out of specification.

2. COMPONENT DESCRIPTION

(1)

Throttle position sensor 1 signal

(3)

Throttle position sensor

(4)

Engine control module (ECM)

(2)

Throttle position sensor 2 signal

3. EXECUTION CONDITION

Secondary Parameters

Execution condition

Battery voltage

≥ 6 V

4. GENERAL DRIVING CYCLE

Always perform the diagnosis continuously.

5. DIAGNOSTIC METHOD

If the duration of time while the following conditions are met is longer than the time indicated, judge as NG.

Judgment Value

Malfunction Criteria

Threshold Value

Sensor 2 input voltage

≤ 1.134 V

Time Needed for Diagnosis: 24 ms

Malfunction Indicator Light Illumination: Illuminates as soon as a malfunction occurs.

Dtc p0223 throttle/pedal position sensor/switch "b" circuit high
DTC DETECTING CONDITION:Immediately at fault recognitionTROUBLE SYMPTOM:• Improper idling• Poor driving performance• Engine stalls.CAUTION:After servicing or replacing faulty parts, ...

Dtc p0204 cylinder 4 injector "a" circuit
NOTE:For the diagnostic procedure, refer to DTC P0201. Diagnostic Procedure with Diagnostic Trouble Code (DTC) > DTC P0201 CYLINDER 1 INJECTOR "A" CIRCUIT1. OUTLINE OF DIAGNOSISNOTE:For the detection ...

Other materials:

Dtc p0340 camshaft position sensor "a" circuit bank 1 or single sensor
DTC DETECTING CONDITION:Immediately at fault recognitionTROUBLE SYMPTOM:• Engine stalls.• Failure of engine to startCAUTION:After servicing or replacing faulty parts, perform Clear Memory Mode Clear Memory Mode > OPERATION, and Inspection Mode Inspection Mode > PROCEDURE.WIRING DIAGRAM ...

© 2017-2026 Copyright www.sulegacy.com