Honda Civic manuals

Subaru Legacy BN/BS (2015-2019) Service Manual: Dtc p0304 cylinder 4 misfire detected

DTC DETECTING CONDITION:

Detected when two consecutive driving cycles with fault occur.

Immediately at fault recognition (A misfire which could damage catalyst occurs.)

TROUBLE SYMPTOM:

Engine stalls.

Improper idling

Rough driving

CAUTION:

After servicing or replacing faulty parts, perform Clear Memory Mode Clear Memory Mode > OPERATION, and Inspection Mode Inspection Mode > PROCEDURE.

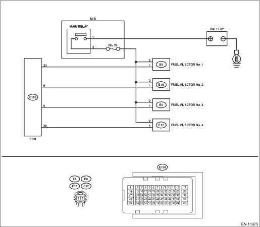
WIRING DIAGRAM:

Engine Electrical System ENGINE TYPE FB (WITHOUT PUSH BUTTON START) Engine Electrical System > WIRING DIAGRAM

Engine Electrical System ENGINE TYPE FB (WITH PUSH BUTTON START) Engine Electrical System > WIRING DIAGRAM

STEPCHECKYESNO

1.CHECK OUTPUT SIGNAL OF ECM.

1) Turn the ignition switch to ON.

2) Measure the voltage between ECM and chassis ground on faulty cylinders.

Connector & terminal

#1 (E158) No. 23 (+) — Chassis ground (−):

#2 (E158) No. 8 (+) — Chassis ground (−):

#3 (E158) No. 9 (+) — Chassis ground (−):

#4 (E158) No. 22 (+) — Chassis ground (−):

Is the voltage 10 V or more-

Diagnostic Procedure with Diagnostic Trouble Code (DTC) > DTC P0304 CYLINDER 4 MISFIRE DETECTED

Diagnostic Procedure with Diagnostic Trouble Code (DTC) > DTC P0304 CYLINDER 4 MISFIRE DETECTED

2.CHECK HARNESS BETWEEN ECM AND FUEL INJECTOR CONNECTOR.

1) Turn the ignition switch to OFF.

2) Disconnect the connector from fuel injector on faulty cylinders.

3) Measure the resistance between fuel injector connector and engine ground on faulty cylinders.

Connector & terminal

#1 (E5) No. 1 — Engine ground:

#2 (E16) No. 1 — Engine ground:

#3 (E6) No. 1 — Engine ground:

#4 (E17) No. 1 — Engine ground:

Is the resistance 1 M- or more-

Diagnostic Procedure with Diagnostic Trouble Code (DTC) > DTC P0304 CYLINDER 4 MISFIRE DETECTED

Repair the short circuit to ground in harness between ECM connector and fuel injector connector.

3.CHECK HARNESS BETWEEN ECM AND FUEL INJECTOR CONNECTOR.

Measure the resistance of harness between ECM and fuel injector connector on faulty cylinders.

Connector & terminal

#1 (E158) No. 23 — (E5) No. 1:

#2 (E158) No. 8 — (E16) No. 1:

#3 (E158) No. 9 — (E6) No. 1:

#4 (E158) No. 22 — (E17) No. 1:

Is the resistance less than 1 --

Diagnostic Procedure with Diagnostic Trouble Code (DTC) > DTC P0304 CYLINDER 4 MISFIRE DETECTED

Repair the open circuit of the harness between the ECM connector and fuel injector connector.

4.CHECK FUEL INJECTOR.

Measure the resistance between fuel injector terminals on faulty cylinder.

Terminals

No. 1 — No. 2:

Is the resistance 5 — 20 --

Diagnostic Procedure with Diagnostic Trouble Code (DTC) > DTC P0304 CYLINDER 4 MISFIRE DETECTED

Replace the faulty fuel injector. Fuel Injector

5.CHECK POWER SUPPLY LINE.

1) Turn the ignition switch to ON.

2) Measure the voltage between fuel injector and engine ground on faulty cylinders.

Connector & terminal

#1 (E5) No. 2 (+) — Engine ground (−):

#2 (E16) No. 2 (+) — Engine ground (−):

#3 (E6) No. 2 (+) — Engine ground (−):

#4 (E17) No. 2 (+) — Engine ground (−):

Is the voltage 10 V or more-

Repair the poor contact of all connectors in fuel injector circuit.

Repair the harness and connector.

NOTE:

In this case, repair the following item:

Open circuit in harness between the main relay connector and fuel injector connector on faulty cylinders

Poor contact of coupling connector

Poor contact of main relay connector

6.CHECK HARNESS BETWEEN ECM AND FUEL INJECTOR CONNECTOR.

1) Turn the ignition switch to OFF.

2) Disconnect the connector from fuel injector on faulty cylinders.

3) Turn the ignition switch to ON.

4) Measure the voltage between ECM and chassis ground on faulty cylinders.

Connector & terminal

#1 (E158) No. 23 (+) — Chassis ground (−):

#2 (E158) No. 8 (+) — Chassis ground (−):

#3 (E158) No. 9 (+) — Chassis ground (−):

#4 (E158) No. 22 (+) — Chassis ground (−):

Is the voltage 10 V or more-

Repair the short circuit to power in harness between ECM connector and fuel injector connectors.

Diagnostic Procedure with Diagnostic Trouble Code (DTC) > DTC P0304 CYLINDER 4 MISFIRE DETECTED

7.CHECK FUEL INJECTOR.

1) Turn the ignition switch to OFF.

2) Measure the resistance between fuel injector terminals on faulty cylinder.

Terminals

No. 1 — No. 2:

Is the resistance 5 — 20 --

Diagnostic Procedure with Diagnostic Trouble Code (DTC) > DTC P0304 CYLINDER 4 MISFIRE DETECTED

Replace the faulty fuel injector. Fuel Injector

8.CHECK INSTALLATION CONDITION OF CAMSHAFT POSITION SENSOR/CRANKSHAFT POSITION SENSOR.

Is the camshaft position sensor or crankshaft position sensor loosely installed-

Tighten the camshaft position sensor or crankshaft position sensor. Camshaft Position Sensor > INSTALLATION Crankshaft Position Sensor > INSTALLATION

Diagnostic Procedure with Diagnostic Trouble Code (DTC) > DTC P0304 CYLINDER 4 MISFIRE DETECTED

9.CHECK CRANKSHAFT POSITION SENSOR PLATE.

Is the crankshaft position sensor plate rusted or does it have broken teeth-

Replace the crankshaft position sensor plate. Cylinder Block

Diagnostic Procedure with Diagnostic Trouble Code (DTC) > DTC P0304 CYLINDER 4 MISFIRE DETECTED

10.CHECK INSTALLATION CONDITION OF TIMING CHAIN.

Turn the crankshaft using ST, and align the alignment mark on crank sprocket with alignment mark on cylinder block.

ST 18252AA000CRANKSHAFT SOCKET

Is the timing chain dislocated from its proper position-

Correct the installation condition of timing chain. Timing Chain Assembly

Diagnostic Procedure with Diagnostic Trouble Code (DTC) > DTC P0304 CYLINDER 4 MISFIRE DETECTED

11.CHECK FUEL LEVEL.

Is the fuel meter indication higher than the “Lower” level-

Diagnostic Procedure with Diagnostic Trouble Code (DTC) > DTC P0304 CYLINDER 4 MISFIRE DETECTED

Refill the fuel so that the fuel meter indication is higher than the “Lower” level, and proceed to the next step. Diagnostic Procedure with Diagnostic Trouble Code (DTC) > DTC P0304 CYLINDER 4 MISFIRE DETECTED

12.CHECK STATUS OF MALFUNCTION INDICATOR LIGHT.

1) Clear the memory using the Subaru Select Monitor. Clear Memory Mode

2) Start the engine, and drive the vehicle 10 minutes or more.

Does the malfunction indicator light illuminate or blink-

Diagnostic Procedure with Diagnostic Trouble Code (DTC) > DTC P0304 CYLINDER 4 MISFIRE DETECTED

Diagnostic Procedure with Diagnostic Trouble Code (DTC) > DTC P0304 CYLINDER 4 MISFIRE DETECTED

13.CHECK CAUSE OF MISFIRE.

Was the cause of misfire identified when the engine is running-

Finish diagnostics operation, if the engine has no abnormality.

Repair the poor contact of connector.

NOTE:

In this case, repair the following item:

Poor contact of ignition coil connector

Poor contact of fuel injector connector on faulty cylinders

Poor contact of ECM connector

Poor contact of coupling connector

14.CHECK AIR INTAKE SYSTEM.

Is there any fault in air intake system-

Repair the air intake system.

NOTE:

Check the following items.

Are there air leaks or air suction caused by loose or dislocated nuts and bolts-

Are there cracks or any disconnection of hoses-

Diagnostic Procedure with Diagnostic Trouble Code (DTC) > DTC P0304 CYLINDER 4 MISFIRE DETECTED

15.CHECK CYLINDER.

Is there any fault in the cylinder-

Repair or replace faulty parts.

NOTE:

Check the following items.

Spark plug

Ignition coil

Fuel injector

Compression

Skipping timing chain teeth

Go to DTC P0171. Diagnostic Procedure with Diagnostic Trouble Code (DTC) > DTC P0171 SYSTEM TOO LEAN BANK 1

1. OUTLINE OF DIAGNOSIS

NOTE:

For the detection standard, refer to DTC P0301. Diagnostic Procedure with Diagnostic Trouble Code (DTC) > DTC P0301 CYLINDER 1 MISFIRE DETECTED

Dtc p0327 knock/combustion vibration sensor 1 circuit low bank 1 or single sensor
DTC DETECTING CONDITION:Immediately at fault recognitionTROUBLE SYMPTOM:• Poor driving performance• Knocking occursCAUTION:After servicing or replacing faulty parts, perform Clear Memory M ...

Dtc p0303 cylinder 3 misfire detected
NOTE:For the diagnostic procedure, refer to DTC P0304. Diagnostic Procedure with Diagnostic Trouble Code (DTC) > DTC P0304 CYLINDER 4 MISFIRE DETECTED1. OUTLINE OF DIAGNOSISNOTE:For the detection sta ...

Other materials:

Dtc u1712 lost lin communication with battery "1" monitor module
NOTE:For the diagnostic procedure, refer to DTC U0077. Diagnostic Procedure with Diagnostic Trouble Code (DTC) > DTC U0073 CONTROL MODULE COMMUNICATION BUS OFF1. OUTLINE OF DIAGNOSISDetect malfunction of LIN communication.Judge as NG when LIN communication failure has occurred with the battery sens ...

© 2017-2026 Copyright www.sulegacy.com