Honda Civic manuals

Subaru Legacy BN/BS (2015-2019) Service Manual: Dtc p0512 starter (switch) request circuit

DTC DETECTING CONDITION:

Immediately at fault recognition

TROUBLE SYMPTOM:

Failure of engine to start

CAUTION:

After servicing or replacing faulty parts, perform Clear Memory Mode Clear Memory Mode > OPERATION, and Inspection Mode Inspection Mode > PROCEDURE.

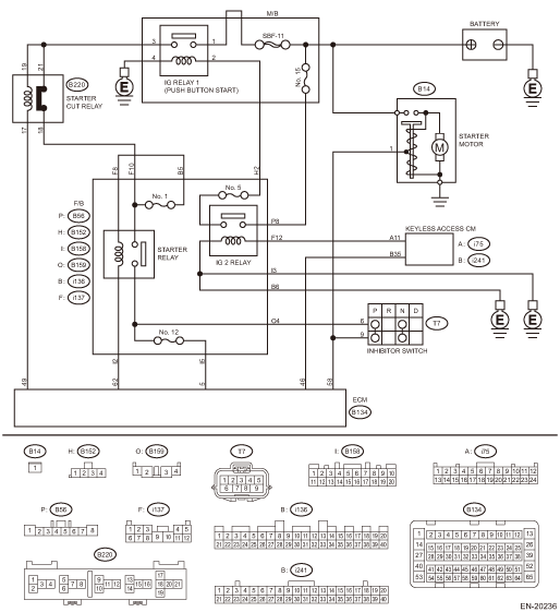
WIRING DIAGRAM:

Engine Electrical System ENGINE TYPE FB (WITH PUSH BUTTON START) Engine Electrical System > WIRING DIAGRAM

STEPCHECKYESNO

1.CHECK PUSH BUTTON IGNITION SWITCH.

Operate the push button ignition switch.

Does it operate smoothly without catch-

Diagnostic Procedure with Diagnostic Trouble Code (DTC) > DTC P0512 STARTER (SWITCH) REQUEST CIRCUIT

Replace the push button ignition switch. Push Button Ignition Switch

2.CHECK DTC.

1) Clear the memory using the Subaru Select Monitor. Clear Memory Mode

2) Start and idle the engine for three minutes or more.

Is the same DTC as current diagnosis output-

Diagnostic Procedure with Diagnostic Trouble Code (DTC) > DTC P0512 STARTER (SWITCH) REQUEST CIRCUIT

Even if DTC is detected, the circuit has returned to a normal condition at this time. Reproduce the failure, and then perform the diagnosis again.

NOTE:

In this case, temporary poor contact of connector, temporary open or short circuit of harness may be the cause.

3.CHECK HARNESS BETWEEN ECM AND KEYLESS ACCESS CM.

1) Turn the ignition to OFF.

2) Disconnect the connector from ECM.

3) Turn the ignition to ON.

4) Measure the voltage between ECM connector and chassis ground.

Connector & terminal

(B134) No. 46 (+) — Chassis ground (−):

Is the voltage 10 V or more-

Repair the short circuit to power supply in harness between ECM connector and keyless access CM connector.

Repair the poor contact of ECM connector.

1. OUTLINE OF DIAGNOSIS

Detect abnormal continuity in the starter SW1.

Judge as ON NG when the starter SW 1 signal remains ON.

2. EXECUTION CONDITION

Secondary Parameters

Execution condition

Battery voltage

≥ 8 V

Engine speed

> 500 rpm

3. GENERAL DRIVING CYCLE

Perform the diagnosis continuously after starting the engine.

4. DIAGNOSTIC METHOD

If the duration of time while the following conditions are met is longer than the time indicated, judge as NG.

Judgment Value

Malfunction Criteria

Threshold Value

Starter SW1 voltage

≥ Battery voltage - 0.6

Time Needed for Diagnosis: 30000 ms

Malfunction Indicator Light Illumination: Illuminates as soon as a malfunction occurs.

Dtc p0604 internal control module random access memory (ram) error
DTC DETECTING CONDITION:Immediately at fault recognitionTROUBLE SYMPTOM:• Engine does not start.• Engine stalls.CAUTION:After servicing or replacing faulty parts, perform Clear Memory Mode ...

Dtc p050b cold start ignition timing performance
NOTE:For the diagnostic procedure, refer to DTC P050A. Diagnostic Procedure with Diagnostic Trouble Code (DTC) > DTC P050A COLD START IDLE CONTROL SYSTEM PERFORMANCE1. OUTLINE OF DIAGNOSISNOTE:For th ...

Other materials:

Dtc b1613 front sub sensor rh initialization error
DIAGNOSIS START CONDITION:Ignition voltage is 10 V to 16 V.DTC DETECTING CONDITION:Front sub sensor RH unit malfunction (sensor type abnormal, sensor unit initialization error)CAUTION:Before performing diagnosis, refer to “CAUTION” in “General Description”. General Descripti ...

© 2017-2025 Copyright www.sulegacy.com