DTC DETECTING CONDITION: Immediately at fault recognition TROUBLE SYMPTOM: • Improper idling • Poor driving performance CAUTION: After servicing or replacing faulty parts, perform Clear Memory Mode Clear Memory Mode > OPERATION, and Inspection Mode Inspection Mode > PROCEDURE. WIRING DIAGRAM: • Engine Electrical System ENGINE TYPE EZ (WITHOUT PUSH BUTTON START) Engine Electrical System > WIRING DIAGRAM • Engine Electrical System ENGINE TYPE EZ (WITH PUSH BUTTON START) Engine Electrical System > WIRING DIAGRAM 
| STEP | CHECK | YES | NO | 1.CHECK INPUT VOLTAGE OF ECM. 1) Turn the ignition switch to ON. 2) Measure the voltage between ECM connector and chassis ground. Connector & terminal (B134) No. 1 (+) — Chassis ground (−): (B134) No. 14 (+) — Chassis ground (−): | Is the voltage 10 — 13 V- | Diagnostic Procedure with Diagnostic Trouble Code (DTC) > DTC P0606 CONTROL MODULE PROCESSOR | Repair the open or short to ground in the power supply circuit. | 2.CHECK INPUT VOLTAGE OF ECM. 2) Measure the voltage between ECM connector and chassis ground. Connector & terminal (B134) No. 1 (+) — Chassis ground (−): (B134) No. 14 (+) — Chassis ground (−): | Is the voltage 13 — 15 V- | Diagnostic Procedure with Diagnostic Trouble Code (DTC) > DTC P0606 CONTROL MODULE PROCESSOR | Repair the open or short to ground in the power supply circuit. | 3.CHECK HARNESS BETWEEN ECM AND ELECTRONIC THROTTLE CONTROL. 1) Turn the ignition switch to OFF. 2) Disconnect the connectors from ECM and electronic throttle control. 3) Measure the resistance of harness between ECM connector and electronic throttle control connector. Connector & terminal (E158) No. 32 — (E57) No. 5: (E158) No. 34 — (E57) No. 3: | Is the resistance less than 1 -- | Diagnostic Procedure with Diagnostic Trouble Code (DTC) > DTC P0606 CONTROL MODULE PROCESSOR | Repair the open circuit of harness between ECM connector and electronic throttle control connector. | 4.CHECK ECM GROUND HARNESS. 1) Connect all connectors. 2) Turn the ignition switch to ON. 3) Measure the voltage between ECM connector and chassis ground. Connector & terminal (E158) No. 60 (+) — Chassis ground (−): (E158) No. 61 (+) — Chassis ground (−): (E158) No. 62 (+) — Chassis ground (−): (E158) No. 63 (+) — Chassis ground (−): (E158) No. 64 (+) — Chassis ground (−): (E158) No. 65 (+) — Chassis ground (−): | Is the voltage less than 1 V- | Check the connector for poor contact and check the harness. Replace the ECM if no fault is found. Engine Control Module (ECM) | Repair the harness and connector. NOTE: In this case, repair the following item: • Open circuit in ground circuit • Loose engine ground terminal |
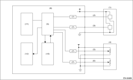
1. OUTLINE OF DIAGNOSIS Judge as NG when the CPU operation is abnormal. (1) Instruction check (2) Software flow check (3) Software monitor check (4) If the output IC operation is abnormal (5) CAN register check 2. COMPONENT DESCRIPTION (1) | Throttle position sensor | (5) | Accelerator pedal position sensor 1 | (9) | CPU | (2) | Throttle position sensor 1 | (6) | Accelerator pedal position sensor 2 | (10) | Monitoring IC | (3) | Throttle position sensor 2 | (7) | I/F circuit | (11) | EEPROM | (4) | Accelerator pedal position sensor | (8) | Engine control module (ECM) | (12) | Output IC |
3. EXECUTION CONDITION Secondary Parameters | Execution condition | (1) — 1 Initial routine | | (1) — 2 Ignition switch | ON | (1) — 2 Battery voltage | ≥ 6.2 V | (1) — 2 Electronic throttle control relay | ON | (2) Ignition switch | ON | (3) Ignition switch | ON | (3) Battery voltage | ≥ 6.2 V | (3) Electronic throttle control relay | ON | (4) Ignition switch | ON | (5) Initial routine | |
4. GENERAL DRIVING CYCLE Always perform the diagnosis continuously. 5. DIAGNOSTIC METHOD Judge as NG when the following conditions are established. Judgment ValueMalfunction Criteria | Threshold Value | (1) — 1 Instruction value | Different from expected value | (1) — 2 Calculated result from CPU and FPU | Different from expected value | (2) Process flow result | The result and expected value do not match. | (3) High integrated IC motor continuity cut demand | Exist | (4) Communication between output driver ICs | Communication failure | (5) Writing value to CAN register | ≠ Read out value | Time Needed for Diagnosis: (1) — 1:2 time(s) (1) — 2:512 ms (2): 504 ms (3): 48 ms (4): 2500 ms (5): Less than 1 second Malfunction Indicator Light Illumination: Illuminates as soon as a malfunction occurs. |