Honda Civic manuals

Subaru Legacy BN/BS (2015-2019) Service Manual: Dtc p0719 brake switch "b" circuit low

DTC DETECTING CONDITION:

Immediately at fault recognition

TROUBLE SYMPTOM:

Gear is not shifted down when climbing a hill or driving down a hill.

WIRING DIAGRAM:

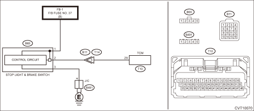
ENGINE TYPE FB

Stop light system Stop Light System

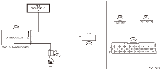
ENGINE TYPE EZ

Stop light system Stop Light System

STEPCHECKYESNO

1.CHECK FUSE (NO. 37).

1) Turn the ignition switch to OFF.

2) Remove the fuse (No. 37).

Is the fuse (No. 37) blown out-

Replace the fuse (No. 37). If the new fuse (No. 37) has blown out easily, repair the short circuit of harness between fuse (No. 37) and stop light switch.

Diagnostic Procedure with Diagnostic Trouble Code (DTC) > DTC P0719 BRAKE SWITCH "B" CIRCUIT LOW

2.CHECK HARNESS.

1) Turn the ignition switch to OFF.

2) Disconnect the TCM and stop light switch connector.

3) Measure the resistance between TCM connector and stop light switch connector.

Connector & terminal

ENGINE TYPE FB

(T10) No. 29 — (B65) No. 2:

ENGINE TYPE EZ

(B54) No. 29 — (B65) No. 2:

Is the resistance less than 1 --

Diagnostic Procedure with Diagnostic Trouble Code (DTC) > DTC P0719 BRAKE SWITCH "B" CIRCUIT LOW

Repair the open circuit of harness.

3.CHECK HARNESS.

Measure the resistance between the stop light switch connector and fuse (No. 37).

Connector & terminal

(B65) No. 1 — fuse (No. 37):

Is the resistance less than 1 --

Diagnostic Procedure with Diagnostic Trouble Code (DTC) > DTC P0719 BRAKE SWITCH "B" CIRCUIT LOW

Repair the open circuit of harness.

4.CHECK INPUT SIGNAL FOR TCM.

1) Install the fuse (No. 37).

2) Connect the TCM and stop light switch connector.

3) Depress the brake pedal.

4) Measure the voltage between TCM connector and chassis ground.

Connector & terminal

ENGINE TYPE FB

(T10) No. 29 (+) — Chassis ground (−):

ENGINE TYPE EZ

(B54) No. 29 (+) — Chassis ground (−):

Is the voltage 10 V or more-

Diagnostic Procedure with Diagnostic Trouble Code (DTC) > DTC P0719 BRAKE SWITCH "B" CIRCUIT LOW

Replace the stop light switch. Stop Light Switch

5.CHECK INPUT SIGNAL FOR TCM.

With brake pedal depressed, read the data of «Stop Light Switch» using Subaru Select Monitor.

Is “ON” displayed-

Current condition is normal. Check for poor contact in connectors or harnesses, and repair the defective part.

Diagnostic Procedure with Diagnostic Trouble Code (DTC) > DTC P0719 BRAKE SWITCH "B" CIRCUIT LOW

6.CHECK FOR POOR CONTACT.

Is there poor contact of input signal of stop light switch-

Repair the poor contact.

Replace the TCM. Transmission Control Module (TCM) Transmission Control Module (TCM)

1. OUTLINE OF DIAGNOSIS

Detect no input from the brake signal.

Judge as NG if a predetermined number of deceleration occurs while the cruise control is set to OFF and the brake is OFF.

2. EXECUTION CONDITION

Secondary Parameters

Execution condition

Cruise control

OFF

Malfunctions listed on the right column are not detected:

P0717, P0720

3. DIAGNOSTIC METHOD

If the duration of time while the following conditions are met is longer than the time indicated, judge as NG.

Judgment Value

Malfunction Criteria

Threshold Value

Number of times that vehicle speed changes from 30 km/h to 1 km/h while the brake SW is OFF

> 10 count

Dtc p0720 output shaft speed sensor circuit
DTC DETECTING CONDITION:Immediately at fault recognitionTROUBLE SYMPTOM:• Shock occurs when selecting shift position.• Shift control malfunctionWIRING DIAGRAM:CVT control system CVT Contr ...

Dtc p0716 input/turbine shaft speed sensor "a" circuit range/performance
DTC DETECTING CONDITION:Immediately at fault recognitionTROUBLE SYMPTOM:• No lock-up occurs.• Shock occurs when selecting shift position.• Shift control malfunctionSTEPCHECKYESNO1.CH ...

Other materials:

Dtc b28b6 pre-collision off switch
Detected when pre-collision brake OFF switch circuit is not installed, open-circuited or is stuck to ON.DTC DETECTING CONDITION:• Wiring of pre-collision brake OFF switch is not connected.• Pre-collision brake OFF switch circuit is open.• Pre-collision brake OFF switch circuit stay ...

© 2017-2025 Copyright www.sulegacy.com