Honda Civic manuals

Subaru Legacy BN/BS (2015-2019) Service Manual: Dtc p0724 brake switch "b" circuit high

DTC DETECTING CONDITION:

Immediately at fault recognition

TROUBLE SYMPTOM:

Gear is not shifted down when climbing a hill or driving down a hill.

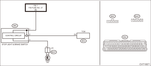
WIRING DIAGRAM:

ENGINE TYPE FB

Stop light system Stop Light System

ENGINE TYPE EZ

Stop light system Stop Light System

STEPCHECKYESNO

1.CHECK STOP LIGHT SWITCH.

1) Turn the ignition switch to OFF.

2) Disconnect the stop light switch connector.

3) Measure the resistance between stop light switch connectors.

Connector & terminal

(B65) No. 1 — No. 2:

Is the resistance 1 M- or more-

Diagnostic Procedure with Diagnostic Trouble Code (DTC) > DTC P0724 BRAKE SWITCH "B" CIRCUIT HIGH

Replace the stop light switch. Stop Light Switch

2.CHECK HARNESS.

1) Disconnect the TCM connector.

2) Turn the ignition switch to ON.

3) Measure the voltage between TCM connector and chassis ground.

Connector & terminal

ENGINE TYPE FB

(T10) No. 29 (+) — Chassis ground (−):

ENGINE TYPE EZ

(B54) No. 29 (+) — Chassis ground (−):

Is the voltage 10 V or more-

Repair the short circuit of harness.

Diagnostic Procedure with Diagnostic Trouble Code (DTC) > DTC P0724 BRAKE SWITCH "B" CIRCUIT HIGH

3.CHECK INPUT SIGNAL FOR TCM.

1) Connect the TCM and stop light switch connector.

2) Turn the ignition switch to ON.

3) Read the data of «Stop Light Switch» using Subaru Select Monitor.

Is “OFF” displayed-

Current condition is normal. Check for poor contact in connectors or harnesses, and repair the defective part.

Diagnostic Procedure with Diagnostic Trouble Code (DTC) > DTC P0724 BRAKE SWITCH "B" CIRCUIT HIGH

4.CHECK FOR POOR CONTACT.

Is there poor contact of input signal of stop light switch-

Repair the poor contact.

Replace the TCM. Transmission Control Module (TCM) Transmission Control Module (TCM)

1. OUTLINE OF DIAGNOSIS

Detect the brake signal stuck to ON.

Judge as NG if a predetermined number of acceleration occurs while the cruise control is set to OFF and the brake is ON.

2. EXECUTION CONDITION

Secondary Parameters

Execution condition

Cruise control

OFF

Malfunctions listed on the right column are not detected:

P0717, P0720

3. DIAGNOSTIC METHOD

If the duration of time while the following conditions are met is longer than the time indicated, judge as NG.

Judgment Value

Malfunction Criteria

Threshold Value

Number of times that vehicle speed changes from 1 km/h to 30 km/h while the brake SW is ON

> 10 count

Dtc p0730 incorrect gear ratio
DTC DETECTING CONDITION:Immediately at fault recognitionTROUBLE SYMPTOM:• Acceleration is poor during standing start.• Shift control malfunction• Engine speed increases abruptly.1. E ...

Dtc p0721 output shaft speed sensor circuit range/performance
DTC DETECTING CONDITION:Immediately at fault recognitionTROUBLE SYMPTOM:• Acceleration is poor during standing start.• No lock-up occurs.• The engine stalls when the vehicle is stopp ...

Other materials:

Dtc b1443 mode door actuator circuit stuck
DTC DETECTING CONDITION:Mode door actuator is locked.TROUBLE SYMPTOM:Vent does not change.WIRING DIAGRAM:Air conditioning system Air Conditioning System > WIRING DIAGRAMSTEPCHECKYESNO1.CHECK CONNECTOR.1) Check connecting condition of the A/C CM connector and mode door actuator connector.2) Read the ...

© 2017-2026 Copyright www.sulegacy.com