Honda Civic manuals

Subaru Legacy BN/BS (2015-2019) Service Manual: Dtc p1499 coil 4 egr "a" control circuit high

DTC DETECTING CONDITION:

Immediately at fault recognition

TROUBLE SYMPTOM:

Improper idling

Poor driving performance

Engine breathing

CAUTION:

After servicing or replacing faulty parts, perform Clear Memory Mode Clear Memory Mode > OPERATION, and Inspection Mode Inspection Mode > PROCEDURE.

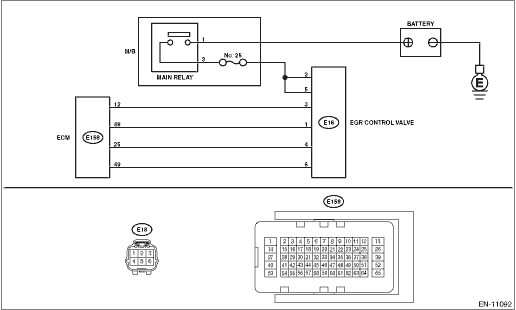
WIRING DIAGRAM:

Engine Electrical System ENGINE TYPE FB (WITHOUT PUSH BUTTON START) Engine Electrical System > WIRING DIAGRAM

Engine Electrical System ENGINE TYPE FB (WITH PUSH BUTTON START) Engine Electrical System > WIRING DIAGRAM

STEPCHECKYESNO

1.CHECK HARNESS BETWEEN ECM AND EGR CONTROL VALVE CONNECTOR.

1) Turn the ignition switch to OFF.

2) Disconnect the connector from ECM and EGR control valve.

3) Turn the ignition switch to ON.

4) Measure the voltage between ECM connector and chassis ground.

Connector & terminal

DTC P1493; (E158) No. 12 (+) — Chassis ground (−):

DTC P1495; (E158) No. 48 (+) — Chassis ground (−):

DTC P1497; (E158) No. 25 (+) — Chassis ground (−):

DTC P1499; (E158) No. 49 (+) — Chassis ground (−):

Is the voltage 10 V or more-

Repair the short circuit to power supply in the harness between the ECM connector and EGR control valve connector.

Diagnostic Procedure with Diagnostic Trouble Code (DTC) > DTC P1499 COIL 4 EGR "A" CONTROL CIRCUIT HIGH

2.CHECK EGR CONTROL VALVE.

Measure the resistance between EGR control valve terminals.

Terminals

DTC P1493; No. 2 — No. 3:

DTC P1495; No. 2 — No. 1:

DTC P1497; No. 5 — No. 4:

DTC P1499; No. 5 — No. 6:

Is the resistance 20 - or more-

Repair the poor contact of ECM connector.

Replace EGR control valve. EGR Control Valve

1. OUTLINE OF DIAGNOSIS

NOTE:

For the detection standard, refer to DTC P1493. Diagnostic Procedure with Diagnostic Trouble Code (DTC) > DTC P1493 COIL 1 EGR "A" CONTROL CIRCUIT HIGH

Dtc p1c00 battery monitor module "a" performance
DTC DETECTING CONDITION:Immediately at fault recognitionCAUTION:After servicing or replacing faulty parts, perform Clear Memory Mode Clear Memory Mode > OPERATION, and Inspection Mode Inspection Mod ...

Dtc p1498 coil 4 egr "a" control circuit low
DTC DETECTING CONDITION:Immediately at fault recognitionTROUBLE SYMPTOM:• Improper idling• Poor driving performance• Engine breathingCAUTION:After servicing or replacing faulty parts ...

Other materials:

Dtc b2a0f backup battery degradation
DIAGNOSIS START CONDITION:When ignition switch is ON.DTC DETECTING CONDITION:• Backup battery voltage of charger is low.• Charging attempt of 2 V or more fails after the backup battery has been charged for 1 hour continuously.• Full charging is not achieved after the backup battery ...

© 2017-2025 Copyright www.sulegacy.com