Honda Civic manuals

Subaru Legacy BN/BS (2015-2019) Service Manual: Dtc p2103 throttle actuator "a" control motor circuit high

DTC DETECTING CONDITION:

Immediately at fault recognition

CAUTION:

After servicing or replacing faulty parts, perform Clear Memory Mode Clear Memory Mode > OPERATION, and Inspection Mode Inspection Mode > PROCEDURE.

WIRING DIAGRAM:

Engine Electrical System ENGINE TYPE EZ (WITHOUT PUSH BUTTON START) Engine Electrical System > WIRING DIAGRAM

Engine Electrical System ENGINE TYPE EZ (WITH PUSH BUTTON START) Engine Electrical System > WIRING DIAGRAM

STEPCHECKYESNO

1.CHECK ELECTRONIC THROTTLE CONTROL RELAY.

1) Turn the ignition switch to OFF.

2) Remove the electronic throttle control relay.

3) Measure the resistance between electronic throttle control relay terminals.

Terminals

No. 22 — No. 23:

Is the resistance 1 M- or more-

Diagnostic Procedure with Diagnostic Trouble Code (DTC) > DTC P2103 THROTTLE ACTUATOR "A" CONTROL MOTOR CIRCUIT HIGH

Replace the electronic throttle control relay. Electrical Component Location

2.CHECK SHORT CIRCUIT OF ELECTRONIC THROTTLE CONTROL RELAY POWER SUPPLY.

1) Turn the ignition switch to ON.

2) Measure the voltage between electronic throttle control relay connector and chassis ground.

Connector & terminal

(B48) No. 22 (+) — Chassis ground (−):

Is the voltage 10 V or more-

Repair the short circuit to power in the harness between ECM connector and electronic throttle control relay.

Diagnostic Procedure with Diagnostic Trouble Code (DTC) > DTC P2103 THROTTLE ACTUATOR "A" CONTROL MOTOR CIRCUIT HIGH

3.CHECK HARNESS BETWEEN ECM AND ELECTRONIC THROTTLE CONTROL RELAY.

1) Turn the ignition switch to OFF.

2) Disconnect the connector from ECM.

3) Measure the resistance between ECM connector and chassis ground.

Connector & terminal

(B134) No. 65 — Chassis ground:

Is the resistance 1 M- or more-

Repair the poor contact of ECM connector.

Repair the short circuit to ground in harness between ECM connector and electronic throttle control relay.

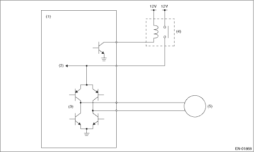
1. OUTLINE OF DIAGNOSIS

Judge as NG when the electronic throttle control power is supplied even when ECM sets the electronic throttle control relay to OFF.

2. COMPONENT DESCRIPTION

(1)

Engine control module (ECM)

(3)

Drive circuit

(5)

Motor

(2)

Voltage detection circuit

(4)

Electronic throttle control relay

3. EXECUTION CONDITION

Secondary Parameters

Execution condition

Battery voltage

≥ 6 V

Electronic throttle control relay output

OFF

4. GENERAL DRIVING CYCLE

When ignition switch ON > OFF

Ignition switch OFF > ON (Only after clearing memory)

5. DIAGNOSTIC METHOD

If the duration of time while the following conditions are met is longer than the time indicated, judge as NG.

Judgment Value

Malfunction Criteria

Threshold Value

Motor power voltage

≥ 5 V

Time Needed for Diagnosis: 600 ms

Malfunction Indicator Light Illumination: Illuminates as soon as a malfunction occurs.

Dtc p2109 throttle/pedal position sensor "a" minimum stop performance
NOTE:For the diagnostic procedure, refer to DTC P2101. Diagnostic Procedure with Diagnostic Trouble Code (DTC) > DTC P2101 THROTTLE ACTUATOR "A" CONTROL MOTOR CIRCUIT RANGE/PERFORMANCE1. OUTLINE OF D ...

Dtc p2102 throttle actuator "a" control motor circuit low
DTC DETECTING CONDITION:Immediately at fault recognitionTROUBLE SYMPTOM:• Improper idling• Poor driving performance• Engine stalls.CAUTION:After servicing or replacing faulty parts, ...

Other materials:

Dtc p0452 evap system (cpc) pressure sensor/switch circuit low
DTC DETECTING CONDITION:Immediately at fault recognitionCAUTION:After servicing or replacing faulty parts, perform Clear Memory Mode Clear Memory Mode > OPERATION, and Inspection Mode Inspection Mode > PROCEDURE.WIRING DIAGRAM:• Engine Electrical System ENGINE TYPE EZ (WITHOUT PUSH BUTTON ST ...

© 2017-2025 Copyright www.sulegacy.com