Honda Civic manuals

Subaru Legacy BN/BS (2015-2019) Service Manual: Dtc p2119 throttle actuator "a" control throttle body range/performance

NOTE:

For the diagnostic procedure, refer to DTC P2101. Diagnostic Procedure with Diagnostic Trouble Code (DTC) > DTC P2101 THROTTLE ACTUATOR "A" CONTROL MOTOR CIRCUIT RANGE/PERFORMANCE

1. OUTLINE OF DIAGNOSIS

Judge as NG when the target opening angle and actual opening angle is mismatched or the current to motor is the specified duty or more for specified time continuously.

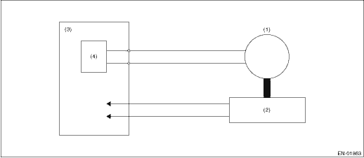
2. COMPONENT DESCRIPTION

(1)

Motor

(3)

Engine control module (ECM)

(4)

Drive circuit

(2)

Throttle position sensor

3. EXECUTION CONDITION

Secondary Parameters

Execution condition

Battery voltage

≥ 6.2 V

Electronic throttle control relay output

ON

4. GENERAL DRIVING CYCLE

Always perform the diagnosis continuously when the electronic throttle control is operating.

5. DIAGNOSTIC METHOD

Judge as NG if the criteria below are met.

Diagnosis 1

Judgment Value

Malfunction Criteria

Threshold Value

Output duty to drive circuit

≥ 95 %

Time Needed for Diagnosis:

Engine speed ≥ 500 rpm: 2000 ms

Engine speed < 500 rpm: 5000 ms

Diagnosis 2

Judgment Value

Malfunction Criteria

Threshold Value

Difference between target opening angle and actual opening angle

Within NG range of Details of Judgment value

Time Needed for Diagnosis:

Engine speed ≥ 500 rpm: Refer to Details of Judgment time.

Engine speed < 500 rpm: 5000 ms

Details of Judgment Value

(X1)

6.915 °

(X2)

11.565 °

(X3)

15.785 °

(X4)

21.285 °

(X5)

29.965 °

(Y1)

4.65 °

(Y2)

4.22 °

(Y3)

5.5 °

(Y4)

8.68 °

(Y5)

25 °

Details of Judgment time

(X1)

8.049999237 °

(X2)

9.5 °

(X3)

14.5 °

(X4)

23.5 °

(Y1)

1000 ms

(Y2)

400 ms

(Y3)

304 ms

(Y4)

248 ms

NOTE:

Judgment time is always 1000 milliseconds when actual opening angle < target opening angle.

Malfunction Indicator Light Illumination: Illuminates as soon as a malfunction occurs.

Dtc p2122 throttle/pedal position sensor/switch "d" circuit low
DTC DETECTING CONDITION:Immediately at fault recognitionTROUBLE SYMPTOM:• Improper idling• Poor driving performanceCAUTION:After servicing or replacing faulty parts, perform Clear Memory M ...

Dtc p2109 throttle/pedal position sensor "a" minimum stop performance
NOTE:For the diagnostic procedure, refer to DTC P2101. Diagnostic Procedure with Diagnostic Trouble Code (DTC) > DTC P2101 THROTTLE ACTUATOR "A" CONTROL MOTOR CIRCUIT RANGE/PERFORMANCE1. OUTLINE OF D ...

Other materials:

Installation
1. STEERING LOCK1. Install the key cylinder.2. Install the key lock solenoid and immobilizer antenna assembly.3. Install the cover assembly - column.4. Connect the ground terminal to battery sensor. NOTE2. FRONT DOOR1. Install the key cylinder.2. Install the cover - handle front outer.CAUTION:When ...

© 2017-2026 Copyright www.sulegacy.com