Honda Civic manuals

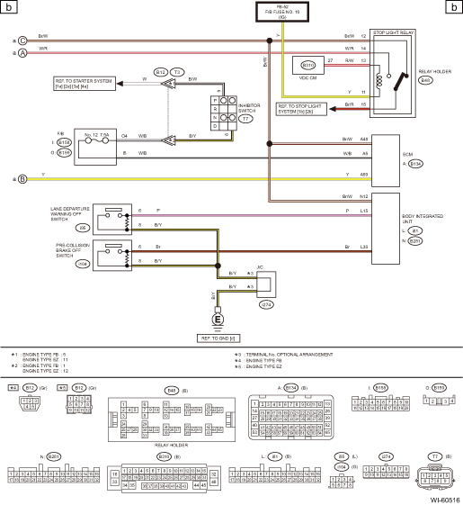
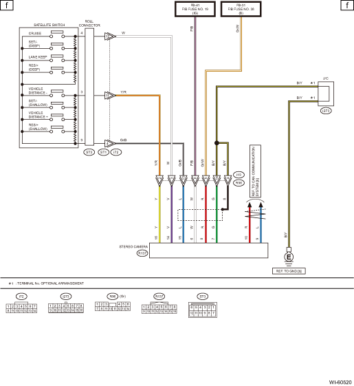
Subaru Legacy BN/BS (2015-2019) Service Manual: Eyesight system wiring diagram

Engine wiring harness and transmission cord location
1. ENGINE TYPE FBConnectorConnecting toNo.PoleColorAreaNo.DescriptionAT13BD-5 Primary speed sensorAT43GrD-5 Secondary speed sensorAT53GrD-4 Turbine speed sensorAT63BD-5 Secondary pressure sensorE42LB- ...

Front accessory power supply socket system wiring diagram
...

Other materials:

Dtc p0101 mass or volume air flow sensor "a" circuit range/performance
DTC DETECTING CONDITION:Detected when two consecutive driving cycles with fault occur.TROUBLE SYMPTOM:• Improper idling• Engine stalls.• Poor driving performanceCAUTION:After servicing or replacing faulty parts, perform Clear Memory Mode Clear Memory Mode > OPERATION, and Inspecti ...

© 2017-2025 Copyright www.sulegacy.com