Honda Civic manuals

Subaru Legacy BN/BS (2015-2019) Service Manual: Immobilizer system wiring diagram

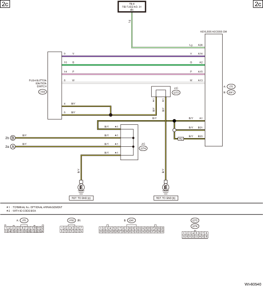
Subaru Legacy BN/BS (2015-2019) Service Manual / Wiring system / Immobilizer system wiring diagram

1. WITHOUT PUSH BUTTON START

2. WITH PUSH BUTTON START

Horn system wiring diagram
...

Instrument panel wiring harness lh location
ConnectorConnecting toNo.PoleColorAreaNo.DescriptionAB24YC-4AB7Driver's airbag moduleAB352C-2 F/Bi212C-1R339Rear wiring harness LHi516LC-2 F/Bi1040BB-3 Combination meteri288C-2 OP connector (fog light ...

Other materials:

Component
1. REAR DIFFERENTIAL (T-TYPE)(1)Hypoid driven gear and drive pinion set(14)O-ring(27)Filler plug(2)Pinion height adjusting washer(15)Side retainer shim(28)Drain plug(3)Rear bearing(16)Side retainer(29)Rear cover(4)Preload adjusting spacer(17)Side oil seal(30)Differential case(5)Preload adjusting was ...

© 2017-2025 Copyright www.sulegacy.com