Honda Civic manuals

Subaru Legacy BN/BS (2015-2019) Service Manual: Inspection

1. COMMUNICATION FOR INITIALIZING IMPOSSIBLE

When communication with DCM is impossible

DETECTING CONDITION:

Defective harness connector

Power supply circuit malfunction

Defective DCM

Defective CAN communication circuit

Defective Subaru Select Monitor

TROUBLE SYMPTOM:

Communication is impossible between DCM and Subaru Select Monitor.

CAUTION:

CommCheck is required after replacing the DCM. Telematics System > OPERATION

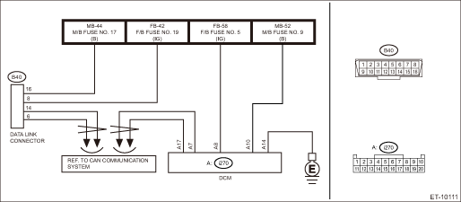
WIRING DIAGRAM:

NOTE:

For the coupling connector, refer to “WIRING SYSTEM”.

Telematics Telematics System > WIRING DIAGRAM

STEPCHECKYESNO

1.CHECK FUSE.

1) Turn the ignition switch to OFF.

2) Check the fuse of the DCM.

Is there any fault-

Replace the fuse. If the replaced fuse blows out easily, repair the ground short circuit in harness between the fuse — DCM connector.

Subaru Select Monitor > INSPECTION

2.CHECK HARNESS (OPEN CIRCUIT).

1) Disconnect the DCM connector.

2) Turn the ignition switch to ON.

3) Using a tester, measure the voltage between DCM connector (harness side) and the chassis ground.

Connector & terminal

(i270) No. 8 (+) — Chassis ground (−):
(i270) No. 10 (+) — Chassis ground (−):

Is the voltage 10 V or more-

Subaru Select Monitor > INSPECTION

Repair the open circuit in the wiring harness between fuse and DCM connector.

3.CHECK HARNESS (OPEN CIRCUIT).

1) Turn the ignition switch to OFF.

2) Using a tester, measure the resistance between DCM connector (harness side) and the chassis ground.

Connector & terminal

(i270) No. 14 — Chassis ground:

Is the resistance 1 - or less-

Subaru Select Monitor > INSPECTION

Repair the open circuit in the wiring harness between fuse and DCM connector.

4.CHECK LAN SYSTEM.

1) Inspect LAN system.

Is there any fault-

Perform the inspection according to the diagnosis for LAN system.

Subaru Select Monitor > INSPECTION

5.CHECK TELEMATICS.

Using the Subaru Select Monitor, communicate with the telematics system.

Is communication possible-

Even if DTC is detected, the circuit has returned to a normal condition at this time. Reproduce the failure, and then perform the diagnosis again.

In this case, temporary poor contact of connector, temporary open or short circuit of harness may be the cause.

Replace the DCM. Data Communication Module

Operation
• For operation procedures, refer to “Application help”.• When DCM cannot establish communication with Subaru Select Monitor, perform “COMMUNICATION FOR INITIALIZING IMPO ...

System operation check mode
...

Other materials:

Dtc p2196 a/f /o2 sensor signal biased/stuck rich bank 1 sensor 1
DTC DETECTING CONDITION:Detected when two consecutive driving cycles with fault occur.CAUTION:After servicing or replacing faulty parts, perform Clear Memory Mode Clear Memory Mode > OPERATION, and Inspection Mode Inspection Mode > PROCEDURE.WIRING DIAGRAM:• Engine Electrical System ENGINE T ...

© 2017-2026 Copyright www.sulegacy.com