Honda Civic manuals

Subaru Legacy BN/BS (2015-2019) Service Manual: Inspection

1. CHECK HORN SWITCH

CAUTION:

Refer to “CAUTION” of “General Description” before handling the airbag system components. General Description > CAUTION

1. Disconnect the ground terminal from the battery sensor, and wait for at least 60 seconds before starting work. NOTE

2. Remove the driver’s airbag module. Driver’s Airbag Module > REMOVAL

3. Check that the connection of the horn switch harness connector is correct.

4. Measure the resistance between connectors.

Preparation tool:

Circuit tester

(a)

Ground terminal

(b)

Horn switch terminal

Terminal No.

Standard

Horn switch terminal — ground terminal

Less than 1 -

5. Replace the driver’s airbag module if the inspection result is not within the standard value.

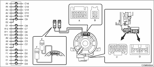
2. CHECK ROLL CONNECTOR

CAUTION:

If the steering wheel and steering angle sensor (steering roll connector) are removed, perform “VDC sensor midpoint setting mode” of the VDC. VDC Control Module and Hydraulic Control Unit (VDCCM&H/U) > ADJUSTMENT

1. Remove the roll connector. Roll Connector > REMOVAL

2. Measure the resistance between connector terminals.

Preparation tool:

Circuit tester

Terminal No.

Inspection conditions

Standard

A1 — C9

Always

Less than 1 -

3. Replace the roll connector if the inspection result is not within the standard value.

Note
• Horn switch is a unit with the driver’s airbag module.• Refer to “Airbag System” for removal and installation procedures of the driver’s airbag module. Driver&rs ...

Horn system
...

Other materials:

Dtc p0117 engine coolant temperature sensor 1 circuit low
DTC DETECTING CONDITION:Immediately at fault recognitionTROUBLE SYMPTOM:• Hard to start• Improper idling• Poor driving performanceCAUTION:After servicing or replacing faulty parts, perform Clear Memory Mode Clear Memory Mode > OPERATION, and Inspection Mode Inspection Mode > PROC ...

© 2017-2025 Copyright www.sulegacy.com