Honda Civic manuals

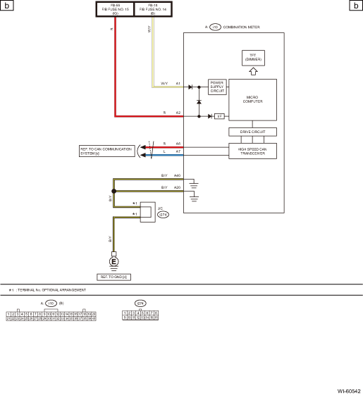
Subaru Legacy BN/BS (2015-2019) Service Manual: Interior light system wiring diagram

Subaru Legacy BN/BS (2015-2019) Service Manual / Wiring system / Interior light system wiring diagram

Instrument panel wiring harness rh location
ConnectorConnecting toNo.PoleColorAreaNo.DescriptionAB13D-3i43Instrument panel wiring harnessAB628YD-3 Airbag CMAB94YB-3 Passenger's airbag moduleAD12D-3i46Instrument panel wiring harnessAD22BD-3 Rear ...

Keyless access with push button start system wiring diagram
...

Other materials:

Dtc p2006 tgv control stuck closed bank 1
DTC DETECTING CONDITION:Immediately at fault recognitionCAUTION:After servicing or replacing faulty parts, perform Clear Memory Mode Clear Memory Mode > OPERATION, and Inspection Mode Inspection Mode > PROCEDURE.STEPCHECKYESNO1.CHECK FOR ANY OTHER DTC ON DISPLAY.Is any other DTC displayed-Check th ...

© 2017-2025 Copyright www.sulegacy.com