Honda Civic manuals

Subaru Legacy BN/BS (2015-2019) Service Manual: Check power supply and ground line of engine control module (ecm)

Subaru Legacy BN/BS (2015-2019) Service Manual / Engine (diagnostics)(h6do) / Diagnostics for engine starting failure / Check power supply and ground line of engine control module (ecm)

CAUTION:

After servicing or replacing faulty parts, perform Clear Memory Mode Clear Memory Mode > OPERATION, and Inspection Mode Inspection Mode > PROCEDURE.

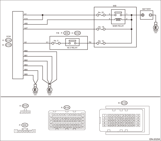
WIRING DIAGRAM:

Engine Electrical System ENGINE TYPE EZ (WITHOUT PUSH BUTTON START) Engine Electrical System > WIRING DIAGRAM

Engine Electrical System ENGINE TYPE EZ (WITH PUSH BUTTON START) Engine Electrical System > WIRING DIAGRAM

STEPCHECKYESNO

1.CHECK MAIN RELAY.

1) Turn the ignition switch to OFF.

2) Remove the main relay.

3) Connect the battery to main relay terminals No. 1 and No. 2.

4) Measure the resistance between main relay terminals.

Terminals

No. 3 — No. 4:

Is the resistance less than 1 --

Diagnostics for Engine Starting Failure > CHECK POWER SUPPLY AND GROUND LINE OF ENGINE CONTROL MODULE (ECM)

Replace the main relay. Main Relay

2.CHECK GROUND CIRCUIT FOR ECM.

1) Disconnect the connector from ECM.

2) Measure the resistance of harness between ECM connector and chassis ground.

Connector & terminal

(B158) No. 60 — Chassis ground:

(B158) No. 61 — Chassis ground:

(B158) No. 62 — Chassis ground:

(B158) No. 63 — Chassis ground:

(B158) No. 64 — Chassis ground:

(B158) No. 65 — Chassis ground:

Is the resistance less than 5 --

Diagnostics for Engine Starting Failure > CHECK POWER SUPPLY AND GROUND LINE OF ENGINE CONTROL MODULE (ECM)

Repair the open circuit of harness between ECM connector and engine ground terminal.

3.CHECK INPUT VOLTAGE OF ECM.

1) Turn the ignition switch to ON.

2) Measure the voltage between ECM connector and chassis ground.

Connector & terminal

(B134) No. 2 (+) — Chassis ground (−):

(B134) No. 27 (+) — Chassis ground (−):

Is the voltage 10 V or more-

Diagnostics for Engine Starting Failure > CHECK POWER SUPPLY AND GROUND LINE OF ENGINE CONTROL MODULE (ECM)

Repair the open or ground short in the harness of power supply circuit.

4.CHECK INPUT VOLTAGE OF MAIN RELAY.

Measure the voltage between main relay connector and chassis ground.

Connector & terminal

No. 1 (+) — Chassis ground (−):

No. 2 (+) — Chassis ground (−):

Is the voltage 10 V or more-

Diagnostics for Engine Starting Failure > CHECK POWER SUPPLY AND GROUND LINE OF ENGINE CONTROL MODULE (ECM)

Repair the open or ground short in the harness of power supply circuit.

5.CHECK INPUT VOLTAGE OF ECM.

1) Turn the ignition switch to OFF.

2) Install the main relay.

3) Turn the ignition switch to ON.

4) Measure the voltage between ECM connector and chassis ground.

Connector & terminal

(B134) No. 60 (+) — Chassis ground (−):

Is the voltage 10 V or more-

Diagnostics for Engine Starting Failure > CHECK POWER SUPPLY AND GROUND LINE OF ENGINE CONTROL MODULE (ECM)

Repair the open circuit of harness between ECM connector and main relay connector.

6.CHECK INPUT VOLTAGE OF ECM.

1) Turn the ignition switch to OFF.

2) Connect the connector to ECM.

3) Turn the ignition switch to ON.

4) Measure the voltage between ECM connector and chassis ground.

Connector & terminal

(B134) No. 1 (+) — Chassis ground (−):

(B134) No. 14 (+) — Chassis ground (−):

Is the voltage 10 V or more-

Check ignition control system. Diagnostics for Engine Starting Failure > IGNITION CONTROL SYSTEM

Repair the harness and connector.

NOTE:

In this case, repair the following item:

Open circuit in harness between ECM connector and main relay connector

Poor contact of main relay connector

Poor contact of ECM connector

Fuel injector circuit
CAUTION:• Check or repair only faulty parts.• After servicing or replacing faulty parts, perform Clear Memory Mode Clear Memory Mode > OPERATION, and Inspection Mode Inspection Mode > PR ...

Fuel pump circuit
CAUTION:After servicing or replacing faulty parts, perform Clear Memory Mode Clear Memory Mode > OPERATION, and Inspection Mode Inspection Mode > PROCEDURE.STEPCHECKYESNO1.CHECK OPERATING SOUND OF F ...

Other materials:

Engine wiring harness and transmission cord location
1. ENGINE TYPE FBConnectorConnecting toNo.PoleColorAreaNo.DescriptionAT13BD-5 Primary speed sensorAT43GrD-5 Secondary speed sensorAT53GrD-4 Turbine speed sensorAT63BD-5 Secondary pressure sensorE42LB-4 Purge control solenoid valveE52GrA-2 Fuel injector No. 1E62GrA-3 Fuel injector No. 3E82BB-4 Engine ...

© 2017-2025 Copyright www.sulegacy.com