Honda Civic manuals

Subaru Legacy BN/BS (2015-2019) Service Manual: Fuel injector circuit

CAUTION:

Check or repair only faulty parts.

After servicing or replacing faulty parts, perform Clear Memory Mode Clear Memory Mode > OPERATION, and Inspection Mode Inspection Mode > PROCEDURE.

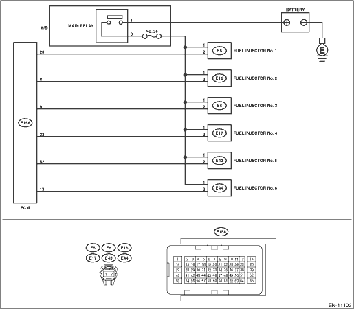
WIRING DIAGRAM:

Engine Electrical System ENGINE TYPE EZ (WITHOUT PUSH BUTTON START) Engine Electrical System > WIRING DIAGRAM

Engine Electrical System ENGINE TYPE EZ (WITH PUSH BUTTON START) Engine Electrical System > WIRING DIAGRAM

STEPCHECKYESNO

1.CHECK OPERATION OF EACH FUEL INJECTOR.

While cranking the engine, check each fuel injector emits operating sound. Use a sound scope or listen by attaching a screwdriver to the injector for this check.

Does the fuel injector emit operating sound-

Check the fuel pressure. Fuel Pressure > INSPECTION

Diagnostics for Engine Starting Failure > FUEL INJECTOR CIRCUIT

2.CHECK POWER SUPPLY TO EACH FUEL INJECTOR.

1) Turn the ignition switch to OFF.

2) Disconnect the connector from fuel injector.

3) Turn the ignition switch to ON.

4) Measure the voltage between fuel injector connector and the engine ground.

Connector & terminal

#1 (E5) No. 1 (+) — Engine ground (−):

#2 (E16) No. 1 (+) — Engine ground (−):

#3 (E6) No. 1 (+) — Engine ground (−):

#4 (E17) No. 1 (+) — Engine ground (−):

#5 (E43) No. 1 (+) — Engine ground (−):

#6 (E44) No. 1 (+) — Engine ground (−):

Is the voltage 10 V or more-

Diagnostics for Engine Starting Failure > FUEL INJECTOR CIRCUIT

Repair the harness and connector.

NOTE:

In this case, repair the following item:

Open circuit in harness between main relay and fuel injector connector

Poor contact of main relay connector

Poor contact of coupling connector

3.CHECK HARNESS BETWEEN ECM AND FUEL INJECTOR CONNECTOR.

1) Turn the ignition switch to OFF.

2) Disconnect the connector from ECM.

3) Measure the resistance of harness between ECM connector and fuel injector connector.

Connector & terminal

#1 (B158) No. 23 — (E5) No. 1:

#2 (B158) No. 8 — (E16) No. 1:

#3 (B158) No. 9 — (E6) No. 1:

#4 (B158) No. 22 — (E17) No. 1:

#5 (B158) No. 52 — (E43) No. 1:

#6 (B158) No. 13 — (E44) No. 1:

Is the resistance less than 1 --

Diagnostics for Engine Starting Failure > FUEL INJECTOR CIRCUIT

Repair the open circuit of the harness between the ECM connector and fuel injector connector.

4.CHECK HARNESS BETWEEN ECM AND FUEL INJECTOR CONNECTOR.

Measure the resistance between ECM connector and chassis ground.

Connector & terminal

#1 (B158) No. 23 — Chassis ground:

#2 (B158) No. 8 — Chassis ground:

#3 (B158) No. 9 — Chassis ground:

#4 (B158) No. 22 — Chassis ground:

#5 (B158) No. 52 — Chassis ground:

#6 (B158) No. 13 — Chassis ground:

Is the resistance 1 M- or more-

Diagnostics for Engine Starting Failure > FUEL INJECTOR CIRCUIT

Repair the short circuit to ground in harness between ECM connector and fuel injector connector.

5.CHECK EACH FUEL INJECTOR.

Measure the resistance between each fuel injector terminals.

Terminals

No. 1 — No. 2:

Is the resistance 5 — 20 --

Diagnostics for Engine Starting Failure > FUEL INJECTOR CIRCUIT

Replace the faulty fuel injector. Fuel Injector

6.CHECK FOR POOR CONTACT.

Check for poor contact of ECM connector.

Is there poor contact of ECM connector-

Repair the poor contact of ECM connector.

Inspection using “General Diagnostic Table”. General Diagnostic Table > INSPECTION

Diagnostics for engine starting failure
...

Check power supply and ground line of engine control module (ecm)
CAUTION:After servicing or replacing faulty parts, perform Clear Memory Mode Clear Memory Mode > OPERATION, and Inspection Mode Inspection Mode > PROCEDURE.WIRING DIAGRAM:• Engine Electrical S ...

Other materials:

Dtc p0072 ambient air temperature sensor circuit "a" low
DTC DETECTING CONDITION:Immediately at fault recognitionSTEPCHECKYESNO1.CHECK DTC.Check for DTC. Read Diagnostic Trouble Code (DTC)Is P0072 or P0073 displayed in «Present fault»- Diagnostic Procedure with Diagnostic Trouble Code (DTC) > DTC P0072 AMBIENT AIR TEMPERATURE SENSOR CIRCUIT "A" LOWEven ...

© 2017-2026 Copyright www.sulegacy.com