Honda Civic manuals

Subaru Legacy BN/BS (2015-2019) Service Manual: Clearance light and illumination light system wiring diagram

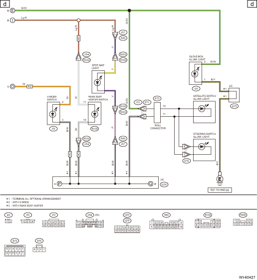
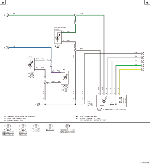
Subaru Legacy BN/BS (2015-2019) Service Manual / Wiring system / Clearance light and illumination light system wiring diagram

Charging system wiring diagram
...

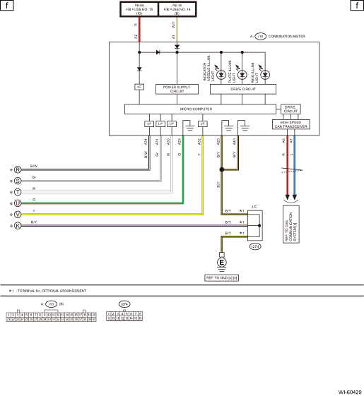
Combination meter system wiring diagram
...

Other materials:

Dtc p0010 "a" camshaft position actuator control circuit/open bank 1
DTC DETECTING CONDITION:Immediately at fault recognitionTROUBLE SYMPTOM:Improper idlingCAUTION:After servicing or replacing faulty parts, perform Clear Memory Mode Clear Memory Mode > OPERATION, and Inspection Mode Inspection Mode > PROCEDURE.WIRING DIAGRAM:• Engine Electrical System ENGINE ...

© 2017-2025 Copyright www.sulegacy.com