Honda Civic manuals

Subaru Legacy BN/BS (2015-2019) Service Manual: Communication for initializing impossible

NOTE:

If the communication with the body integrated unit is not possible either, refer to BODY CONTROL SYSTEM (DIAGNOSTICS). Subaru Select Monitor > COMMUNICATION FOR INITIALIZING IMPOSSIBLE

DETECTING CONDITION:

Defective harness

Power supply circuit malfunction

Defective power seat control module

Body integrated unit malfunctioning

Defective LIN communication circuit

Defective Subaru Select Monitor

TROUBLE SYMPTOM:

Not communicable with Subaru Select Monitor.

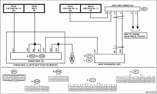
WIRING DIAGRAM:

NOTE:

For the coupling connector, refer to “WIRING SYSTEM”.

Power seat system Power Seat System > WIRING DIAGRAM

STEPCHECKYESNO

1.CHECK OTHER COMMUNICATION.

Perform communication with the system other than the power seat control module using the Subaru Select Monitor.

Is the communication to other control module possible-

Subaru Select Monitor > COMMUNICATION FOR INITIALIZING IMPOSSIBLE

Perform the “Communication for Initializing Impossible” of LAN system. Basic Diagnostic Procedure > PROCEDURE

2.CHECK LAN SYSTEM.

Perform the inspection for LAN system. Basic Diagnostic Procedure > PROCEDURE

Is there any fault-

Perform the diagnosis according to the inspection for LAN system.

Subaru Select Monitor > COMMUNICATION FOR INITIALIZING IMPOSSIBLE

3.CHECK FOR POOR CONTACT.

1) Turn the ignition switch to OFF.

2) Disconnect the connector of power seat control module.

3) Disconnect the connector of body integrated unit.

4) Connect the disconnected connectors.

5) Turn the ignition switch to ON.

6) Perform communication with the power seat control module using the Subaru Select Monitor.

Is communication possible-

The circuit has returned to a normal condition at this time. Reproduce the failure, and then perform the diagnosis again.

NOTE:

In this case, temporary poor contact of connector, temporary open or short circuit of harness may be the cause.

Replace the power seat control module. Power Seat System > REMOVAL

Subaru select monitor
...

Operation
• For detailed operation procedures, refer to “Application help”.• When communication with Subaru Select Monitor is not possible, perform “COMMUNICATION FOR INITIALIZING ...

Other materials:

Inspection mode procedure
Perform the diagnosis shown in the following DTC table.When performing the diagnosis not listed in “List of Diagnostic Trouble Code (DTC)”, refer to the item on the drive cycle. Drive CycleDTCItemConditionB1570ANTENNA — B1571REFERENCE CODE INCOMPATIBILITY (IMMOBILIZER CM TO ECM) — B ...

© 2017-2026 Copyright www.sulegacy.com