Honda Civic manuals

Subaru Legacy BN/BS (2015-2019) Service Manual: Component

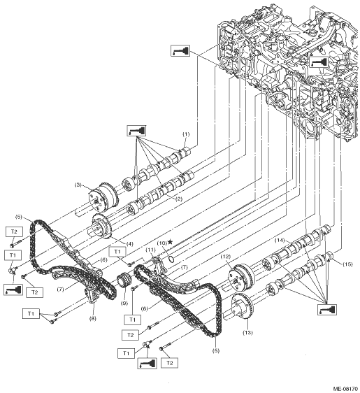
1. TIMING CHAIN AND CAMSHAFT

(1)

Intake camshaft RH

(8)

Chain tensioner RH

(14)

Intake camshaft LH

(2)

Exhaust camshaft RH

(9)

Crank sprocket

(15)

Exhaust camshaft LH

(3)

Intake cam sprocket RH

(10)

O-ring

(4)

Exhaust cam sprocket RH

(11)

Chain tensioner LH

Tightening torque: N·m (kgf-m, ft-lb)

(5)

Timing chain

(12)

Intake cam sprocket LH

T1:

6.4 (0.7, 4.7)

(6)

Chain guide

(13)

Exhaust cam sprocket LH

T2:

18 (1.8, 13.3)

(7)

Chain tension lever

2. CHAIN COVER

(1)

Oil filter

(11)

Oil control solenoid

(21)

O-ring

(2)

Oil pump union

(12)

Gasket

(22)

O-ring

(3)

Generator cord stay

(13)

Engine oil temperature sensor

(4)

Oil filler cap

(14)

Oil pressure switch

Tightening torque: N·m (kgf-m, ft-lb)

(5)

Gasket

(15)

Front oil seal

T1:

6.4 (0.7, 4.7)

(6)

Camshaft position sensor

(16)

Crank pulley

T2:

18 (1.8, 13.3)

(7)

O-ring

(17)

Oil level gauge

T3:

45 (4.6, 33.2)

(8)

Chain cover

(18)

O-ring

T4:

Crank Pulley > INSTALLATION

(9)

Back-up ring

(19)

Oil level gauge guide

T5:

Chain Cover > INSTALLATION

(10)

O-ring

(20)

O-ring

3. ROCKER COVER

(1)

Rocker cover RH

(3)

Rocker cover gasket LH

Tightening torque: N·m (kgf-m, ft-lb)

(2)

Rocker cover gasket RH

(4)

Rocker cover LH

T:

Rocker Cover > INSTALLATION

4. CAM CARRIER

(1)

Cam carrier ASSY RH

(8)

Filter

(14)

Intake rear camshaft cap LH

(2)

Front camshaft cap RH

(9)

Cam carrier ASSY LH

(15)

Exhaust rear camshaft cap LH

(3)

Intake center camshaft cap RH

(10)

Cam carrier LH

(4)

Exhaust center camshaft cap RH

(11)

Front camshaft cap LH

Tightening torque: N·m (kgf-m, ft-lb)

(5)

Intake rear camshaft cap RH

(12)

Intake center camshaft cap LH

T1:

Cam Carrier > INSTALLATION

(6)

Exhaust rear camshaft cap RH

(13)

Exhaust center camshaft cap LH

T2:

Cam Carrier > ASSEMBLY

(7)

Cam carrier RH

5. CYLINDER HEAD

(1)

Spark plug pipe gasket

(5)

Cylinder head gasket RH

Tightening torque: N·m (kgf-m, ft-lb)

(2)

O-ring

(6)

Cylinder head gasket LH

T:

Cylinder Head > INSTALLATION

(3)

Cylinder head plate

(7)

Cylinder head LH

(4)

Cylinder head RH

6. VALVE ASSEMBLY

(1)

Exhaust valve

(6)

Intake valve oil seal

(11)

Valve shim

(2)

Intake valve

(7)

Exhaust valve oil seal

(12)

Roller rocker arm pivot

(3)

Intake valve guide

(8)

Valve spring

(13)

Roller rocker arm

(4)

Exhaust valve guide

(9)

Valve spring retainer

(5)

Valve spring seat

(10)

Valve collet

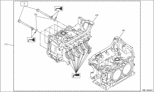
7. CYLINDER BLOCK 1

(1)

Engine rear hanger

(11)

Oil pan upper

Tightening torque: N·m (kgf-m, ft-lb)

(2)

Oil separator cover

(12)

Baffle plate

T1:

6.4 (0.7, 4.7)

(3)

Cylinder block plug

(13)

O-ring

T2:

10 (1.0, 7.4)

(4)

Main gallery plug

(14)

Oil level switch

T3:

25 (2.5, 18.4)

(5)

O-ring

(15)

O-ring

T4:

36 (3.7, 26.6)

(6)

Rear oil seal

(16)

Oil strainer

T5:

41.7 (4.3, 30.8)

(7)

Crankshaft position sensor holder

(17)

Oil pan seal ring

T6:

Cylinder Block > ASSEMBLY

(8)

Cylinder block plate

(18)

Oil pan

T7:

Cylinder Block > INSTALLATION

(9)

Water jacket spacer

(19)

Drain plug gasket

T8:

Oil Pan and Strainer > INSTALLATION

(10)

O-ring

(20)

Drain plug

8. CYLINDER BLOCK 2

(1)

Cylinder block ASSY

(3)

Cylinder block RH

Tightening torque: N·m (kgf-m, ft-lb)

(2)

Washer

(4)

Cylinder block LH

T:

Cylinder Block > INSTALLATION

9. CRANKSHAFT AND PISTON

(1)

Reinforcement drive plate (CVT model)

(9)

Circlip

(17)

Crankshaft bearing #1, #3

(2)

Drive plate (CVT model)

(10)

Piston pin

(18)

Crankshaft bearing #2, #4

(3)

Crankshaft position sensor plate

(11)

Connecting rod cap bolt

(19)

Crankshaft bearing #5

(4)

Flywheel (MT model)

(12)

Connecting rod

(5)

Top ring

(13)

Connecting rod bearing

Tightening torque: N·m (kgf-m, ft-lb)

(6)

Second ring

(14)

Connecting rod cap

T1:

Cylinder Block > INSTALLATION

(7)

Oil ring

(15)

Crankshaft

T2:

Drive Plate > INSTALLATION

(8)

Piston

(16)

Woodruff key

T3:

Flywheel > INSTALLATION

10. ENGINE MOUNTING

(1)

Front mounting bracket

(3)

Engine mounting bracket

Tightening torque: N·m (kgf-m, ft-lb)

(2)

Front cushion rubber

T1:

25 (2.5, 18.4)

T2:

30 (3.1, 22.1)

T3:

45 (4.6, 33.2)

T4:

60 (6.1, 44.3)

Preparation tool
1. SPECIAL TOOLILLUSTRATIONTOOL NUMBERDESCRIPTIONREMARKS0920287002000REMOVER AND REPLACERUsed for removing and installing valve spring.498277200STOPPER SETUsed for preventing the torque converter from ...

Rocker cover
...

Other materials:

Electrical component location location
(1)Headlight ASSY– Headlight beam leveler actuator(4)SRF OFF switch(7)Data link connector(2)Fog light ASSY(5)SRF CMNOTE:Part label: LIGHTING CONTROL MODULE (3)Rear vehicle height sensor(6)Body integrated unit (1)Headlight relay Lo(4)Front fog light relay(7)Fuse 7.5A (SRF CM)(2)Headlight relay H ...

© 2017-2025 Copyright www.sulegacy.com