1. V-BELT (1) | V-belt | (5) | Generator | Tightening torque: N·m (kgf-m, ft-lb) | (2) | Collector cover bracket | (6) | Generator plate | T1: | 20 (2.0, 14.8) | (3) | Tensioner ASSY | (7) | A/C compressor bracket | T2: | Generator > INSTALLATION | (4) | Generator bracket | | | T3: | Generator > INSTALLATION | | | | | | | |
2. CHAIN COVER (1) | Crank pulley | (3) | Chain cover | Tightening torque: N·m (kgf-m, ft-lb) | (2) | Oil seal | (4) | Bolt | T1: | 6.4 (0.7, 4.7) | | | | | | T2: | 10 (1.0, 7.4) | | | | | | T3: | 195 (19.9, 143.8) | | | | | | | | | | | | | | |
3. TIMING CHAIN (1) | Intake camshaft (RH) | (11) | Chain tensioner lever (main) | (21) | Idler sprocket | (2) | Exhaust camshaft (RH) | (12) | Chain tensioner (main) | (22) | Chain tensioner (LH) | (3) | Intake camshaft (LH) | (13) | Chain tensioner (RH) | (23) | Chain tensioner lever shaft | (4) | Exhaust camshaft (LH) | (14) | Timing chain (main) | | | (5) | Intake cam sprocket (RH) | (15) | Timing chain (RH) | Tightening torque: N·m (kgf-m, ft-lb) | (6) | Exhaust cam sprocket (RH) | (16) | Timing chain (LH) | T1: | 6.4 (0.7, 4.7) | (7) | Intake cam sprocket (LH) | (17) | Chain guide (RH) | T2: | 16 (1.6, 11.8) | (8) | Exhaust cam sprocket (LH) | (18) | Chain guide (LH) | T3: | Cam Sprocket | (9) | Chain tensioner lever (RH) | (19) | Chain guide (main) | T4: | 120 (12.2, 88.5) | (10) | Chain tensioner lever (LH) | (20) | Chain guide (between cams) | | |
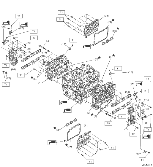
4. CYLINDER HEAD AND CAMSHAFT 
(1) | Cylinder head (RH) | (14) | Intake camshaft (LH) | (27) | Intake oil flow control solenoid valve (RH) | (2) | Cylinder head (LH) | (15) | Intake oil flow control solenoid valve (LH) | (28) | Rocker cover (RH) | (3) | Cylinder head gasket (RH) | (16) | Intake camshaft position sensor (LH) | (29) | Gasket | (4) | Cylinder head gasket (LH) | (17) | Intake camshaft position sensor (RH) | (30) | Gasket | (5) | O-ring | (18) | Exhaust camshaft (RH) | (31) | Rocker cover (LH) | (6) | Exhaust camshaft position sensor (LH) | (19) | Intake camshaft (RH) | | | (7) | Front camshaft cap (LH) | (20) | Intake camshaft cap (rear RH) | Tightening torque: N·m (kgf-m, ft-lb) | (8) | Exhaust oil flow control solenoid valve (LH) | (21) | Intake camshaft cap (center RH) | T1: | 6.4 (0.7, 4.7) | (9) | Exhaust camshaft cap (rear LH) | (22) | Exhaust camshaft cap (rear RH) | T2: | 9.75 (1.0, 7.2) | (10) | Intake camshaft cap (rear LH) | (23) | Exhaust camshaft cap (center RH) | T3: | 16 (1.6, 11.8) | (11) | Intake camshaft cap (center LH) | (24) | Front camshaft cap (RH) | T4: | Cylinder Head | (12) | Exhaust camshaft cap (center LH) | (25) | Exhaust camshaft position sensor (RH) | | | (13) | Exhaust camshaft (LH) | (26) | Exhaust oil flow control solenoid valve (RH) | | |
5. CYLINDER HEAD AND VALVE ASSEMBLY (1) | Intake valve | (5) | Valve spring seat | (9) | Valve spring retainer | (2) | Exhaust valve | (6) | Stem seal (intake) | (10) | Valve collet | (3) | Valve guide (intake) | (7) | Stem seal (exhaust) | (11) | Valve lifter | (4) | Valve guide (exhaust) | (8) | Valve spring | | |
6. CYLINDER BLOCK (1) | Cylinder block (RH) | (12) | Oil pan lower | (23) | Oil level switch | (2) | Cylinder block (LH) | (13) | Oil pressure switch | (24) | O-ring | (3) | Oil seal | (14) | Oil pressure switch harness | | (4) | Plug | (15) | Oil filter | Tightening torque: N·m (kgf-m, ft-lb) | (5) | Plug | (16) | Oil cooler connector | T1: | 6.4 (0.7, 4.7) | (6) | Orifice | (17) | Oil cooler | T2: | 17 (1.7, 12.5) | (7) | Oil pan upper | (18) | Hose | T3: | 18 (1.8, 13.3) | (8) | Stud bolt | (19) | Clamp | T4: | 25 (2.5, 18.4) | (9) | O-ring | (20) | Hose | T5: | 37 (3.8, 27.3) | (10) | Plug | (21) | Oil cooler pipe | T6: | 54 (5.5, 39.8) | (11) | Magnet | (22) | Hose | T7: | Cylinder Block |
7. CRANKSHAFT AND PISTON (1) | Reinforcement drive plate | (9) | Piston pin | (17) | Crankshaft bearing #7 | (2) | Drive plate | (10) | Connecting rod | (18) | Connecting rod cap bolt | (3) | Crankshaft sensor plate | (11) | Connecting rod bearing | | | (4) | Top ring | (12) | Crankshaft | Tightening torque: N·m (kgf-m, ft-lb) | (5) | Second ring | (13) | Connecting rod cap | T1: | Cylinder Block > INSTALLATION | (6) | Oil ring | (14) | Woodruff key | T2: | Drive Plate > INSTALLATION | (7) | Circlip | (15) | Crankshaft bearing #1, #3, #5 | | | (8) | Piston | (16) | Crankshaft bearing #2, #4, #6 | | |
8. ENGINE MOUNTING (1) | Front cushion rubber | (3) | Bracket | Tightening torque: N·m (kgf-m, ft-lb) | (2) | Front mounting bracket | | | T1: | 25 (2.5, 18.4) | | | | | | T2: | 45 (4.6, 33.2) | | | | | | T3: | 60 (6.1, 44.3) | | | | | | T4: | 65 (6.6, 47.9) |
|