Honda Civic manuals

Subaru Legacy BN/BS (2015-2019) Service Manual: Component

1. CANISTER, PURGE CONTROL SOLENOID VALVE AND DRAIN FILTER

For components of canister, purge control solenoid valve, and drain filter, refer to FU (H4DO). General Description > COMPONENT

2. EXHAUST GAS RECIRCULATION CONTROL CIRCUIT RANGE/PERFORMANCE

(1)

EGR pipe adapter

(7)

Gasket

(13)

Stud bolt

(2)

Gasket

(8)

EGR cooler (CVT model)

(3)

Gasket

(9)

EGR cooler (MT model)

Tightening torque: N·m (kgf-m, ft-lb)

(4)

O-ring

(10)

Clip

T1:

6.4 (0.7, 4.7)

(5)

EGR pipe

(11)

Engine coolant hose

T2:

19 (1.9, 14.0)

(6)

EGR control valve

(12)

Gasket

T3:

EGR Cooler > INSTALLATION

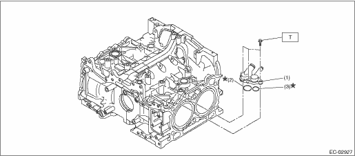
3. PCV SYSTEM 1

(1)

PCV connector

(3)

O-ring

Tightening torque: N·m (kgf-m, ft-lb)

(2)

O-ring

T:

6.4 (0.7, 4.7)

4. PCV SYSTEM 2

(1)

PCV hose A

(3)

PCV hose B

Tightening torque: N·m (kgf-m, ft-lb)

(2)

PCV valve

(4)

Clip

T:

25 (2.5, 18.4)

Caution
• Prior to starting work, pay special attention to the following:1. Always wear work clothes, a work cap, and protective shoes. Additionally, wear a helmet, protective goggles, etc. if necessary ...

Leak check valve assembly
...

Other materials:

Dtc p1449 evap system clog detected (air filter)
DTC DETECTING CONDITION:Detected when two consecutive driving cycles with fault occur.CAUTION:After servicing or replacing faulty parts, perform Clear Memory Mode Clear Memory Mode > OPERATION, and Inspection Mode Inspection Mode > PROCEDURE.STEPCHECKYESNO1.CHECK FOR ANY OTHER DTC ON DISPLAY.Is an ...

© 2017-2025 Copyright www.sulegacy.com