Honda Civic manuals

Subaru Legacy BN/BS (2015-2019) Service Manual: Dtc b1436 air mix door actuator circuit open (passenger)

DTC DETECTING CONDITION:

Air mix door actuator potentiometer circuit is open.

TROUBLE SYMPTOM:

Temperature of the passenger’s side cannot be adjusted for model with left/right independent air conditioner.

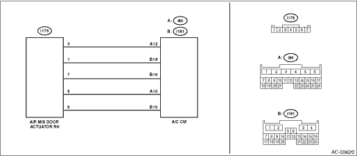
WIRING DIAGRAM:

Air conditioning system Air Conditioning System > WIRING DIAGRAM

STEPCHECKYESNO

1.CHECK CONNECTOR.

1) Check connecting condition of the A/C CM connector and air mix door actuator RH connector.

2) Read the DTC using Subaru Select Monitor. Read Diagnostic Trouble Code (DTC)

Is B1436 displayed-

Diagnostic Procedure with Diagnostic Trouble Code (DTC) > DTC B1436 AIR MIX DOOR ACTUATOR CIRCUIT OPEN (PASSENGER)

Even if DTC is displayed, the circuit has returned to a normal condition at this time. Reproduce the failure, and then perform the diagnosis again.

NOTE:

In this case, temporary poor contact of connector, temporary open or short circuit of harness may be the cause.

2.CHECK ACTUATOR.

1) Disconnect the air mix door actuator RH.

2) Short No. 1 and No. 5 of connector i175.

3) Read the DTC using Subaru Select Monitor. Read Diagnostic Trouble Code (DTC)

Is B1437 displayed-

Replace the air mix door actuator RH. Air Mix Door Actuator > REMOVAL

Diagnostic Procedure with Diagnostic Trouble Code (DTC) > DTC B1436 AIR MIX DOOR ACTUATOR CIRCUIT OPEN (PASSENGER)

3.CHECK HARNESS.

1) Restore the temporary shorted lines made in step 2.

2) Turn the ignition switch to ON.

3) Using the tester, measure the voltage between terminals.

Connector & terminal

(i175) No. 3 (+) — No. 1 (−):

Is the voltage 4.5 — 5.0 V-

Diagnostic Procedure with Diagnostic Trouble Code (DTC) > DTC B1436 AIR MIX DOOR ACTUATOR CIRCUIT OPEN (PASSENGER)

Repair or replace the open circuit of harness.

4.CHECK HARNESS (OPEN CIRCUIT).

1) Disconnect the connector from A/C CM.

2) Using the tester, measure the resistance between terminals.

Connector & terminal

(i175) No. 1 — (i181) No. 18:

(i175) No. 3 — (i80) No. 12:

(i175) No. 5 — (i80) No. 16:

Is there continuity-

Replace the A/C CM. Control Unit > REMOVAL

Repair or replace the open circuit of harness.

Dtc b1437 air mix door actuator circuit short-circuit (passenger)
DTC DETECTING CONDITION:Air mix door actuator potentiometer circuit is shorted.TROUBLE SYMPTOM:Temperature of the passenger’s side cannot be adjusted for model with left/right independent air co ...

Dtc b1435 evaporator temperature sensor circuit short-circuit
DTC DETECTING CONDITION:Evaporator sensor circuit is shorted.TROUBLE SYMPTOM:• Compressor does not operate. (Variable compressor)• Evaporator temperature is falsely recognized as high, and ...

Other materials:

GVWR and GAWR (Gross Vehicle Weight Rating and Gross Axle Weight Rating)
Certification label The certification label attached to the driver's side door shows GVWR (Gross Vehicle Weight Rating) and GAWR (Gross Axle Weight Rating). The GVW (Gross Vehicle Weight) must never exceed the GVWR. GVW is the combined total of weight of the vehicle, fuel, driver, all ...

© 2017-2026 Copyright www.sulegacy.com