Honda Civic manuals

Subaru Legacy BN/BS (2015-2019) Service Manual: Dtc b1441 air mix door actuator circuit stuck (passenger)

DTC DETECTING CONDITION:

Air mix door actuator RH is locked.

TROUBLE SYMPTOM:

Temperature of the passenger’s side cannot be adjusted for model with left/right independent air conditioner.

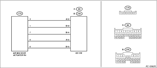
WIRING DIAGRAM:

Air conditioning system Air Conditioning System > WIRING DIAGRAM

STEPCHECKYESNO

1.CHECK CONNECTOR.

1) Check connecting condition of the A/C CM connector and air mix door actuator RH connector.

2) Read the DTC using Subaru Select Monitor. Read Diagnostic Trouble Code (DTC)

Is B1441 displayed-

Diagnostic Procedure with Diagnostic Trouble Code (DTC) > DTC B1441 AIR MIX DOOR ACTUATOR CIRCUIT STUCK (PASSENGER)

Even if DTC is displayed, the circuit has returned to a normal condition at this time. Reproduce the failure, and then perform the diagnosis again.

NOTE:

In this case, temporary poor contact of connector, temporary open or short circuit of harness may be the cause.

2.CHECK ACTUATOR.

Using the Subaru Select Monitor, change the setting of «Air mix Dr Act Trgt Open Angle(Pas’s)» from the A/C diagnosis and perform the system operation check. System Operation Check Mode

Did the actuator move to the specified target opening angle-

Air mix door actuator circuit is normal.

Diagnostic Procedure with Diagnostic Trouble Code (DTC) > DTC B1441 AIR MIX DOOR ACTUATOR CIRCUIT STUCK (PASSENGER)

3.CHECK HARNESS.

1) Disconnect the air mix door actuator RH connector (i175).

2) Turn the ignition switch to ON.

3) Using the tester, measure the voltage between terminals.

Connector & terminal

(i175) No. 3 (+) — No. 1 (−):

Is the voltage 4.5 — 5.0 V-

Diagnostic Procedure with Diagnostic Trouble Code (DTC) > DTC B1441 AIR MIX DOOR ACTUATOR CIRCUIT STUCK (PASSENGER)

Repair or replace the open, short circuit of the harness.

4.CHECK HARNESS (OPEN CIRCUIT).

1) Disconnect the connector from A/C CM.

2) Using a tester, check continuity between terminals.

Connector & terminal

(i175) No. 5 — (i80) No. 16:
(i175) No. 3 — (i80) No. 12:
(i175) No. 1 — (i181) No. 18:
(i175) No. 7 — (i181) No. 16:
(i175) No. 6 — (i181) No. 15:

Is there continuity-

Diagnostic Procedure with Diagnostic Trouble Code (DTC) > DTC B1441 AIR MIX DOOR ACTUATOR CIRCUIT STUCK (PASSENGER)

Repair or replace the open circuit of harness.

5.CHECK AIR MIX DOOR ACTUATOR RH.

Check the air mix door actuator RH parts. Air Mix Door Actuator > INSPECTION

Is the air mix door actuator RH normal-

Replace the A/C CM. Control Unit > REMOVAL

Replace the air mix door actuator RH. Air Mix Door Actuator > REMOVAL

Dtc b1442 air mix door actuator circuit short-circuit (driver)
DTC DETECTING CONDITION:Air mix door actuator potentiometer circuit is shorted.TROUBLE SYMPTOM:• Temperature cannot be adjusted.• Temperature of the driver’s side cannot be adjusted ...

Dtc b1440 air mix door actuator circuit open (driver)
DTC DETECTING CONDITION:Air mix door actuator potentiometer circuit is open.TROUBLE SYMPTOM:• Temperature cannot be adjusted.• Temperature of the driver’s side cannot be adjusted for ...

Other materials:

Dtc c2541 vehicle dynamics control module vehicle speed sensor
DTC DETECTING CONDITION:When VDCCM reception failure (related to vehicle speed sensor) is detected after the ignition switch is ON.TROUBLE SYMPTOM:The steering wheel operation feels heavy.STEPCHECKYESNO1.CHECK DTC.Read the DTC of VDC system using the Subaru Select Monitor.Is a DTC related to VDC sys ...

© 2017-2026 Copyright www.sulegacy.com