Honda Civic manuals

Subaru Legacy BN/BS (2015-2019) Service Manual: Dtc b1442 air mix door actuator circuit short-circuit (driver)

DTC DETECTING CONDITION:

Air mix door actuator potentiometer circuit is shorted.

TROUBLE SYMPTOM:

Temperature cannot be adjusted.

Temperature of the driver’s side cannot be adjusted for model with left/right independent air conditioner.

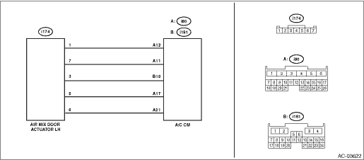
WIRING DIAGRAM:

Air conditioning system Air Conditioning System > WIRING DIAGRAM

STEPCHECKYESNO

1.CHECK CONNECTOR.

1) Check connecting condition of the A/C CM connector and air mix door actuator LH connector.

2) Read the DTC using Subaru Select Monitor. Read Diagnostic Trouble Code (DTC)

Is B1442 displayed-

Diagnostic Procedure with Diagnostic Trouble Code (DTC) > DTC B1442 AIR MIX DOOR ACTUATOR CIRCUIT SHORT-CIRCUIT (DRIVER)

Even if DTC is displayed, the circuit has returned to a normal condition at this time. Reproduce the failure, and then perform the diagnosis again.

NOTE:

In this case, temporary poor contact of connector, temporary open or short circuit of harness may be the cause.

2.CHECK AIR MIX DOOR ACTUATOR LH.

1) Disconnect the air mix door actuator LH.

2) Read the DTC using Subaru Select Monitor. Read Diagnostic Trouble Code (DTC)

Is B1440 displayed-

Replace the air mix door actuator LH. Air Mix Door Actuator > REMOVAL

Diagnostic Procedure with Diagnostic Trouble Code (DTC) > DTC B1442 AIR MIX DOOR ACTUATOR CIRCUIT SHORT-CIRCUIT (DRIVER)

3.CHECK HARNESS (SHORTED BETWEEN LINES AND SHORTED TO GROUND).

1) Disconnect the connector from A/C CM.

2) Using a tester, check continuity between terminals.

Connector & terminal

(i174) No. 3 — (i174) No. 5:
(i174) No. 5 — Chassis ground:

Is there continuity-

Repair or replace the short circuit of the harness.

Replace the A/C CM. Control Unit > REMOVAL

Dtc b1443 mode door actuator circuit stuck
DTC DETECTING CONDITION:Mode door actuator is locked.TROUBLE SYMPTOM:Vent does not change.WIRING DIAGRAM:Air conditioning system Air Conditioning System > WIRING DIAGRAMSTEPCHECKYESNO1.CHECK CONNECTO ...

Dtc b1441 air mix door actuator circuit stuck (passenger)
DTC DETECTING CONDITION:Air mix door actuator RH is locked.TROUBLE SYMPTOM:Temperature of the passenger’s side cannot be adjusted for model with left/right independent air conditioner.WIRING DIA ...

Other materials:

Dtc p2006 tgv control stuck closed bank 1
DTC DETECTING CONDITION:Immediately at fault recognitionCAUTION:After servicing or replacing faulty parts, perform Clear Memory Mode Clear Memory Mode > OPERATION, and Inspection Mode Inspection Mode > PROCEDURE.STEPCHECKYESNO1.CHECK FOR ANY OTHER DTC ON DISPLAY.Is any other DTC displayed-Check th ...

© 2017-2025 Copyright www.sulegacy.com