Honda Civic manuals

Subaru Legacy BN/BS (2015-2019) Service Manual: Dtc b144a rear vent door actuator circuit stuck

DTC DETECTING CONDITION:

Rear vent actuator is locked.

TROUBLE SYMPTOM:

Unable to control the rear vent temperature.

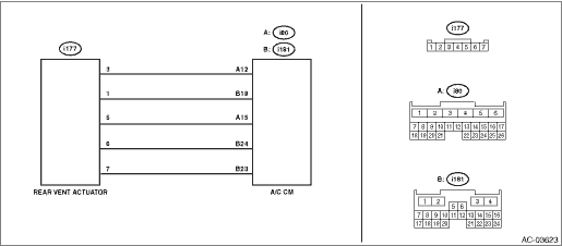
WIRING DIAGRAM:

Air conditioning system Air Conditioning System > WIRING DIAGRAM

STEPCHECKYESNO

1.CHECK CONNECTOR.

1) Check connecting condition of the A/C CM connector and rear vent actuator connector.

2) Read the DTC using Subaru Select Monitor. Read Diagnostic Trouble Code (DTC)

Is B144A displayed-

Diagnostic Procedure with Diagnostic Trouble Code (DTC) > DTC B144A REAR VENT DOOR ACTUATOR CIRCUIT STUCK

Even if DTC is displayed, the circuit has returned to a normal condition at this time. Reproduce the failure, and then perform the diagnosis again.

NOTE:

In this case, temporary poor contact of connector, temporary open or short circuit of harness may be the cause.

2.CHECK ACTUATOR.

Using the Subaru Select Monitor, change the setting of «Rear Vent Dr Act Trgt Open Angle» from the A/C diagnosis and perform the system operation check. System Operation Check Mode

Did the rear vent actuator move to the specified target opening angle-

Rear vent actuator circuit is normal.

Diagnostic Procedure with Diagnostic Trouble Code (DTC) > DTC B144A REAR VENT DOOR ACTUATOR CIRCUIT STUCK

3.CHECK HARNESS.

1) Turn the ignition switch to ON.

2) Using a tester, check the voltage between terminals.

Connector & terminal

(i177) No. 3 (+) — (i80) No. 12 (−):

Is the voltage 4.5 — 5.0 V-

Diagnostic Procedure with Diagnostic Trouble Code (DTC) > DTC B144A REAR VENT DOOR ACTUATOR CIRCUIT STUCK

Repair or replace the open, short circuit of the harness.

4.CHECK HARNESS (OPEN CIRCUIT).

1) Disconnect the connector from A/C CM.

2) Using a tester, check continuity between terminals.

Connector & terminal

(i177) No. 5 — (i80) No. 15:
(i177) No. 3 — (i80) No. 12:
(i177) No. 1 — (i181) No. 18:
(i177) No. 7 — (i181) No. 23:
(i177) No. 6 — (i181) No. 24:

Is there continuity-

Diagnostic Procedure with Diagnostic Trouble Code (DTC) > DTC B144A REAR VENT DOOR ACTUATOR CIRCUIT STUCK

Repair or replace the open circuit of harness.

5.CHECK REAR VENT ACTUATOR.

Check the rear vent actuator parts. Rear Vent Door Actuator > INSPECTION

Is the rear vent actuator normal-

Replace the A/C CM. Control Unit > REMOVAL

Replace the rear vent actuator. Rear Vent Door Actuator > REMOVAL

Dtc b14a1 sunload sensor circuit low/open
DTC DETECTING CONDITION:Open circuit in the sunload sensor is detected for 3 seconds or more. (Displayed for current malfunction)NOTE:When the sunload sensor check is performed indoors or in the shade ...

Dtc b1449 rear vent door actuator circuit short-circuit
DTC DETECTING CONDITION:Rear vent actuator potentiometer circuit is shorted.TROUBLE SYMPTOM:Unable to control the rear vent temperature.WIRING DIAGRAM:Air conditioning system Air Conditioning System ...

Other materials:

Auto-dimming mirror/compass with HomeLink (models with EyeSight system)
1) Display 2) HomeLink buttons 3) Switch During nighttime driving, the auto-dimming feature senses distracting glare from vehicle headlights behind you and automatically dims to eliminate the glare and help preserve your vision. To Operate the Auto-Dimming Feature Press the " " switch t ...

© 2017-2025 Copyright www.sulegacy.com