Honda Civic manuals

Subaru Legacy BN/BS (2015-2019) Service Manual: Dtc b14b4 seat heater thermistor circuit short-circuit (driver)

DTC DETECTING CONDITION:

Short-circuit in seat heater thermistor.

TROUBLE SYMPTOM:

Seat heater RH does not function.

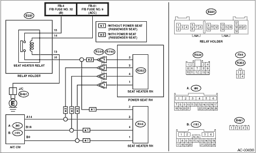
WIRING DIAGRAM:

NOTE:

For the coupling connector, refer to “WIRING SYSTEM”.

Seat Heater System Seat Heater System > WIRING DIAGRAM

STEPCHECKYESNO

1.CHECK CONNECTOR.

1) Check connecting condition of the A/C CM connector, seat heater relay connector, seat connector and coupling connector.

2) Read the DTC using Subaru Select Monitor. Read Diagnostic Trouble Code (DTC)

Is B14B4 displayed-

Diagnostic Procedure with Diagnostic Trouble Code (DTC) > DTC B14B4 SEAT HEATER THERMISTOR CIRCUIT SHORT-CIRCUIT (DRIVER)

Even if DTC is displayed, the circuit has returned to a normal condition at this time. Reproduce the failure, and then perform the diagnosis again.

NOTE:

In this case, temporary poor contact of connector, temporary open or short circuit of harness may be the cause.

2.CHECK SEAT HEATER RH.

1) Disconnect the seat connector (R334) or (R44).

2) Read the DTC using Subaru Select Monitor. Read Diagnostic Trouble Code (DTC)

Is B14B3 displayed-

Replace the seat heater module and wire set - front seat cushion. Seat Heater System > REMOVAL

Diagnostic Procedure with Diagnostic Trouble Code (DTC) > DTC B14B4 SEAT HEATER THERMISTOR CIRCUIT SHORT-CIRCUIT (DRIVER)

3.CHECK HARNESS.

1) Turn the ignition switch to ON.

2) Turn the seat heater switch RH to ON.

3) Using the tester, measure the voltage between terminals.

Connector & terminal

With power seat

(R334) No. 2 (+) — (R334) No. 6 (−):

Without power seat

(R44) No. 2 (+) — (R44) No. 4 (−):

Is the voltage 4.5 — 5.0 V-

Diagnostic Procedure with Diagnostic Trouble Code (DTC) > DTC B14B4 SEAT HEATER THERMISTOR CIRCUIT SHORT-CIRCUIT (DRIVER)

Repair or replace the open circuit of harness.

4.CHECK HARNESS (SHORTED BETWEEN LINES).

1) Disconnect the A/C CM connector.

2) Using a tester, check continuity between terminals.

Connector & terminal

With power seat

(R334) No. 2 — (R334) No. 6:

Without power seat

(R44) No. 2 — (R44) No. 4:

Is there continuity-

Repair or replace the short circuit of the harness.

Replace the A/C CM. Control Unit > REMOVAL

Dtc u0073 control module communication bus off
DTC DETECTING CONDITION:• Data to be received via CAN communication do not arrive.• A/C cooperation control does not operate.TROUBLE SYMPTOM:A/C does not operate fully automatically.STEPCH ...

Dtc b14b3 seat heater thermistor circuit open (passenger)
DTC DETECTING CONDITION:Open circuit in seat heater thermistor.TROUBLE SYMPTOM:Seat heater RH does not function.WIRING DIAGRAM:NOTE:For the coupling connector, refer to “WIRING SYSTEM”.Sea ...

Other materials:

Seatbelt maintenance
To clean the seatbelts, use a mild soap and lukewarm water. Never bleach or dye the belts because this could seriously affect their strength. Inspect the seatbelts and attachments including the webbing and all hardware periodically for cracks, cuts, gashes, tears, damage, loose bolts or wor ...

© 2017-2026 Copyright www.sulegacy.com