Honda Civic manuals

Subaru Legacy BN/BS (2015-2019) Service Manual: Dtc b27a1 driver side external antenna open

DTC DETECTING CONDITION:

When open circuit occurs in the harness between keyless access CM and driver’s side front door outer handle antenna.

TROUBLE SYMPTOM:

Keyless access system does not function.

CAUTION:

For replacement procedure of keyless access CM, refer to the “REGISTRATION MANUAL FOR IMMOBILIZER” provided as a separate volume.

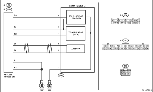
WIRING DIAGRAM:

NOTE:

For the coupling connector, refer to “WIRING SYSTEM”.

Keyless access with push button start system Keyless Access With Push Button Start System > WIRING DIAGRAM

STEPCHECKYESNO

1.CHECK LAN SYSTEM.

Inspect LAN system. Basic Diagnostic Procedure > PROCEDURE

Is LAN system normal-

Diagnostic Procedure with Diagnostic Trouble Code (DTC) > DTC B27A1 DRIVER SIDE EXTERNAL ANTENNA OPEN

Perform the inspection according to the diagnosis for LAN system.

2.CHECK CONNECTOR.

1) Disconnect the keyless access CM connector.

2) Disconnect the front door outer handle connector.

Is the connector OK-

Diagnostic Procedure with Diagnostic Trouble Code (DTC) > DTC B27A1 DRIVER SIDE EXTERNAL ANTENNA OPEN

Repair or replace the connector.

3.CHECK POWER SUPPLY CIRCUIT.

Using a tester, measure the voltage between the keyless access CM connector and chassis ground.

Connector & terminal

(i75) No. 24 (+) — Chassis ground (−):

Is the voltage 9.5 — 16 V-

Diagnostic Procedure with Diagnostic Trouble Code (DTC) > DTC B27A1 DRIVER SIDE EXTERNAL ANTENNA OPEN

Check the power supply circuit.

4.CHECK HARNESS (OPEN CIRCUIT).

Using a tester, measure the resistance between the keyless access CM connector and front door outer handle connector, and between front door outer handle connector, keyless access CM connector and chassis ground.

Connector & terminal

(i241) No. 5 — (D66) No. 6:
(i241) No. 6 — (D66) No. 3:
(D66) No. 2 — Chassis ground:
(i75) No. 1 — Chassis ground:
(i241) No. 21 — Chassis ground:

Is the resistance less than 1 --

Diagnostic Procedure with Diagnostic Trouble Code (DTC) > DTC B27A1 DRIVER SIDE EXTERNAL ANTENNA OPEN

Repair or replace the open circuit of harness.

5.CHECK HARNESS (GROUND SHORT CIRCUIT).

Using a tester, measure the resistance between the keyless access CM connector and chassis ground.

Connector & terminal

(i241) No. 5 — Chassis ground:
(i241) No. 6 — Chassis ground:

Is the resistance 10 k- or more-

Diagnostic Procedure with Diagnostic Trouble Code (DTC) > DTC B27A1 DRIVER SIDE EXTERNAL ANTENNA OPEN

Repair or replace the short circuit of the harness.

6.CHECK DTC.

1) Connect the keyless access CM connector.

2) Using the Subaru Select Monitor, clear the memory. Clear Memory Mode

3) Read DTC using the Subaru Select Monitor. Read Diagnostic Trouble Code (DTC)

Is DTC B27A1 displayed-

Diagnostic Procedure with Diagnostic Trouble Code (DTC) > DTC B27A1 DRIVER SIDE EXTERNAL ANTENNA OPEN

Even if DTC is displayed, the circuit has returned to a normal condition at this time. Reproduce the failure, and then perform the diagnosis again.

NOTE:

In this case, temporary poor contact of connector, temporary open or short circuit of harness may be the cause.

7.CHECK FRONT DOOR OUTER HANDLE.

1) Replace the driver’s front door outer handle with the passenger’s front door outer handle.

2) Using the Subaru Select Monitor, clear the memory. Clear Memory Mode

3) Read DTC using the Subaru Select Monitor. Read Diagnostic Trouble Code (DTC)

Is DTC B27A1 displayed-

Replace the keyless access CM. Keyless Access CM

Replace the driver’s front door outer handle. Front Outer Handle

Dtc b27a2 passenger side external antenna open
DTC DETECTING CONDITION:When open circuit occurs in the harness between keyless access CM and passenger’s side front door outer handle antenna.TROUBLE SYMPTOM:Keyless access system does not func ...

Dtc b278d id code box judgment circuit
DTC DETECTING CONDITION:When the evaluation of the ID code box setting circuit via the hard wire is judged as none, ID code box communication is received. (at new registration)TROUBLE SYMPTOM:Initial ...

Other materials:

Dtc p0037 a/f / o2 heater control circuit low bank 1 sensor 2
DTC DETECTING CONDITION:Detected when two consecutive driving cycles with fault occur.CAUTION:After servicing or replacing faulty parts, perform Clear Memory Mode Clear Memory Mode > OPERATION, and Inspection Mode Inspection Mode > PROCEDURE.WIRING DIAGRAM:• Engine Electrical System ENGINE T ...

© 2017-2026 Copyright www.sulegacy.com