Honda Civic manuals

Subaru Legacy BN/BS (2015-2019) Service Manual: Dtc b2906 front fog light circuit rh

DTC DETECTING CONDITION:

Front fog light (RH) malfunction signal line error is detected.

TROUBLE SYMPTOM:

Warning will be displayed for front fog light malfunction, SRF malfunction.

CAUTION:

Initialization is required after replacing the SRF CM.

(Initialization is not required for models without auto headlight beam leveler system)

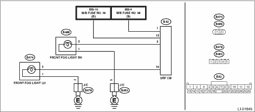
WIRING DIAGRAM:

NOTE:

For the coupling connector, refer to “WIRING SYSTEM”.

STEPCHECKYESNO

1.CHECK FUSE.

Check the fuse.

Is there any fault-

Replace the fuse. If the replaced fuse has blown out immediately, repair the short circuit to ground in harness between battery and SRF CM.

Diagnostic Procedure with Diagnostic Trouble Code (DTC) > DTC B2906 FRONT FOG LIGHT CIRCUIT RH

2.CHECK DTC.

1) Turn the ignition switch to OFF > ON.

2) Turn on the headlight low beam.

3) Using the Subaru Select Monitor, clear the auto headlight beam leveler system memory. Clear Memory Mode

4) Use the Subaru Select Monitor and read DTCs. Read Diagnostic Trouble Code (DTC)

Is DTC B2906 displayed- (current malfunction)

Diagnostic Procedure with Diagnostic Trouble Code (DTC) > DTC B2906 FRONT FOG LIGHT CIRCUIT RH

Even if DTC is displayed, the circuit has returned to a normal condition at this time. Reproduce the failure, and then perform the diagnosis again.

NOTE:

In this case, temporary poor contact of connector, temporary open or short circuit of harness may be the cause.

3.CHECK HARNESS (OPEN CIRCUIT).

1) Disconnect the SRF CM connector.

2) Using a tester, measure the voltage between SRF CM connector and chassis ground.

Connector & terminal

(B42) No. 1 (+) — Chassis ground (−):

Is the voltage 8 — 16 V-

Diagnostic Procedure with Diagnostic Trouble Code (DTC) > DTC B2906 FRONT FOG LIGHT CIRCUIT RH

Repair or replace the open circuit of harness.

4.CHECK HARNESS (OPEN CIRCUIT).

1) Disconnect the front fog light RH connector.

2) Using a tester, measure the resistance between SRF CM connector and front fog light RH connector.

Connector & terminal

(B42) No. 3 — (B488) No. 2:

Is the resistance less than 1 --

Diagnostic Procedure with Diagnostic Trouble Code (DTC) > DTC B2906 FRONT FOG LIGHT CIRCUIT RH

Repair or replace the open circuit of harness.

5.CHECK HARNESS (OPEN CIRCUIT).

Use a tester to measure the resistance between front fog light RH connector and chassis ground.

Connector & terminal

(B488) No. 1 — Chassis ground:

Is the resistance less than 1 --

Diagnostic Procedure with Diagnostic Trouble Code (DTC) > DTC B2906 FRONT FOG LIGHT CIRCUIT RH

Repair or replace the open circuit of harness.

6.CHECK FRONT FOG LIGHT.

Check the front fog light bulb.

Is there any fault-

Replace the bulb. Front Fog Light Bulb

Replace the SRF CM. Steering Responsive Fog Lights CM

Dtc b2907 front fog light circuit lh
DTC DETECTING CONDITION:Front fog light (LH) malfunction signal line error is detected.TROUBLE SYMPTOM:Warning will be displayed for front fog light malfunction, SRF malfunction.CAUTION:Initialization ...

Dtc b2902 rear height sensor circuit
DTC DETECTING CONDITION:Rear vehicle height sensor error is detected for 10 seconds or more.TROUBLE SYMPTOM:The auto headlight beam leveler does not operate.CAUTION:Initialization is required after re ...

Other materials:

Dtc p060a internal control module monitoring processor performance
NOTE:For the diagnostic procedure, refer to DTC P0606. Diagnostic Procedure with Diagnostic Trouble Code (DTC) > DTC P0606 CONTROL MODULE PROCESSOR1. OUTLINE OF DIAGNOSISJudge as NG when the monitoring IC operation is abnormal.(1) Monitoring IC Disable (motor continuity cut demand) diagnosis(2) Mon ...

© 2017-2025 Copyright www.sulegacy.com