Honda Civic manuals

Subaru Legacy BN/BS (2015-2019) Service Manual: Dtc b2a09 i-call button circuit

DIAGNOSIS START CONDITION:

When ignition switch is ON.

DTC DETECTING CONDITION:

The following conditions occur for at least 50 ms.

i-button impedance is more than 10 k-.

i-button is stuck for at least 60 seconds.

TROUBLE SYMPTOM:

i-Call function cannot be used.

RED LED illuminates.

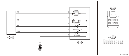
WIRING DIAGRAM:

NOTE:

For the coupling connector, refer to “WIRING SYSTEM”.

Telematics Telematics System > WIRING DIAGRAM

CAUTION:

CommCheck is required after replacing the DCM. Telematics System > OPERATION

STEPCHECKYESNO

1.CHECK DTC.

Read the DTC. Diagnostic Code(s) Display

Is DTC B2A09 displayed- (Current malfunction)

Diagnostic Procedure with Diagnostic Trouble Code (DTC) > DTC B2A09 I-CALL BUTTON CIRCUIT

Even if DTC is displayed, the circuit has returned to a normal condition at this time. Reproduce the failure, and then perform the diagnosis again.

In this case, temporary poor contact of connector, temporary open or short circuit of harness may be the cause.

2.CHECK HARNESS (OPEN CIRCUIT).

1) Turn the ignition switch to OFF.

2) Disconnect the telematics button connector.

3) Disconnect the DCM connector.

4) Measure the resistance between telematics button connector and DCM connector.

Connector & terminal

(i270) No. 4 — (AD2) No. 3:
(AD2) No. 1 — Chassis ground:

Is the resistance 1 - or less-

Diagnostic Procedure with Diagnostic Trouble Code (DTC) > DTC B2A09 I-CALL BUTTON CIRCUIT

Repair or replace the open circuit of harness.

3.CHECK HARNESS (GROUND SHORT CIRCUIT).

Measure the resistance between DCM connector and chassis ground.

Connector & terminal

(i271) No. 4 — Chassis ground:

Is the resistance 1 M- or more-

Diagnostic Procedure with Diagnostic Trouble Code (DTC) > DTC B2A09 I-CALL BUTTON CIRCUIT

Repair or replace the open circuit of harness.

4.CHECK THE CONNECTOR (SHORT CIRCUIT TO POWER SUPPLY).

Measure the voltage between DCM connector and chassis ground.

Connector & terminal

(i270) No. 4 (+) — Chassis ground (−):
(AD2) No. 1 (+) — Chassis ground (−):

Is the voltage less than 1 V-

Diagnostic Procedure with Diagnostic Trouble Code (DTC) > DTC B2A09 I-CALL BUTTON CIRCUIT

Repair or replace the short circuit of the harness.

5.CHECK THE I-BUTTON.

Measure the resistance of the i-button unit.

Connector & terminal

(AD1) No. 3 — (AD1) No. 1:

Is the resistance 1 - or less when i-button is ON, and 1.6 (±5%) k- or more when i-button is OFF-

Replace the DCM. Data Communication Module

Replace the telematics button. Switches and Harness

Dtc b2a0a red led circuit
DIAGNOSIS START CONDITION:When ACC is ON.DTC DETECTING CONDITION:• Current in LED is less than 1 mA. (Improper LED connection, etc.)• Current is more than 200 mA for at least 50 ms. (Short ...

Dtc b2a08 sos button circuit
DIAGNOSIS START CONDITION:When ignition switch is ON.DTC DETECTING CONDITION:The following conditions occur for at least 50 ms.• SOS button impedance is more than 10 k-.• SOS button is stu ...

Other materials:

Dtc u1433 invalid data received from eyesight
DTC DETECTING CONDITION:Defective data was transmitted from stereo camera.TROUBLE SYMPTOM:Cooperation control of EyeSight does not operate properly.STEPCHECKYESNO1.CHECK PERFORMING OF BASIC DIAGNOSTIC PROCEDURE.Was the basic diagnostic procedure performed up to STEP 3- Diagnostic Procedure with Diag ...

© 2017-2026 Copyright www.sulegacy.com