Honda Civic manuals

Subaru Legacy BN/BS (2015-2019) Service Manual: Dtc c1531 bls off stuck

DTC DETECTING CONDITION:

A fault is detected if stop light switch signal is OFF for a predetermined time or more with the pressure signal of the pressure sensor high.

TROUBLE SYMPTOM:

VDC does not operate.

Hill hold does not function.

EyeSight does not operate. (Models with EyeSight)

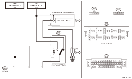
WIRING DIAGRAM:

Vehicle dynamics control system Vehicle Dynamics Control System

STEPCHECKYESNO

1.CHECK STOP LIGHT.

1) Turn the ignition switch to OFF.

2) Check the stop light. Stop Light System

Are the stop lights OK-

Diagnostic Procedure with Diagnostic Trouble Code (DTC) > DTC C1531 BLS OFF STUCK

Replace the stop lights. Stop Light System

2.CHECK STOP LIGHT SWITCH.

Check the stop light switch. Stop Light Switch > INSTALLATION

Is the installation position of the stop light switch correct-

Diagnostic Procedure with Diagnostic Trouble Code (DTC) > DTC C1531 BLS OFF STUCK

Adjust the installation position of the stop light switch. Stop Light Switch > INSTALLATION

3.CHECK STOP LIGHT SWITCH.

1) Disconnect the stop light switch connector.

2) Measure the resistance of stop light switch terminals.

Terminals

No. 1 — No. 2:

Is the resistance less than 1 - when the stop light switch is ON (when pedal is depressed)-

Diagnostic Procedure with Diagnostic Trouble Code (DTC) > DTC C1531 BLS OFF STUCK

Replace the stop light switch. Stop Light Switch

4.CHECK STOP LIGHT RELAY.

Measure the resistance of stop light relay terminals.

Terminals

No. 12 — No. 15:

Is the resistance less than 1 --

Diagnostic Procedure with Diagnostic Trouble Code (DTC) > DTC C1531 BLS OFF STUCK

Replace the stop light relay.

5.CHECK VDCCM&H/U CONNECTOR.

Disconnect the connector from the VDCCM&H/U.

Is there poor contact or damage of the VDCCM&H/U connector-

Repair the VDCCM&H/U connector.

Diagnostic Procedure with Diagnostic Trouble Code (DTC) > DTC C1531 BLS OFF STUCK

6.CHECK STOP LIGHT SWITCH CIRCUIT (CHECK FOR OPEN CIRCUIT).

Measure the resistance of stop light switch circuit.

Connector & terminal

(B310) No. 17 — (B48) No. 15:

(B65) No. 2 — (B48) No. 12:

(B65) No. 1 — (F/B fuse) No. 37:

Is the resistance less than 1 --

Diagnostic Procedure with Diagnostic Trouble Code (DTC) > DTC C1531 BLS OFF STUCK

Repair the stop light switch circuit.

7.CHECK STOP LIGHT SWITCH CIRCUIT.

1) Connect all connectors.

2) Turn the ignition switch to ON.

3) Measure the voltage between stop light relay and chassis ground.

Connector & terminal

(B48) No. 15 (+) — Chassis ground (−):

Is the voltage 10 V or more when the stop light switch is ON (when pedal is depressed)-

Diagnostic Procedure with Diagnostic Trouble Code (DTC) > DTC C1531 BLS OFF STUCK

Repair the stop light switch circuit.

8.CHECK VDCCM&H/U.

1) Perform the Clear Memory Mode. Clear Memory Mode

2) Perform the Inspection Mode. Inspection Mode

3) Read the DTC. Read Diagnostic Trouble Code (DTC)

Is the same DTC displayed-

Replace the VDCCM&H/U. VDC Control Module and Hydraulic Control Unit (VDCCM&H/U)

Diagnostic Procedure with Diagnostic Trouble Code (DTC) > DTC C1531 BLS OFF STUCK

9.CHECK DETECTION OF OTHER DTCS FOR VDC.

Read Diagnostic Trouble Code (DTC)

Is any other DTC displayed-

Perform the diagnosis according to DTC. List of Diagnostic Trouble Code (DTC)

Currently, it is normal. There may have been a poor contact in the harness and connector or a temporarily noise interference.

Dtc c1532 bls on stuck
DTC DETECTING CONDITION:• A fault is detected if a change of the vehicle speed from high to low occurs for a predetermined number of times or more, while a change of the stop light switch from O ...

Dtc c1431 at
DTC DETECTING CONDITION:A fault is detected if malfunction flag is received from TCM.TROUBLE SYMPTOM:• VDC does not operate.• Hill hold does not function.• EyeSight does not operate. ...

Other materials:

Dtc b1648 side satellite sensor bus lh initialization error
DIAGNOSIS START CONDITION:Ignition voltage is 10 V to 16 V.DTC DETECTING CONDITION:Side sensor LH bus line communication initialization error (open/short circuit or connector connection failure between airbag CM and side airbag sensor LH, open/short circuit or connector connection failure between si ...

© 2017-2026 Copyright www.sulegacy.com