Honda Civic manuals

Subaru Legacy BN/BS (2015-2019) Service Manual: Dtc c1532 bls on stuck

DTC DETECTING CONDITION:

A fault is detected if a change of the vehicle speed from high to low occurs for a predetermined number of times or more, while a change of the stop light switch from OFF to ON is not detected.

A fault is detected if stop light switch ON status continues for long time while the vehicle speed is at the predetermined speed or higher.

TROUBLE SYMPTOM:

VDC does not operate.

Hill hold does not function.

EyeSight does not operate sometimes. (Models with EyeSight)

NOTE:

If the pressure sensor is defective, this DTC may probably be stored in addition to pressure sensor malfunction.

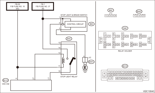
WIRING DIAGRAM:

Vehicle dynamics control system Vehicle Dynamics Control System

STEPCHECKYESNO

1.INTERVIEW CUSTOMERS.

Make sure that the operation was performed in which accelerator pedal and brake pedal were depressed simultaneously (with depressing brake pedal with left foot).

Were the acceleration pedal and brake pedal depressed simultaneously-

System is normal. (DTC may be recorded if the brake pedal is always depressed while driving.)

Diagnostic Procedure with Diagnostic Trouble Code (DTC) > DTC C1532 BLS ON STUCK

2.CHECK STOP LIGHT RELAY.

1) Turn the ignition switch to OFF.

2) Measure the resistance of stop light relay terminals.

Terminals

No. 14 — No. 15:

Is the resistance less than 1 --

Replace the stop light relay.

Diagnostic Procedure with Diagnostic Trouble Code (DTC) > DTC C1532 BLS ON STUCK

3.CHECK VDCCM&H/U CONNECTOR.

Disconnect the connector from the VDCCM&H/U.

Is there poor contact or damage of the VDCCM&H/U connector-

Repair the VDCCM&H/U connector.

Diagnostic Procedure with Diagnostic Trouble Code (DTC) > DTC C1532 BLS ON STUCK

4.CHECK STOP LIGHT SWITCH CIRCUIT.

1) Turn the ignition switch to ON.

2) Measure the voltage between stop light relay and chassis ground.

Connector & terminal

(B48) No. 15 (+) — Chassis ground (−):

Is the voltage 10 V or more when the stop light switch is OFF (when pedal is not depressed)-

Repair the stop light switch circuit.

Diagnostic Procedure with Diagnostic Trouble Code (DTC) > DTC C1532 BLS ON STUCK

5.CHECK VDCCM&H/U.

1) Connect all connectors.

2) Perform the Clear Memory Mode. Clear Memory Mode

3) Perform the Inspection Mode. Inspection Mode

4) Read the DTC. Read Diagnostic Trouble Code (DTC)

Is the same DTC displayed-

Replace the VDCCM&H/U. VDC Control Module and Hydraulic Control Unit (VDCCM&H/U)

Diagnostic Procedure with Diagnostic Trouble Code (DTC) > DTC C1532 BLS ON STUCK

6.CHECK DETECTION OF OTHER DTCS FOR VDC.

Read Diagnostic Trouble Code (DTC)

Is any other DTC displayed-

Perform the diagnosis according to DTC. List of Diagnostic Trouble Code (DTC)

Currently, it is normal. There may have been a poor contact in the harness and connector or a temporarily noise interference.

Dtc c1571 brake lamp relay off stuck
DTC DETECTING CONDITION:A fault is detected if the stop light relay operation request were compared with the feedback signal and detected as follows:• The feedback signal is OFF.• The stop ...

Dtc c1531 bls off stuck
DTC DETECTING CONDITION:A fault is detected if stop light switch signal is OFF for a predetermined time or more with the pressure signal of the pressure sensor high.TROUBLE SYMPTOM:• VDC does no ...

Other materials:

Disassembly
1. Remove the chain cover securing bolt from the cylinder head LH.2. Remove the stud bolts from the cylinder head.3. Remove the valve collet, valve, valve spring retainer, valve spring and valve spring seat from the cylinder head RH.CAUTION:During work, place a waste cloth, etc. to avoid scratching ...

© 2017-2026 Copyright www.sulegacy.com