Honda Civic manuals

Subaru Legacy BN/BS (2015-2019) Service Manual: Dtc c1571 brake lamp relay off stuck

DTC DETECTING CONDITION:

A fault is detected if the stop light relay operation request were compared with the feedback signal and detected as follows:

The feedback signal is OFF.

The stop light relay operation request is ON.

TROUBLE SYMPTOM:

EyeSight does not operate. (Models with EyeSight)

Stop lights do not illuminate sometimes.

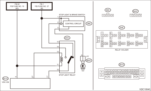
WIRING DIAGRAM:

Vehicle dynamics control system Vehicle Dynamics Control System

STEPCHECKYESNO

1.CHECK DTC.

Check the DTC using Subaru Select Monitor. Read Diagnostic Trouble Code (DTC)

Are any DTCs related to the stop light switch displayed-

Perform the diagnosis according to DTC. List of Diagnostic Trouble Code (DTC)

Diagnostic Procedure with Diagnostic Trouble Code (DTC) > DTC C1571 BRAKE LAMP RELAY OFF STUCK

2.CHECK STOP LIGHT RELAY.

1) Turn the ignition switch to OFF.

2) Remove the stop light relay.

3) Measure the resistance between stop light relay terminals No. 13 — No. 11 when the battery voltage is applied.

Terminals

No. 14 — No. 15:

Is the resistance less than 1 --

Diagnostic Procedure with Diagnostic Trouble Code (DTC) > DTC C1571 BRAKE LAMP RELAY OFF STUCK

Replace the stop light relay.

3.CHECK VDCCM&H/U CONNECTOR.

Disconnect the connector from the VDCCM&H/U.

Is there poor contact or damage of the VDCCM&H/U connector-

Repair the VDCCM&H/U connector.

Diagnostic Procedure with Diagnostic Trouble Code (DTC) > DTC C1571 BRAKE LAMP RELAY OFF STUCK

4.CHECK STOP LIGHT SWITCH CIRCUIT.

Measure the resistance between the stop light relay and the fuse.

Connector & terminal

(B48) No. 14 — (F/B fuse) No. 37:

Is the resistance less than 1 --

Diagnostic Procedure with Diagnostic Trouble Code (DTC) > DTC C1571 BRAKE LAMP RELAY OFF STUCK

Repair the stop light switch circuit.

5.CHECK STOP LIGHT SWITCH CIRCUIT.

1) Connect all connectors.

2) Turn the ignition switch to ON.

3) Measure the voltage between stop light relay and chassis ground.

Connector & terminal

(B48) No. 14 (+) — Chassis ground (−):

Is the voltage 10 V or more-

Diagnostic Procedure with Diagnostic Trouble Code (DTC) > DTC C1571 BRAKE LAMP RELAY OFF STUCK

Repair the stop light switch circuit.

6.CHECK STOP LIGHT RELAY CIRCUIT.

1) Turn the ignition switch to OFF.

2) Remove the stop light relay.

3) Turn the ignition switch to ON.

4) Measure the voltage between stop light relay and chassis ground.

Connector & terminal

(B48) No. 13 (+) — Chassis ground (−):

Is the voltage 10 V or more-

Repair the stop light relay circuit.

Diagnostic Procedure with Diagnostic Trouble Code (DTC) > DTC C1571 BRAKE LAMP RELAY OFF STUCK

7.CHECK VDCCM&H/U.

1) Turn the ignition switch to OFF.

2) Connect all connectors and relays.

3) Perform the Clear Memory Mode. Clear Memory Mode

4) Read the DTC. Read Diagnostic Trouble Code (DTC)

Is the same DTC displayed-

Replace the VDCCM&H/U. VDC Control Module and Hydraulic Control Unit (VDCCM&H/U)

Diagnostic Procedure with Diagnostic Trouble Code (DTC) > DTC C1571 BRAKE LAMP RELAY OFF STUCK

8.CHECK DETECTION OF OTHER DTCS FOR VDC.

Read Diagnostic Trouble Code (DTC)

Is any other DTC displayed-

Perform the diagnosis according to DTC. List of Diagnostic Trouble Code (DTC)

Currently, it is normal. There may have been a poor contact in the harness and connector or a temporarily noise interference.

Dtc c1711 steering angle sensor
DTC DETECTING CONDITION:• A fault is detected if the sensor signal value is not correct.• A fault is detected if the yaw rate sensor signal / lateral G sensor signal change while the senso ...

Dtc c1532 bls on stuck
DTC DETECTING CONDITION:• A fault is detected if a change of the vehicle speed from high to low occurs for a predetermined number of times or more, while a change of the stop light switch from O ...

Other materials:

Dtc p0123 throttle/pedal position sensor/switch "a" circuit high
DTC DETECTING CONDITION:Immediately at fault recognitionTROUBLE SYMPTOM:• Improper idling• Engine stalls.• Poor driving performanceCAUTION:After servicing or replacing faulty parts, perform Clear Memory Mode Clear Memory Mode > OPERATION, and Inspection Mode Inspection Mode > PRO ...

© 2017-2025 Copyright www.sulegacy.com