Honda Civic manuals

Subaru Legacy BN/BS (2015-2019) Service Manual: Dtc p0020 "a" camshaft position actuator control circuit/open bank 2

DTC DETECTING CONDITION:

Immediately at fault recognition

TROUBLE SYMPTOM:

Improper idling

CAUTION:

After servicing or replacing faulty parts, perform Clear Memory Mode Clear Memory Mode > OPERATION, and Inspection Mode Inspection Mode > PROCEDURE.

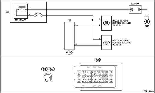
WIRING DIAGRAM:

Engine Electrical System ENGINE TYPE EZ (WITHOUT PUSH BUTTON START) Engine Electrical System > WIRING DIAGRAM

Engine Electrical System ENGINE TYPE EZ (WITH PUSH BUTTON START) Engine Electrical System > WIRING DIAGRAM

STEPCHECKYESNO

1.CHECK OUTPUT SIGNAL OF ECM.

1) Turn the ignition switch to ON.

2) Measure the voltage between ECM connector and engine ground.

Connector & terminal

(E158) No. 6 (+) — Engine ground (−):

Is the voltage 10 V or more-

Diagnostic Procedure with Diagnostic Trouble Code (DTC) > DTC P0020 "A" CAMSHAFT POSITION ACTUATOR CONTROL CIRCUIT/OPEN BANK 2

Diagnostic Procedure with Diagnostic Trouble Code (DTC) > DTC P0020 "A" CAMSHAFT POSITION ACTUATOR CONTROL CIRCUIT/OPEN BANK 2

2.CHECK FOR POOR CONTACT.

Check for poor contact of ECM connector.

Is there poor contact of ECM connector-

Repair the poor contact of ECM connector.

Even if DTC is detected, the circuit has returned to a normal condition at this time. Reproduce the failure, and then perform the diagnosis again.

NOTE:

In this case, temporary poor contact of connector, temporary open or short circuit of harness may be the cause.

3.CHECK POWER SUPPLY TO THE INTAKE OIL FLOW CONTROL SOLENOID VALVE LH.

Measure the voltage between intake oil flow control solenoid valve LH connector and engine ground.

Connector & terminal

(E37) No. 1 (+) — Engine ground (−):

Is the voltage 10 V or more-

Diagnostic Procedure with Diagnostic Trouble Code (DTC) > DTC P0020 "A" CAMSHAFT POSITION ACTUATOR CONTROL CIRCUIT/OPEN BANK 2

Repair the power supply circuit.

4.CHECK HARNESS BETWEEN ECM AND INTAKE OIL FLOW CONTROL SOLENOID VALVE LH CONNECTOR.

1) Turn the ignition switch to OFF.

2) Disconnect the connectors from ECM and intake oil flow control solenoid valve LH.

3) Measure the resistance between intake oil flow control solenoid valve LH connector and engine ground.

Connector & terminal

(E37) No. 2 — Engine ground:

Is the resistance 1 M- or more-

Diagnostic Procedure with Diagnostic Trouble Code (DTC) > DTC P0020 "A" CAMSHAFT POSITION ACTUATOR CONTROL CIRCUIT/OPEN BANK 2

Repair the short circuit to ground in harness between ECM connector and intake oil flow control solenoid valve LH connector.

5.CHECK HARNESS BETWEEN ECM AND INTAKE OIL FLOW CONTROL SOLENOID VALVE LH CONNECTOR.

Measure the resistance of harness between ECM connector and intake oil flow control solenoid valve LH.

Connector & terminal

(E158) No. 6 — (E37) No. 2:

Is the resistance less than 1 --

Diagnostic Procedure with Diagnostic Trouble Code (DTC) > DTC P0020 "A" CAMSHAFT POSITION ACTUATOR CONTROL CIRCUIT/OPEN BANK 2

Repair the open circuit in harness between ECM connector and intake oil flow control solenoid valve LH connector.

6.CHECK INTAKE OIL FLOW CONTROL SOLENOID VALVE LH.

Measure the resistance between intake oil flow control solenoid valve LH terminals.

Terminals

No. 1 — No. 2:

Is the resistance 6 — 12 --

Repair the poor contact of intake oil flow control solenoid valve LH connector.

Replace the intake oil flow control solenoid valve LH. Oil Flow Control Solenoid Valve

1. OUTLINE OF DIAGNOSIS

NOTE:

For the detection standard, refer to DTC P0010. Diagnostic Procedure with Diagnostic Trouble Code (DTC) > DTC P0010 "A" CAMSHAFT POSITION ACTUATOR CONTROL CIRCUIT/OPEN BANK 1

Dtc p0021 "a" camshaft position - timing over-advanced or system performance bank 2
DTC DETECTING CONDITION:Detected when two consecutive driving cycles with fault occur.TROUBLE SYMPTOM:• Engine stalls.• Improper idlingCAUTION:After servicing or replacing faulty parts, pe ...

Dtc p0019 crankshaft position - camshaft position correlation bank 2 sensor b
DTC DETECTING CONDITION:Detected when two consecutive driving cycles with fault occur.TROUBLE SYMPTOM:• Engine stalls.• Improper idlingCAUTION:After servicing or replacing faulty parts, pe ...

Other materials:

Dtc b16ec curtain airbag sensor rh initialization error
DIAGNOSIS START CONDITION:Ignition voltage is 10 V to 16 V.DTC DETECTING CONDITION:Curtain airbag sensor RH initialization errorWIRING DIAGRAM:NOTE:For the coupling connector, refer to “WIRING SYSTEM”.Airbag system Airbag System > WIRING DIAGRAMSTEPCHECKYESNO1.CHECK DTC.Read the DTC. (C ...

© 2017-2025 Copyright www.sulegacy.com